电脑桌面
添加蜗牛文库到电脑桌面
安装后可以在桌面快捷访问

01-06总经理及管代.docVIP免费

01-06总经理及管代.doc_第1页
01-06总经理及管代.doc_第2页
01-06总经理及管代.doc_第3页
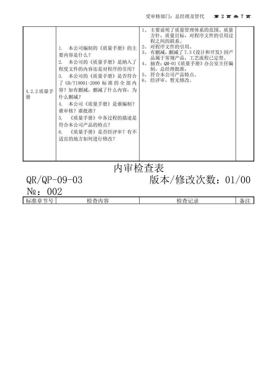
受审核部门:总经理及管代第1页共7页内审检查表QR/QP-09-03版本/修改次数:01/00№:001部门代表:审核员:标准章节号检查内容检查记录备注4.1质量管理体系总要求1.本公司是否已建立了文件化的质量管理体系并加以实施和保持下去?2.请总经理谈谈,为使公司质量管理体系正常运作,本公司建立了哪几个大的过程?3.公司确定了什么准则和方法来控制这几个大的过程,以确保其有效运行。4.公司选择了哪些外包过程?对这些外包过程如何进行控制?1、本公司已建立了ISO9001:2000质量管理体系并制定实施了质量手册,程序文件等。2、使用了管理职责、资源提供、产品实现、测量分析和改进四大过程。3、采用了过程方法和持续改进准则。4、本公司外包过程为成型模具,将外包过程承包方作为供方管理,并签定技术协议。4.2.1文件要求总则1.请问公司建立文件化的质量管理体系,都包括哪些文件?2.本公司共编制了多少个程序文件?其中哪几个程序文件是ISO9001:2000标准要求必须编制的?3.文件的多少和文件内容的详略程序是依据本公司目前的哪些因素确定的?1、包括质量手册、程序文件和作业指导书等文件。2、本公司编制了解13个程序文件,其中文件控制,质量记录控制和内审控制、不合格控制、纠正预防措施控制为必编程序文件。3、取决于公司规模和公司人员素质及产品过程的复杂性等。受审核部门:总经理及管代第2页共7页4.2.2质量手册1.本公司编制的《质量手册》的主要内容是什么?2.本公司的《质量手册》是纳入了程度文件的内容还是对程序的引用?3.本公司的《质量手册》是否符合了GB/T19001-2000标准的全部内容?如有删减,删减了什么内容,为什么删减?4.本公司《质量手册》是谁编制?谁审核?谁批准?5.《质量手册》中各过程的描述是符合本公司产品的特点?6.《质量手册》是否经评审?有不适宜的地方如何进行修改?1、主要说明了质量管理体系的范围、质量方针,质量目标,对程序文件的引用过程之间的联系。2、对程序文件的引用。3、有删减,删减了7.3《设计和开发》因产品属于常规产品,工艺流程已定型。4、抽查:QM-01《质量手册》办公室主任编制,总经理批准,5、符合本公司产品特点。6、经评审,暂无修改。内审检查表QR/QP-09-03版本/修改次数:01/00№:002标准章节号检查内容检查记录备注受审核部门:总经理及管代第3页共7页5.1管理承诺1.总经理应当承诺要建立、实施文件化的质量管理体系,并持续改进其有效性,为了证明你已经实践了自己的承诺,你能否提...

1、当您付费下载文档后,您只拥有了使用权限,并不意味着购买了版权,文档只能用于自身使用,不得用于其他商业用途(如 [转卖]进行直接盈利或[编辑后售卖]进行间接盈利)。
2、本站所有内容均由合作方或网友上传,本站不对文档的完整性、权威性及其观点立场正确性做任何保证或承诺!文档内容仅供研究参考,付费前请自行鉴别。
3、如文档内容存在违规,或者侵犯商业秘密、侵犯著作权等,请点击“违规举报”。

碎片内容

蜗牛文库的最新文档

二年级数学下册其中检测卷二年级数学下册其中检测卷附答案#期中测试卷.pdf
10.00金币
0下载
二年级数学下册期末质检卷(苏教版)二年级数学下册期末质检卷(苏教版)#期末复习 #期末测试卷 #二年级数学 #二年级数学下册#关注我持续更新小学知识.pdf
10.00金币
0下载
二年级数学下册期末混合运算专项练习二年级数学下册期末混合运算专项练习#二年级#二年级数学下册#关注我持续更新小学知识 #知识分享 #家长收藏孩子受益.pdf
10.00金币
1下载
二年级数学下册年月日三类周期问题解题方法二年级数学下册年月日三类周期问题解题方法#二年级#二年级数学下册#知识分享 #关注我持续更新小学知识 #家长收藏孩子受益.pdf
10.00金币
0下载
二年级数学下册解决问题专项训练二年级数学下册解决问题专项训练#专项训练#解决问题#二年级#二年级数学下册#知识分享.pdf
10.00金币
1下载
二年级数学下册还原问题二年级数学下册还原问题#二年级#二年级数学#关注我持续更新小学知识 #知识分享 #家长收藏孩子受益.pdf
10.00金币
1下载
二年级数学下册第六单元考试卷家长打印出来给孩子测试测试争取拿到高分!#小学二年级试卷分享 #二年级第六单考试数学 #第六单考试#二年级数学下册.pdf
10.00金币
0下载
二年级数学下册必背顺口溜口诀汇总二年级数学下册必背顺口溜口诀汇总#二年级#二年级数学下册 #知识分享 #家长收藏孩子受益 #关注我持续更新小学知识.pdf
10.00金币
0下载
二年级数学下册《重点难点思维题》两大问题解决技巧和方法巧算星期几解决周期问题还原问题强化思维训练老师精心整理家长可以打印出来给孩子练习#家长收藏孩子受益 #学霸秘籍 #思维训练 #二年级 #知识点总结.pdf
10.00金币
0下载
二年级数学下册 必背公式大全寒假提前背一背开学更轻松#二年级 #二年级数学 #二年级数学下册 #寒假充电计划 #公式.pdf
10.00金币
0下载
蜗牛文库+ 关注
实名认证
内容提供者

提供各种专业文档内容

确认删除?
QQ
  • QQ点击这里给我发消息
微信客服
  • 微信客服
回到顶部