电脑桌面
添加蜗牛文库到电脑桌面
安装后可以在桌面快捷访问

隆宇SMCH类功率电感可靠性试验标准.docxVIP免费

隆宇SMCH类功率电感可靠性试验标准.docx_第1页
隆宇SMCH类功率电感可靠性试验标准.docx_第2页
隆宇SMCH类功率电感可靠性试验标准.docx_第3页
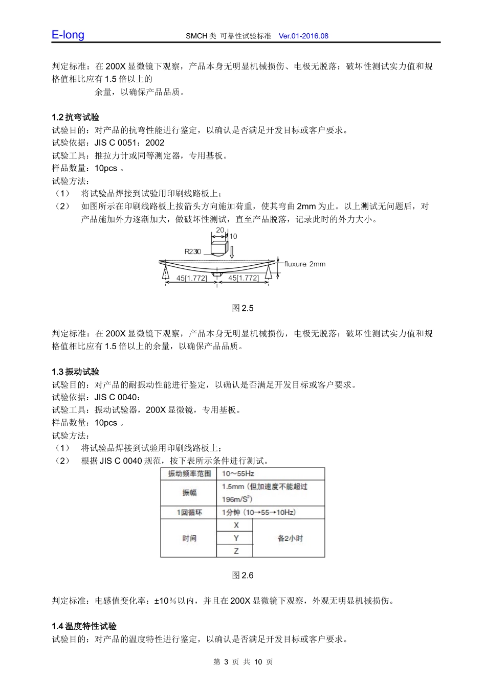
E-longSMCH类可靠性试验标准Ver.01-2016.08第1页共10页东莞隆宇电子有限公司DongGuanE-longElectronicsCo.,LtdSMCH类功率电感可靠性试验标准(供新开发产品或设计变更时验证使用)批准审核编制潘建平2016年08月23日刘志2016年08月22日曾超2016年08月20日E-longSMCH类可靠性试验标准Ver.01-2016.08第2页共10页一、产品相关试验1.试验项目No.试验项目名称样品数量(只)合格品数(只)允许不合格品数(只)必做/选做1电极剥离试验10100必做2抗弯试验10100必做3振动试验10100必做4温度特性试验10100必做5可焊性试验10100必做6冷热冲击试验48480必做7低温试验48480必做8高温试验48480必做9绝缘阻抗测试试验各10各100选做备注:以上试验项目必要时需组合进行。2.试验方法及判断标准1.1剥离试验试验目的:对产品电极剥离强度进行鉴定,以确认是否满足开发目标或客户要求。试验依据:JISC0051:2002试验工具:推拉力计或同等测定器,专用基板。样品数量:10pcs。试验方法:(1)将产品焊接在专用基板上,分别从X、Y方向对产品施加外力10N,保持5秒,如图2.4所示;(2)以上测试无问题后,对产品施加外力逐渐加大,做破坏性测试,直至产品脱落,记录此时的外力大小。图2.4E-longSMCH类可靠性试验标准Ver.01-2016.08第3页共10页判定标准:在200X显微镜下观察,产品本身无明显机械损伤、电极无脱落;破坏性测试实力值和规格值相比应有1.5倍以上的余量,以确保产品品质。1.2抗弯试验试验目的:对产品的抗弯性能进行鉴定,以确认是否满足开发目标或客户要求。试验依据:JISC0051:2002试验工具:推拉力计或同等测定器,专用基板。样品数量:10pcs。试验方法:(1)将试验品焊接到试验用印刷线路板上;(2)如图所示在印刷线路板上按箭头方向施加荷重,使其弯曲2mm为止。以上测试无问题后,对产品施加外力逐渐加大,做破坏性测试,直至产品脱落,记录此时的外力大小。图2.5判定标准:在200X显微镜下观察,产品本身无明显机械损伤,电极无脱落;破坏性测试实力值和规格值相比应有1.5倍以上的余量,以确保产品品质。1.3振动试验试验目的:对产品的耐振动性能进行鉴定,以确认是否满足开发目标或客户要求。试验依据:JISC0040:试验工具:振动试验器,200X显微镜,专用基板。样品数量:10pcs。试验方法:(1)将试验品焊接到试验用印刷线路板上;(2)根据JISC0040规范,按下表所示条件进行测试。图2.6判定标准:电感值变化率:±10%以内,并且在200X显微镜下观察,外观...

1、当您付费下载文档后,您只拥有了使用权限,并不意味着购买了版权,文档只能用于自身使用,不得用于其他商业用途(如 [转卖]进行直接盈利或[编辑后售卖]进行间接盈利)。
2、本站所有内容均由合作方或网友上传,本站不对文档的完整性、权威性及其观点立场正确性做任何保证或承诺!文档内容仅供研究参考,付费前请自行鉴别。
3、如文档内容存在违规,或者侵犯商业秘密、侵犯著作权等,请点击“违规举报”。

碎片内容

蜗牛文库的最新文档

二年级数学下册其中检测卷二年级数学下册其中检测卷附答案#期中测试卷.pdf
10.00金币
0下载
二年级数学下册期末质检卷(苏教版)二年级数学下册期末质检卷(苏教版)#期末复习 #期末测试卷 #二年级数学 #二年级数学下册#关注我持续更新小学知识.pdf
10.00金币
0下载
二年级数学下册期末混合运算专项练习二年级数学下册期末混合运算专项练习#二年级#二年级数学下册#关注我持续更新小学知识 #知识分享 #家长收藏孩子受益.pdf
10.00金币
1下载
二年级数学下册年月日三类周期问题解题方法二年级数学下册年月日三类周期问题解题方法#二年级#二年级数学下册#知识分享 #关注我持续更新小学知识 #家长收藏孩子受益.pdf
10.00金币
0下载
二年级数学下册解决问题专项训练二年级数学下册解决问题专项训练#专项训练#解决问题#二年级#二年级数学下册#知识分享.pdf
10.00金币
1下载
二年级数学下册还原问题二年级数学下册还原问题#二年级#二年级数学#关注我持续更新小学知识 #知识分享 #家长收藏孩子受益.pdf
10.00金币
1下载
二年级数学下册第六单元考试卷家长打印出来给孩子测试测试争取拿到高分!#小学二年级试卷分享 #二年级第六单考试数学 #第六单考试#二年级数学下册.pdf
10.00金币
0下载
二年级数学下册必背顺口溜口诀汇总二年级数学下册必背顺口溜口诀汇总#二年级#二年级数学下册 #知识分享 #家长收藏孩子受益 #关注我持续更新小学知识.pdf
10.00金币
0下载
二年级数学下册《重点难点思维题》两大问题解决技巧和方法巧算星期几解决周期问题还原问题强化思维训练老师精心整理家长可以打印出来给孩子练习#家长收藏孩子受益 #学霸秘籍 #思维训练 #二年级 #知识点总结.pdf
10.00金币
0下载
二年级数学下册 必背公式大全寒假提前背一背开学更轻松#二年级 #二年级数学 #二年级数学下册 #寒假充电计划 #公式.pdf
10.00金币
0下载
蜗牛文库+ 关注
实名认证
内容提供者

提供各种专业文档内容

确认删除?
QQ
  • QQ点击这里给我发消息
微信客服
  • 微信客服
回到顶部