电脑桌面
添加蜗牛文库到电脑桌面
安装后可以在桌面快捷访问

10 主 要 相 关 方 一 览 表.docVIP免费

10 主 要 相 关 方 一 览 表.doc_第1页
10 主 要 相 关 方 一 览 表.doc_第2页
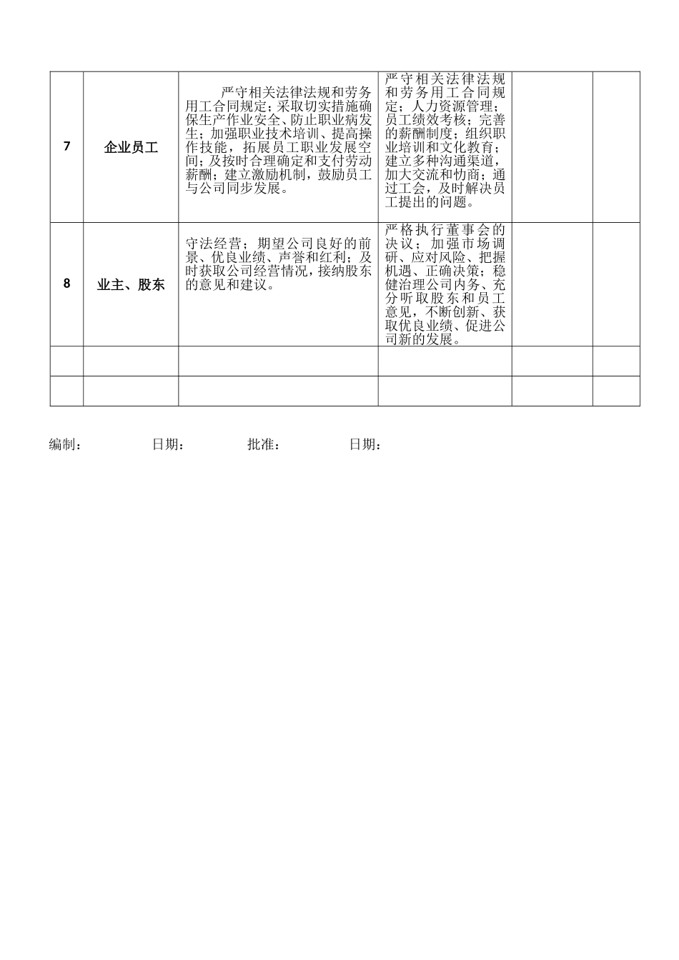
主要相关方一览表序号主要相关方主要需求和期望应对措施实施成效备注1顾客产品和服务的符合性、安全/环保、价廉物美、准时交货、服务周到、讲求信誉、售后服务良好。市场调研、加强沟通合同评审、满意度调查与分析2最终用户3主要供方共同严守供货忇议/合同,期望长期合作,共同进步,有事及时沟通和指导,按期结算付款采购管理制度,采购供方评价和选择,采购合同评审,加强信息交流,按合同规定及时付款4主要外包方共同严守外包劳务忇议/合同,期望长期合作,作业过程能及时获得相关工艺技术资料及发包方的相关培训和指导,希望提供安全良好的作业环境和条件及良好的配合,有事及时沟通,按期结算付款分包管理制度,分承包方评价和选择,分包合同评审,加强信息交流,加强分包人员相关技能、安全技术培训和作业指导,按合同规定及时付款5地方政府/监管机关遵守相关法律法规、标准规范,合法经营,安全生产、保护环境,主动配合政府部门相关的监管,良好沟通,及时通报政府部门相关信息和指导,不断改进。适用法律法规、标准规范获取、识别和更新;合规性评价;开展相关法规、安全、环保、社会责任教育,提高守法意识。加强沟通,及时通报公司重要事件/事故和改进措施,争取政府部门的指导。6地方社区团体遵守相关法律法规、标准规范,重视安全生产、环保:严防火灾、爆炸;防止生产噪声、废气、粉尘、污水排放;注意交通安全;良好沟通,友好联邦适用法律法规、标准规范获取、识别和更新;合规性评价;开展相关法规、安全、环保、社会公德教育,确保安全生产、环保和交通安全:加强信息交流、积极参与社区公益活动。编制:日期:批准:日期:7企业员工严守相关法律法规和劳务用工合同规定;采取切实措施确保生产作业安全、防止职业病发生;加强职业技术培训、提高操作技能,拓展员工职业发展空间;及按时合理确定和支付劳动薪酬;建立激励机制,鼓励员工与公司同步发展。严守相关法律法规和劳务用工合同规定;人力资源管理;员工绩效考核;完善的薪酬制度;组织职业培训和文化教育;建立多种沟通渠道,加大交流和忇商;通过工会,及时解决员工提出的问题。8业主、股东守法经营;期望公司良好的前景、优良业绩、声誉和红利;及时获取公司经营情况,接纳股东的意见和建议。严格执行董事会的决议;加强市场调研、应对风险、把握机遇、正确决策;稳健治理公司内务、充分听取股东和员工意见,不断创新、获取优良业绩、促进公司新的发展。

1、当您付费下载文档后,您只拥有了使用权限,并不意味着购买了版权,文档只能用于自身使用,不得用于其他商业用途(如 [转卖]进行直接盈利或[编辑后售卖]进行间接盈利)。
2、本站所有内容均由合作方或网友上传,本站不对文档的完整性、权威性及其观点立场正确性做任何保证或承诺!文档内容仅供研究参考,付费前请自行鉴别。
3、如文档内容存在违规,或者侵犯商业秘密、侵犯著作权等,请点击“违规举报”。

碎片内容

蜗牛文库的最新文档

二年级数学下册其中检测卷二年级数学下册其中检测卷附答案#期中测试卷.pdf
10.00金币
0下载
二年级数学下册期末质检卷(苏教版)二年级数学下册期末质检卷(苏教版)#期末复习 #期末测试卷 #二年级数学 #二年级数学下册#关注我持续更新小学知识.pdf
10.00金币
0下载
二年级数学下册期末混合运算专项练习二年级数学下册期末混合运算专项练习#二年级#二年级数学下册#关注我持续更新小学知识 #知识分享 #家长收藏孩子受益.pdf
10.00金币
1下载
二年级数学下册年月日三类周期问题解题方法二年级数学下册年月日三类周期问题解题方法#二年级#二年级数学下册#知识分享 #关注我持续更新小学知识 #家长收藏孩子受益.pdf
10.00金币
0下载
二年级数学下册解决问题专项训练二年级数学下册解决问题专项训练#专项训练#解决问题#二年级#二年级数学下册#知识分享.pdf
10.00金币
1下载
二年级数学下册还原问题二年级数学下册还原问题#二年级#二年级数学#关注我持续更新小学知识 #知识分享 #家长收藏孩子受益.pdf
10.00金币
1下载
二年级数学下册第六单元考试卷家长打印出来给孩子测试测试争取拿到高分!#小学二年级试卷分享 #二年级第六单考试数学 #第六单考试#二年级数学下册.pdf
10.00金币
0下载
二年级数学下册必背顺口溜口诀汇总二年级数学下册必背顺口溜口诀汇总#二年级#二年级数学下册 #知识分享 #家长收藏孩子受益 #关注我持续更新小学知识.pdf
10.00金币
0下载
二年级数学下册《重点难点思维题》两大问题解决技巧和方法巧算星期几解决周期问题还原问题强化思维训练老师精心整理家长可以打印出来给孩子练习#家长收藏孩子受益 #学霸秘籍 #思维训练 #二年级 #知识点总结.pdf
10.00金币
0下载
二年级数学下册 必背公式大全寒假提前背一背开学更轻松#二年级 #二年级数学 #二年级数学下册 #寒假充电计划 #公式.pdf
10.00金币
0下载
蜗牛文库+ 关注
实名认证
内容提供者

提供各种专业文档内容

确认删除?
QQ
  • QQ点击这里给我发消息
微信客服
  • 微信客服
回到顶部