电脑桌面
添加蜗牛文库到电脑桌面
安装后可以在桌面快捷访问

01-【管理制度】-02-行政采购管理制度.docxVIP免费

01-【管理制度】-02-行政采购管理制度.docx_第1页
01-【管理制度】-02-行政采购管理制度.docx_第2页
01-【管理制度】-02-行政采购管理制度.docx_第3页
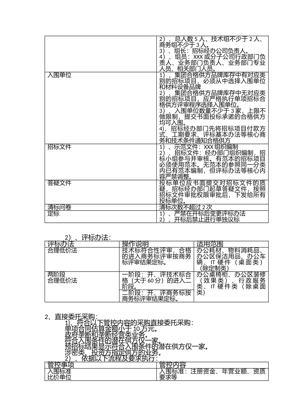
XXX集团行政采购管理制度一、目的为规范行政采购管理过程要求,控制办公经费,提高采购质量及效率,根据集团实际情况,特制定本制度。二、定义本制度所称行政采购:指为保证正常办公所需的物资或服务采购行为。包含:办公耗材、物料消耗品、办公区保洁用品、办公资产、行政服务五类。品类品类范围办公耗材桌面办公用品、办公本、书写用品。物料消耗品文件档案管理用品、财务用品、办公纸品、一次性用品、会议用品、劳保用品。保洁用品生活用纸、清洁用品。办公资产办公桌椅柜、IT硬件、办公车辆、办公区装修、IT软件类等行政服务类办公软、硬件维护、场所环境维护、工商服务等三、供方评审管控事项管控内容资格预、评审制定资格预审标准:注册资金、年营业额、年供货能力等指标制定预审文件(供方填)制定现场考察评分表现场考察采购部门、需求部门共同组成,至少2部门3人以上合格供方评定OA通用审批流报告评审单位、附件(合格供方评定表、资格评审文件评审表、现场考察评分表、供方评定意见表、供方考察报告)四、采购管理XXX公室负责全集团行政采购统筹管理,各职能中心、各部门及分子公司行政人员或行政对接人员,负责各自中心、部门、公司内办公资产的日常管理,包含申报(立项)、采购(视采购权分配范围进行)、验收、入库、出库。(一)、申报(立项):由各职能中心、各部门及分子公司行政人员或行政对接人员填报《行政采购申购表》,按《集团行政统一采购通用审批流程标准化规定》进行审批。(二)、采购:由XXX或分子公司行政部门(分子公司采购权需XXX授权)统一采购。集团对供方统一管理、统一分类,并通过供方资格评审、履约评估的合格供方品牌库存中选择。采购方式为:招标采购、直接委托采购、其它采购形式采购三种。1、招标采购:1)、依据以下流程及要求执行管控事项管控内容招标小组1)、由XXX或分子公司行政部门、相应业务部门组成,分为技术组和商务组。2)、总人数5人,技术组不少于2人、商务组不少于3人。3)、组长:招标经办公司负责人。4)、组员:XXX或分子公司行政部门负责人、业务部门负责人、业务部门专业人员、相关部门人员。入围单位1)、集团合格供方品牌库存中有对应类别的招标项目,必须从中选择入围单位和材料设备品牌2)、集团合格供方品牌库存中无对应类别的招标项目,应严格执行单项招标合格供方评审程序选择入围单位。3)、入围单位数量不少于3家,上限不做限制,提交书面投标承诺的合格供方均可入围。4)、...

1、当您付费下载文档后,您只拥有了使用权限,并不意味着购买了版权,文档只能用于自身使用,不得用于其他商业用途(如 [转卖]进行直接盈利或[编辑后售卖]进行间接盈利)。
2、本站所有内容均由合作方或网友上传,本站不对文档的完整性、权威性及其观点立场正确性做任何保证或承诺!文档内容仅供研究参考,付费前请自行鉴别。
3、如文档内容存在违规,或者侵犯商业秘密、侵犯著作权等,请点击“违规举报”。

碎片内容

蜗牛文库的最新文档

二年级数学下册其中检测卷二年级数学下册其中检测卷附答案#期中测试卷.pdf
10.00金币
0下载
二年级数学下册期末质检卷(苏教版)二年级数学下册期末质检卷(苏教版)#期末复习 #期末测试卷 #二年级数学 #二年级数学下册#关注我持续更新小学知识.pdf
10.00金币
0下载
二年级数学下册期末混合运算专项练习二年级数学下册期末混合运算专项练习#二年级#二年级数学下册#关注我持续更新小学知识 #知识分享 #家长收藏孩子受益.pdf
10.00金币
1下载
二年级数学下册年月日三类周期问题解题方法二年级数学下册年月日三类周期问题解题方法#二年级#二年级数学下册#知识分享 #关注我持续更新小学知识 #家长收藏孩子受益.pdf
10.00金币
0下载
二年级数学下册解决问题专项训练二年级数学下册解决问题专项训练#专项训练#解决问题#二年级#二年级数学下册#知识分享.pdf
10.00金币
1下载
二年级数学下册还原问题二年级数学下册还原问题#二年级#二年级数学#关注我持续更新小学知识 #知识分享 #家长收藏孩子受益.pdf
10.00金币
1下载
二年级数学下册第六单元考试卷家长打印出来给孩子测试测试争取拿到高分!#小学二年级试卷分享 #二年级第六单考试数学 #第六单考试#二年级数学下册.pdf
10.00金币
0下载
二年级数学下册必背顺口溜口诀汇总二年级数学下册必背顺口溜口诀汇总#二年级#二年级数学下册 #知识分享 #家长收藏孩子受益 #关注我持续更新小学知识.pdf
10.00金币
0下载
二年级数学下册《重点难点思维题》两大问题解决技巧和方法巧算星期几解决周期问题还原问题强化思维训练老师精心整理家长可以打印出来给孩子练习#家长收藏孩子受益 #学霸秘籍 #思维训练 #二年级 #知识点总结.pdf
10.00金币
0下载
二年级数学下册 必背公式大全寒假提前背一背开学更轻松#二年级 #二年级数学 #二年级数学下册 #寒假充电计划 #公式.pdf
10.00金币
0下载
蜗牛文库+ 关注
实名认证
内容提供者

提供各种专业文档内容

确认删除?
QQ
  • QQ点击这里给我发消息
微信客服
  • 微信客服
回到顶部