电脑桌面
添加蜗牛文库到电脑桌面
安装后可以在桌面快捷访问

10 -供应商审验厂工作要点及步骤流程图.xlsx (2).xlsVIP免费

10 -供应商审验厂工作要点及步骤流程图.xlsx (2).xls_第1页
10 -供应商审验厂工作要点及步骤流程图.xlsx (2).xls_第2页
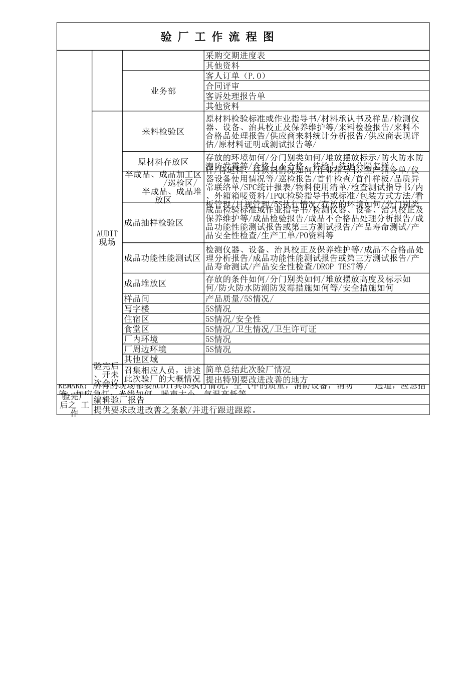
验厂工作流程图工厂的基本概况工厂的营业执照工厂的税务登记录工厂的进出口权证书工厂的生产工艺流程图工厂的平面图工厂的机器设备清单工厂的人事组织结构图验厂的日期验厂的地点验厂的联系人验厂的行程等验厂的先后顺序验厂的配合的部门及人员验厂时的注意事项等管理部:营业执照的正本进出口权的证书正本国税、地税的证书正本员工社保证书当地政府规定最低工资保障证明员工劳动合同书员工近三个月的出勤工卡员工近三个月的工资清单防消管理措施管理之文件污水污染等处理之文件及记录其他资料品质部不合品处理报告或品质异常处理单之记录品质改进改善预防措施报告之记录客诉处理报告单品质周、月统计分析报告其他资料生产部生产计划排程(周、月排程)生产作业指令单(或生产工单)退料、换料单生产排拉工位图生产进度跟进表日、月生产报表每日修理报告其他资料技术部作业指导书产品设计图纸机器设备使用说明、保养、维护等之记录仪器设备之校正证书、记录等其他资料采购部采购合同供应商评估验厂前的工作及资料的准备工厂的基本资料提供工厂的QC/QA详细组织结构图确定验厂事宜验厂过程的执行开首次会议召集相应人员,讲述此次验厂工求查阅资料ISO证书正本最近环保部门验厂的环境报告/测试报告培训计划书/培训材教/培训记录/培训考核等品质手册/部门程序/工作流程及作业指导书/表格表单IQC、IPQC、FQC、QA之所有品检标准/作业指导书品质标准变更单(QCN)IQC、IPQC、FQC、QA之所有品检记录不合格、合格、待检、待修、待返工等LABEL纸工程变更通知单(ECN)产品物料使用清单(BOM)原材料证明书/原材料承认书/测试报告验厂工作流程图采购部采购交期进度表其他资料业务部合同评审客诉处理报告单其他资料来料检验区原材料存放区成品抽样检验区成品功能性能测试区成品堆放区样品间写字楼住宿区食堂区厂内环境厂周边环境其他区域简单总结此次验厂情况提出特别要改进改善的地方编辑验厂报告行客人订单(P.O)AUDIT现场原材料检验标准或作业指导书/材料承认书及样品/检测仪器、设备、治具校正及保养维护等/来料检验报告/来料不合格品处理报告/供应商来料统计分析报告/供应商表现评估/原材料证明或测试报告等/存放的环境如何/分门别类如何/堆放摆放标示/防火防水防潮防发霉等/合格与不合格、待检与待退分隔怎样/半成品、成品加工区/巡检区/半成品、成品堆放区样/待退料、待换料情况如何/作业指导书/生产指令单/仪器设备使用情况等/巡检报告/首件检查/首件...

1、当您付费下载文档后,您只拥有了使用权限,并不意味着购买了版权,文档只能用于自身使用,不得用于其他商业用途(如 [转卖]进行直接盈利或[编辑后售卖]进行间接盈利)。
2、本站所有内容均由合作方或网友上传,本站不对文档的完整性、权威性及其观点立场正确性做任何保证或承诺!文档内容仅供研究参考,付费前请自行鉴别。
3、如文档内容存在违规,或者侵犯商业秘密、侵犯著作权等,请点击“违规举报”。

碎片内容

蜗牛文库的最新文档

二年级数学下册其中检测卷二年级数学下册其中检测卷附答案#期中测试卷.pdf
10.00金币
0下载
二年级数学下册期末质检卷(苏教版)二年级数学下册期末质检卷(苏教版)#期末复习 #期末测试卷 #二年级数学 #二年级数学下册#关注我持续更新小学知识.pdf
10.00金币
0下载
二年级数学下册期末混合运算专项练习二年级数学下册期末混合运算专项练习#二年级#二年级数学下册#关注我持续更新小学知识 #知识分享 #家长收藏孩子受益.pdf
10.00金币
1下载
二年级数学下册年月日三类周期问题解题方法二年级数学下册年月日三类周期问题解题方法#二年级#二年级数学下册#知识分享 #关注我持续更新小学知识 #家长收藏孩子受益.pdf
10.00金币
0下载
二年级数学下册解决问题专项训练二年级数学下册解决问题专项训练#专项训练#解决问题#二年级#二年级数学下册#知识分享.pdf
10.00金币
1下载
二年级数学下册还原问题二年级数学下册还原问题#二年级#二年级数学#关注我持续更新小学知识 #知识分享 #家长收藏孩子受益.pdf
10.00金币
1下载
二年级数学下册第六单元考试卷家长打印出来给孩子测试测试争取拿到高分!#小学二年级试卷分享 #二年级第六单考试数学 #第六单考试#二年级数学下册.pdf
10.00金币
0下载
二年级数学下册必背顺口溜口诀汇总二年级数学下册必背顺口溜口诀汇总#二年级#二年级数学下册 #知识分享 #家长收藏孩子受益 #关注我持续更新小学知识.pdf
10.00金币
0下载
二年级数学下册《重点难点思维题》两大问题解决技巧和方法巧算星期几解决周期问题还原问题强化思维训练老师精心整理家长可以打印出来给孩子练习#家长收藏孩子受益 #学霸秘籍 #思维训练 #二年级 #知识点总结.pdf
10.00金币
0下载
二年级数学下册 必背公式大全寒假提前背一背开学更轻松#二年级 #二年级数学 #二年级数学下册 #寒假充电计划 #公式.pdf
10.00金币
0下载
蜗牛文库+ 关注
实名认证
内容提供者

提供各种专业文档内容

确认删除?
QQ
  • QQ点击这里给我发消息
微信客服
  • 微信客服
回到顶部