电脑桌面
添加蜗牛文库到电脑桌面
安装后可以在桌面快捷访问

【总经办】稽核小组部门职责.xlsxVIP免费

【总经办】稽核小组部门职责.xlsx_第1页
【总经办】稽核小组部门职责.xlsx_第2页
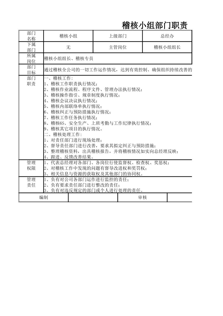
稽核小组部门职责部门稽核小组上级部门总经办名称下属无主管岗位稽核小组组长部门所属稽核小组组长、稽核专员岗位部门通过稽核全公司的一切工作运作情况,达到有效控制、确保组织持续改善的目的。目标部门职责管理权限管理责任编制审核一、稽核工作:1、稽核工作职责执行情况;2、稽核作业流程、程序文件、管理办法执行情况;3、稽核操作指引、规章制度执行情况;4、稽核会议决议执行情况;5、稽核内部联络单执行情况;6、稽核纠正与预防措施执行情况;7、稽核工作任务执行情况;8、稽核6S、安全生产、上班考勤与工作纪律执行情况;9、稽核其它项目的执行情况。二、稽核处理工作:1、对责任部门进行现场处理;2、督导责任部门进行改善,要求其拟定纠正与预防措施;3、整理稽核资料,出具稽核报告,并将稽核情况如实向总经理反映;4、跟进、反馈改善结果。1、代表总经理对各部门、各岗位行使监督权、检查权、奖惩权;2、对稽核工作中发现的问题有督导改进权和奖罚权;3、相关信息与资源的获取权及其他部门的协同权。1、负有对公司各部门运作进行监控的责任;2、负有要求责任部门进行整改的责任;3、负有对违反规定的部门或个人进行处理的责任。职责上级主管总经理部门编号岗位编制持续改善的目的。批准5人映;

1、当您付费下载文档后,您只拥有了使用权限,并不意味着购买了版权,文档只能用于自身使用,不得用于其他商业用途(如 [转卖]进行直接盈利或[编辑后售卖]进行间接盈利)。
2、本站所有内容均由合作方或网友上传,本站不对文档的完整性、权威性及其观点立场正确性做任何保证或承诺!文档内容仅供研究参考,付费前请自行鉴别。
3、如文档内容存在违规,或者侵犯商业秘密、侵犯著作权等,请点击“违规举报”。

碎片内容

蜗牛文库的最新文档

二年级数学下册其中检测卷二年级数学下册其中检测卷附答案#期中测试卷.pdf
10.00金币
0下载
二年级数学下册期末质检卷(苏教版)二年级数学下册期末质检卷(苏教版)#期末复习 #期末测试卷 #二年级数学 #二年级数学下册#关注我持续更新小学知识.pdf
10.00金币
0下载
二年级数学下册期末混合运算专项练习二年级数学下册期末混合运算专项练习#二年级#二年级数学下册#关注我持续更新小学知识 #知识分享 #家长收藏孩子受益.pdf
10.00金币
1下载
二年级数学下册年月日三类周期问题解题方法二年级数学下册年月日三类周期问题解题方法#二年级#二年级数学下册#知识分享 #关注我持续更新小学知识 #家长收藏孩子受益.pdf
10.00金币
0下载
二年级数学下册解决问题专项训练二年级数学下册解决问题专项训练#专项训练#解决问题#二年级#二年级数学下册#知识分享.pdf
10.00金币
1下载
二年级数学下册还原问题二年级数学下册还原问题#二年级#二年级数学#关注我持续更新小学知识 #知识分享 #家长收藏孩子受益.pdf
10.00金币
1下载
二年级数学下册第六单元考试卷家长打印出来给孩子测试测试争取拿到高分!#小学二年级试卷分享 #二年级第六单考试数学 #第六单考试#二年级数学下册.pdf
10.00金币
0下载
二年级数学下册必背顺口溜口诀汇总二年级数学下册必背顺口溜口诀汇总#二年级#二年级数学下册 #知识分享 #家长收藏孩子受益 #关注我持续更新小学知识.pdf
10.00金币
0下载
二年级数学下册《重点难点思维题》两大问题解决技巧和方法巧算星期几解决周期问题还原问题强化思维训练老师精心整理家长可以打印出来给孩子练习#家长收藏孩子受益 #学霸秘籍 #思维训练 #二年级 #知识点总结.pdf
10.00金币
0下载
二年级数学下册 必背公式大全寒假提前背一背开学更轻松#二年级 #二年级数学 #二年级数学下册 #寒假充电计划 #公式.pdf
10.00金币
0下载
蜗牛文库+ 关注
实名认证
内容提供者

提供各种专业文档内容

确认删除?
QQ
  • QQ点击这里给我发消息
微信客服
  • 微信客服
回到顶部