电脑桌面
添加蜗牛文库到电脑桌面
安装后可以在桌面快捷访问

【生产部】生产主管岗位职责.xlsxVIP免费

【生产部】生产主管岗位职责.xlsx_第1页
【生产部】生产主管岗位职责.xlsx_第2页
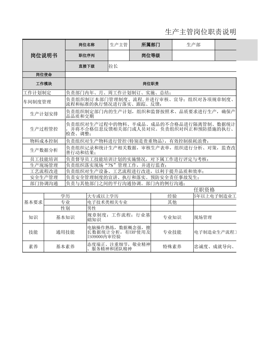
生产主管岗位职责说明书岗位说明书岗位名称生产主管所属部门生产部岗位编号职位序列岗位等级直接上级直接下级拉长岗位使命工作模块岗位职责工作计划制定负责部门内年、月、周工作计划制订、实施、总结;车间制度管理生产计划安排生产过程管控物料成本控制生产数据分析员工技能培训负责督导员工技能培训计划的实施情况,对下属工作进行评定与考核;生产现场管理工艺流程改进负责组织对生产设备、工艺流程进行改进,以利于提升品质和效率;安全生产管理负责安全管理制度的宣讲、执行和落实。预防安全责任事故发生;部门协调沟通负责与其他部门之间的平行沟通协调。部门内的例行沟通;任职资格基本要求学历大专或以上学历经验专业电子技术类相关专业其他性别男性知识基本知识专业知识现场管理技能通用技能专业技能电子制造业生产流程工艺,小批量多品种素养基本素养特殊素养忠诚度、成就导向、全局意识负责组织制订本部门管理制度、流程,并进行审核、宣导;组织对各项规章制度、流程和标准的执行情况进行落实、跟踪、反馈;负责组织制定部门内的生产计划,组织和监督按照术、品质要求进行生产,确保产品品质和交期负责组织对生产过程中的物料、半成品、成品的不合格品进行隔离管制、数据统计,并将不合格信息反馈相关部门或人员对应。负责组织对纠正和预防措施的执行、检查、调整;负责组织对生产物料进行管控(特别是贵重物品),有效控制损耗浪费;负责组织记录和统计生产相关数据,审核生产表单,组织进行分析、对策,监查改善行动和结果;负责组织落实现场“7S”管理工作,并进行监查;5年以上电子制造业工作经验,至少3年以规章制度;工作流程;行业基础知识电脑操作熟练,数据概念强,擅长数据统计分析,有ERP使用及ISO9000内审经验态度端正、注重细节,敬业精神、服务精神和团队精神职责说明书岗位编号直接上级制造副总管理权限工作申报审核批准执行监督频率YYYY周YYYY日Y周YYY日YY日YYYY日YYY月YY日YYY周YYY日YYY日格业生产流程工艺,小批量多品种订单生产成就导向、全局意识电子制造业工作经验,至少3年以上生产主管实际工作经验。

1、当您付费下载文档后,您只拥有了使用权限,并不意味着购买了版权,文档只能用于自身使用,不得用于其他商业用途(如 [转卖]进行直接盈利或[编辑后售卖]进行间接盈利)。
2、本站所有内容均由合作方或网友上传,本站不对文档的完整性、权威性及其观点立场正确性做任何保证或承诺!文档内容仅供研究参考,付费前请自行鉴别。
3、如文档内容存在违规,或者侵犯商业秘密、侵犯著作权等,请点击“违规举报”。

碎片内容

蜗牛文库的最新文档

二年级数学下册其中检测卷二年级数学下册其中检测卷附答案#期中测试卷.pdf
10.00金币
0下载
二年级数学下册期末质检卷(苏教版)二年级数学下册期末质检卷(苏教版)#期末复习 #期末测试卷 #二年级数学 #二年级数学下册#关注我持续更新小学知识.pdf
10.00金币
0下载
二年级数学下册期末混合运算专项练习二年级数学下册期末混合运算专项练习#二年级#二年级数学下册#关注我持续更新小学知识 #知识分享 #家长收藏孩子受益.pdf
10.00金币
1下载
二年级数学下册年月日三类周期问题解题方法二年级数学下册年月日三类周期问题解题方法#二年级#二年级数学下册#知识分享 #关注我持续更新小学知识 #家长收藏孩子受益.pdf
10.00金币
0下载
二年级数学下册解决问题专项训练二年级数学下册解决问题专项训练#专项训练#解决问题#二年级#二年级数学下册#知识分享.pdf
10.00金币
1下载
二年级数学下册还原问题二年级数学下册还原问题#二年级#二年级数学#关注我持续更新小学知识 #知识分享 #家长收藏孩子受益.pdf
10.00金币
1下载
二年级数学下册第六单元考试卷家长打印出来给孩子测试测试争取拿到高分!#小学二年级试卷分享 #二年级第六单考试数学 #第六单考试#二年级数学下册.pdf
10.00金币
0下载
二年级数学下册必背顺口溜口诀汇总二年级数学下册必背顺口溜口诀汇总#二年级#二年级数学下册 #知识分享 #家长收藏孩子受益 #关注我持续更新小学知识.pdf
10.00金币
0下载
二年级数学下册《重点难点思维题》两大问题解决技巧和方法巧算星期几解决周期问题还原问题强化思维训练老师精心整理家长可以打印出来给孩子练习#家长收藏孩子受益 #学霸秘籍 #思维训练 #二年级 #知识点总结.pdf
10.00金币
0下载
二年级数学下册 必背公式大全寒假提前背一背开学更轻松#二年级 #二年级数学 #二年级数学下册 #寒假充电计划 #公式.pdf
10.00金币
0下载
蜗牛文库+ 关注
实名认证
内容提供者

提供各种专业文档内容

确认删除?
QQ
  • QQ点击这里给我发消息
微信客服
  • 微信客服
回到顶部