电脑桌面
添加蜗牛文库到电脑桌面
安装后可以在桌面快捷访问

装饰装修工程监理细则资料.docVIP免费

装饰装修工程监理细则资料.doc_第1页
装饰装修工程监理细则资料.doc_第2页
装饰装修工程监理细则资料.doc_第3页
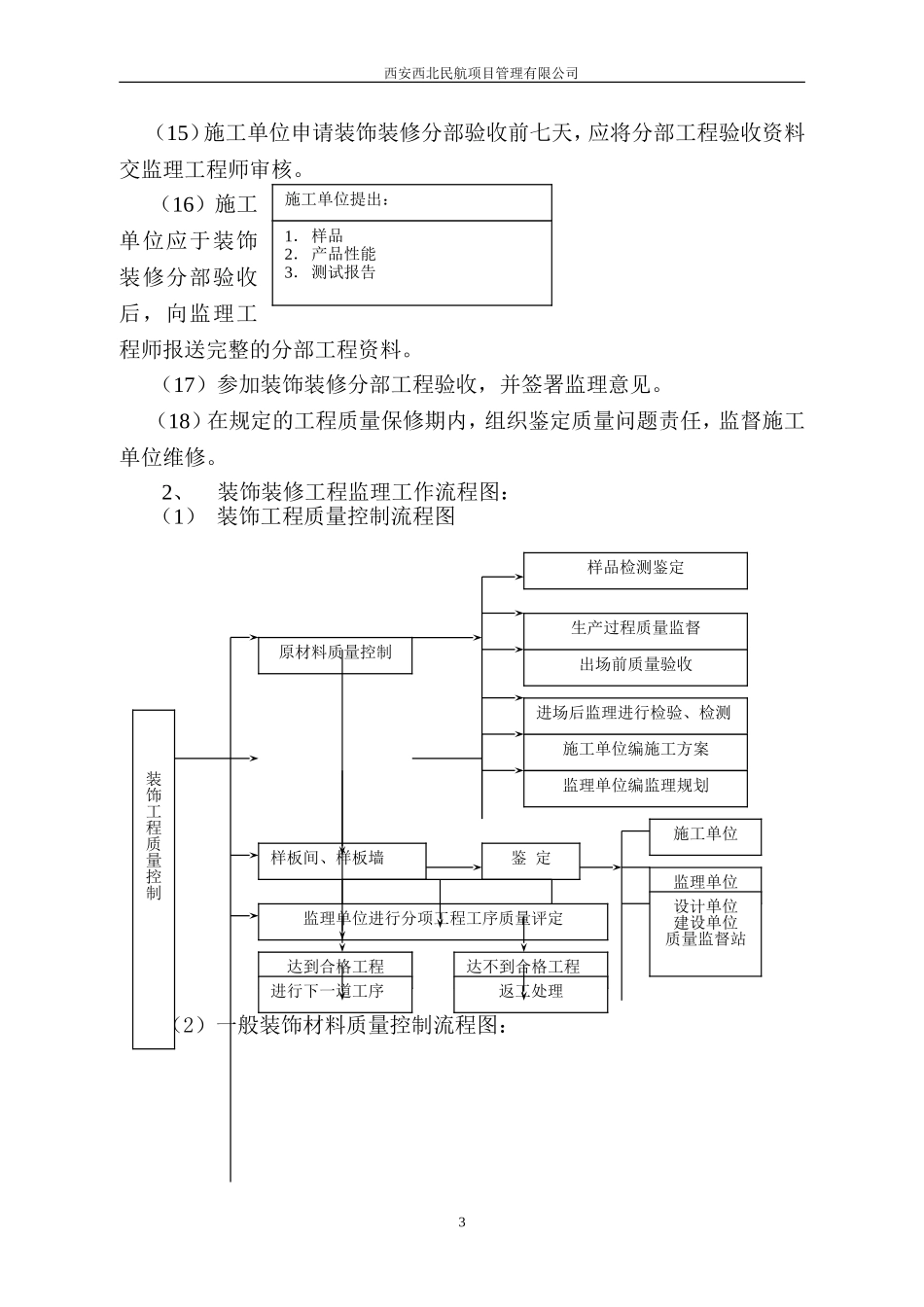
西安西北民航项目管理有限公司一、本工程装饰装修分部工程的特点:1、编制依据标准(1)本工程装饰装修的施工图纸。(2)上级主管部门和建设单位对该工程项目的有关要求。(3)经审批的监理大纲、监理规划、监理委托合同。(4)经审批的施工组织设计,工程施工承包合同、工程的预算文件。(5)国家的有关规定、规范、规程。2、本工程使用的规范及图集GB50209-2002建筑地面工程施工质量验收标准GB50210-2001建筑装饰装修工程质量验收规范JGJ133-2001金属与石材幕墙工程技术规范GB50325-2001民用建筑室内环境污染控制规范GB50327-2001住宅装饰装修工程施工规范DB31/T30-2003住宅装饰装修验收标准JGJ145-2004混凝土后锚固技术规程外装修、内装修、卫生间、盥洗室图集3、本工程概装饰装修特点:(1)本工程装饰装修分部特点:与基础、主体工程相比较,建筑装饰装修工程具有工艺复杂、材料品种繁多、施工方法灵活多变、艺术效果强烈等特点。本工程装饰装修分部的主要内容有:地面工程:抹灰工程、门窗工程、吊顶工程、饰面板(砖)工程、涂饰工程、细部工程。本工程为改造工程,先拆除旧的装饰装修,再进行装饰装修。(一)装饰装修分部工程监理工作的流程:1、装饰装修分部工程监理工作程序:(1)装饰装修监理人员及时到位,尽快熟悉装修图纸,做到图纸熟悉,配合好施工单位,不影响现场工作;(2)依据监理规划编制详尽的装饰装修监理细则报业主审批;1(3)审查施工单位制定的施工组织设计中装饰装修分部的施工方案是否符合现场实际情况,切实可行;(4)审查施工单位装饰装修分部的技术交底,审查施工单位装饰装修质量自检、互检、专检、工序交接检查的制度及资料;(5)审查施工单位提供的装饰装修材料、构配件和设备合格证及复试报告,经监理工程师审批后方可采用。装饰装修材料变更时,需事前征得建设单位及监理的同意,否则监理工程师有权禁止使用。(6)各类在装饰装修工程中的配合比、钢筋焊接、植筋、后锚固及其它新材料、新工艺、新技术的使用,需在事前报送试配,试焊结果及技术资料,经监理工程师审批后方可使用。(7)监理工程师对装饰装修每道工序的质量进行旁站或巡视监理,施工单位在每道工序施工前进行施工技术书面交底,每道工序完成后进行质量自检,自检合格后将自检资料及相关技术资料送交监理工程师。经监理工程师认可后方可进行下一道工序施工。(8)严格“三检”制度,坚决执行各专业会签制度。(9)装饰装修中的隐蔽工程完成...

1、当您付费下载文档后,您只拥有了使用权限,并不意味着购买了版权,文档只能用于自身使用,不得用于其他商业用途(如 [转卖]进行直接盈利或[编辑后售卖]进行间接盈利)。
2、本站所有内容均由合作方或网友上传,本站不对文档的完整性、权威性及其观点立场正确性做任何保证或承诺!文档内容仅供研究参考,付费前请自行鉴别。
3、如文档内容存在违规,或者侵犯商业秘密、侵犯著作权等,请点击“违规举报”。

碎片内容

蜗牛文库的最新文档

二年级数学下册其中检测卷二年级数学下册其中检测卷附答案#期中测试卷.pdf
10.00金币
0下载
二年级数学下册期末质检卷(苏教版)二年级数学下册期末质检卷(苏教版)#期末复习 #期末测试卷 #二年级数学 #二年级数学下册#关注我持续更新小学知识.pdf
10.00金币
0下载
二年级数学下册期末混合运算专项练习二年级数学下册期末混合运算专项练习#二年级#二年级数学下册#关注我持续更新小学知识 #知识分享 #家长收藏孩子受益.pdf
10.00金币
1下载
二年级数学下册年月日三类周期问题解题方法二年级数学下册年月日三类周期问题解题方法#二年级#二年级数学下册#知识分享 #关注我持续更新小学知识 #家长收藏孩子受益.pdf
10.00金币
0下载
二年级数学下册解决问题专项训练二年级数学下册解决问题专项训练#专项训练#解决问题#二年级#二年级数学下册#知识分享.pdf
10.00金币
1下载
二年级数学下册还原问题二年级数学下册还原问题#二年级#二年级数学#关注我持续更新小学知识 #知识分享 #家长收藏孩子受益.pdf
10.00金币
1下载
二年级数学下册第六单元考试卷家长打印出来给孩子测试测试争取拿到高分!#小学二年级试卷分享 #二年级第六单考试数学 #第六单考试#二年级数学下册.pdf
10.00金币
0下载
二年级数学下册必背顺口溜口诀汇总二年级数学下册必背顺口溜口诀汇总#二年级#二年级数学下册 #知识分享 #家长收藏孩子受益 #关注我持续更新小学知识.pdf
10.00金币
0下载
二年级数学下册《重点难点思维题》两大问题解决技巧和方法巧算星期几解决周期问题还原问题强化思维训练老师精心整理家长可以打印出来给孩子练习#家长收藏孩子受益 #学霸秘籍 #思维训练 #二年级 #知识点总结.pdf
10.00金币
0下载
二年级数学下册 必背公式大全寒假提前背一背开学更轻松#二年级 #二年级数学 #二年级数学下册 #寒假充电计划 #公式.pdf
10.00金币
0下载
蜗牛文库+ 关注
实名认证
内容提供者

提供各种专业文档内容

确认删除?
QQ
  • QQ点击这里给我发消息
微信客服
  • 微信客服
回到顶部