电脑桌面
添加蜗牛文库到电脑桌面
安装后可以在桌面快捷访问

酒店工程部管理规范标准精细化大全.docVIP免费

酒店工程部管理规范标准精细化大全.doc_第1页
酒店工程部管理规范标准精细化大全.doc_第2页
酒店工程部管理规范标准精细化大全.doc_第3页
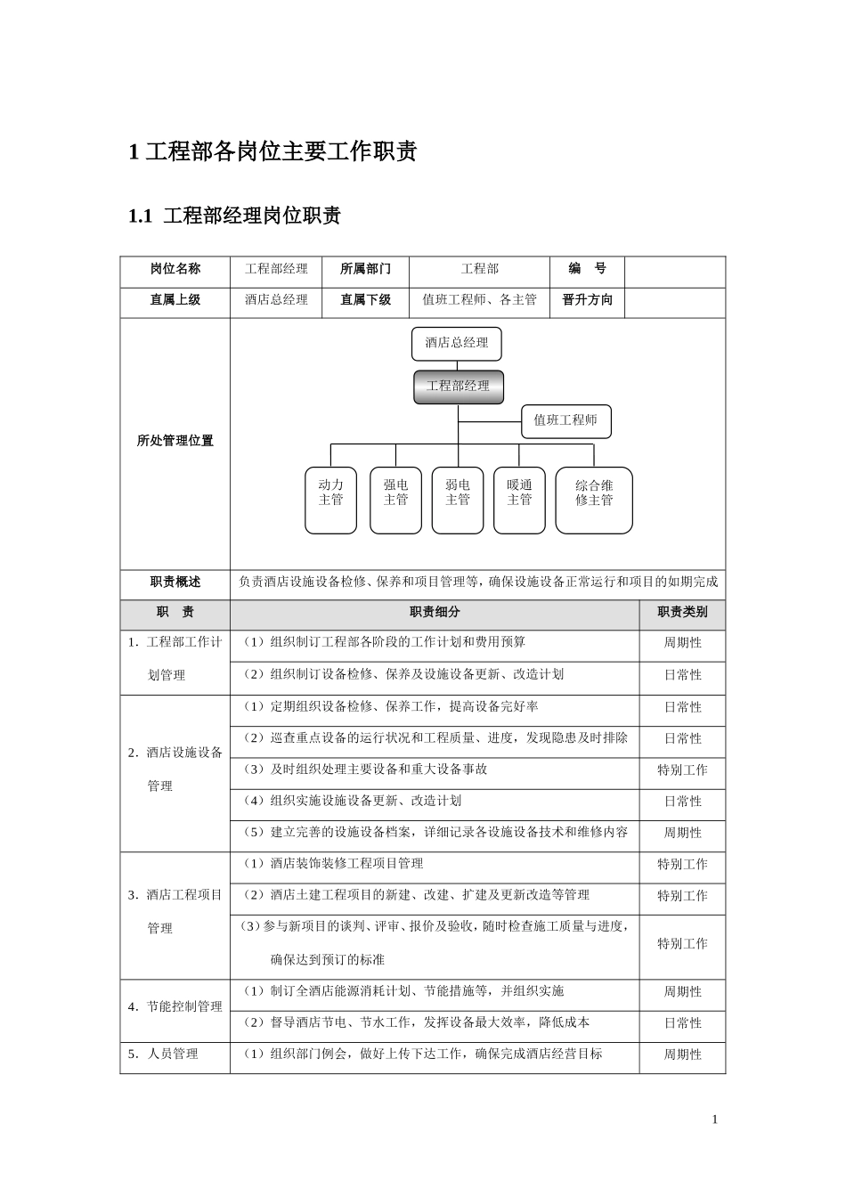
1工程部各岗位主要工作职责1.1工程部经理岗位职责岗位名称工程部经理所属部门工程部编号直属上级酒店总经理直属下级值班工程师、各主管晋升方向所处管理位置职责概述负责酒店设施设备检修、保养和项目管理等,确保设施设备正常运行和项目的如期完成职责职责细分职责类别1.工程部工作计划管理(1)组织制订工程部各阶段的工作计划和费用预算周期性(2)组织制订设备检修、保养及设施设备更新、改造计划日常性2.酒店设施设备管理(1)定期组织设备检修、保养工作,提高设备完好率日常性(2)巡查重点设备的运行状况和工程质量、进度,发现隐患及时排除日常性(3)及时组织处理主要设备和重大设备事故特别工作(4)组织实施设施设备更新、改造计划日常性(5)建立完善的设施设备档案,详细记录各设施设备技术和维修内容周期性3.酒店工程项目管理(1)酒店装饰装修工程项目管理特别工作(2)酒店土建工程项目的新建、改建、扩建及更新改造等管理特别工作(3)参与新项目的谈判、评审、报价及验收,随时检查施工质量与进度,确保达到预订的标准特别工作4.节能控制管理(1)制订全酒店能源消耗计划、节能措施等,并组织实施周期性(2)督导酒店节电、节水工作,发挥设备最大效率,降低成本日常性5.人员管理(1)组织部门例会,做好上传下达工作,确保完成酒店经营目标周期性酒店总经理值班工程师工程部经理动力主管强电主管弱电主管暖通主管综合维修主管1(2)配合人事行政部做好工程技能培训工作周期性(3)指导、监督下属人员工作,培养有发展潜力的下属人员日常性(4)做好下属人员的考核工作,按规定实施奖惩周期性6.其他工作(1)负责酒店防火、防风、防汛等工作,配合做好消防、安保工作日常性(2)协调并发展与酒店相关的市政等业务部门的关系,获得良好的外部环境日常性(3)征询各部门意见,不断改进、改造设施设备,保证其运转良好日常性1.2值班工程师岗位职责岗位名称值班工程师所属部门工程部编号直属上级工程部经理直属下级工程部值班人员晋升方向所处管理位置职责概述值班时,协助或代理工程部经理管理工程部,并受理各部门的设备报修及维修派工工作,处理发生的有关技术设备的维修事务,督导维修工作的具体落实职责职责细分职责类别1.代理工程部经理管理工作(1)根据交接班记录组织完成上一个班次未完成的事宜,并监督检查工程部各岗位的值班情况日常性(2)解答值班中各班提出的工程技术咨询,指导日常维修工作日常性(3)填写...

1、当您付费下载文档后,您只拥有了使用权限,并不意味着购买了版权,文档只能用于自身使用,不得用于其他商业用途(如 [转卖]进行直接盈利或[编辑后售卖]进行间接盈利)。
2、本站所有内容均由合作方或网友上传,本站不对文档的完整性、权威性及其观点立场正确性做任何保证或承诺!文档内容仅供研究参考,付费前请自行鉴别。
3、如文档内容存在违规,或者侵犯商业秘密、侵犯著作权等,请点击“违规举报”。

碎片内容

蜗牛文库的最新文档

二年级数学下册其中检测卷二年级数学下册其中检测卷附答案#期中测试卷.pdf
10.00金币
0下载
二年级数学下册期末质检卷(苏教版)二年级数学下册期末质检卷(苏教版)#期末复习 #期末测试卷 #二年级数学 #二年级数学下册#关注我持续更新小学知识.pdf
10.00金币
0下载
二年级数学下册期末混合运算专项练习二年级数学下册期末混合运算专项练习#二年级#二年级数学下册#关注我持续更新小学知识 #知识分享 #家长收藏孩子受益.pdf
10.00金币
1下载
二年级数学下册年月日三类周期问题解题方法二年级数学下册年月日三类周期问题解题方法#二年级#二年级数学下册#知识分享 #关注我持续更新小学知识 #家长收藏孩子受益.pdf
10.00金币
0下载
二年级数学下册解决问题专项训练二年级数学下册解决问题专项训练#专项训练#解决问题#二年级#二年级数学下册#知识分享.pdf
10.00金币
1下载
二年级数学下册还原问题二年级数学下册还原问题#二年级#二年级数学#关注我持续更新小学知识 #知识分享 #家长收藏孩子受益.pdf
10.00金币
1下载
二年级数学下册第六单元考试卷家长打印出来给孩子测试测试争取拿到高分!#小学二年级试卷分享 #二年级第六单考试数学 #第六单考试#二年级数学下册.pdf
10.00金币
0下载
二年级数学下册必背顺口溜口诀汇总二年级数学下册必背顺口溜口诀汇总#二年级#二年级数学下册 #知识分享 #家长收藏孩子受益 #关注我持续更新小学知识.pdf
10.00金币
0下载
二年级数学下册《重点难点思维题》两大问题解决技巧和方法巧算星期几解决周期问题还原问题强化思维训练老师精心整理家长可以打印出来给孩子练习#家长收藏孩子受益 #学霸秘籍 #思维训练 #二年级 #知识点总结.pdf
10.00金币
0下载
二年级数学下册 必背公式大全寒假提前背一背开学更轻松#二年级 #二年级数学 #二年级数学下册 #寒假充电计划 #公式.pdf
10.00金币
0下载
蜗牛文库+ 关注
实名认证
内容提供者

提供各种专业文档内容

确认删除?
QQ
  • QQ点击这里给我发消息
微信客服
  • 微信客服
回到顶部