电脑桌面
添加蜗牛文库到电脑桌面
安装后可以在桌面快捷访问

监理公司技术管理制度.docVIP免费

监理公司技术管理制度.doc_第1页
监理公司技术管理制度.doc_第2页
监理公司技术管理制度.doc_第3页
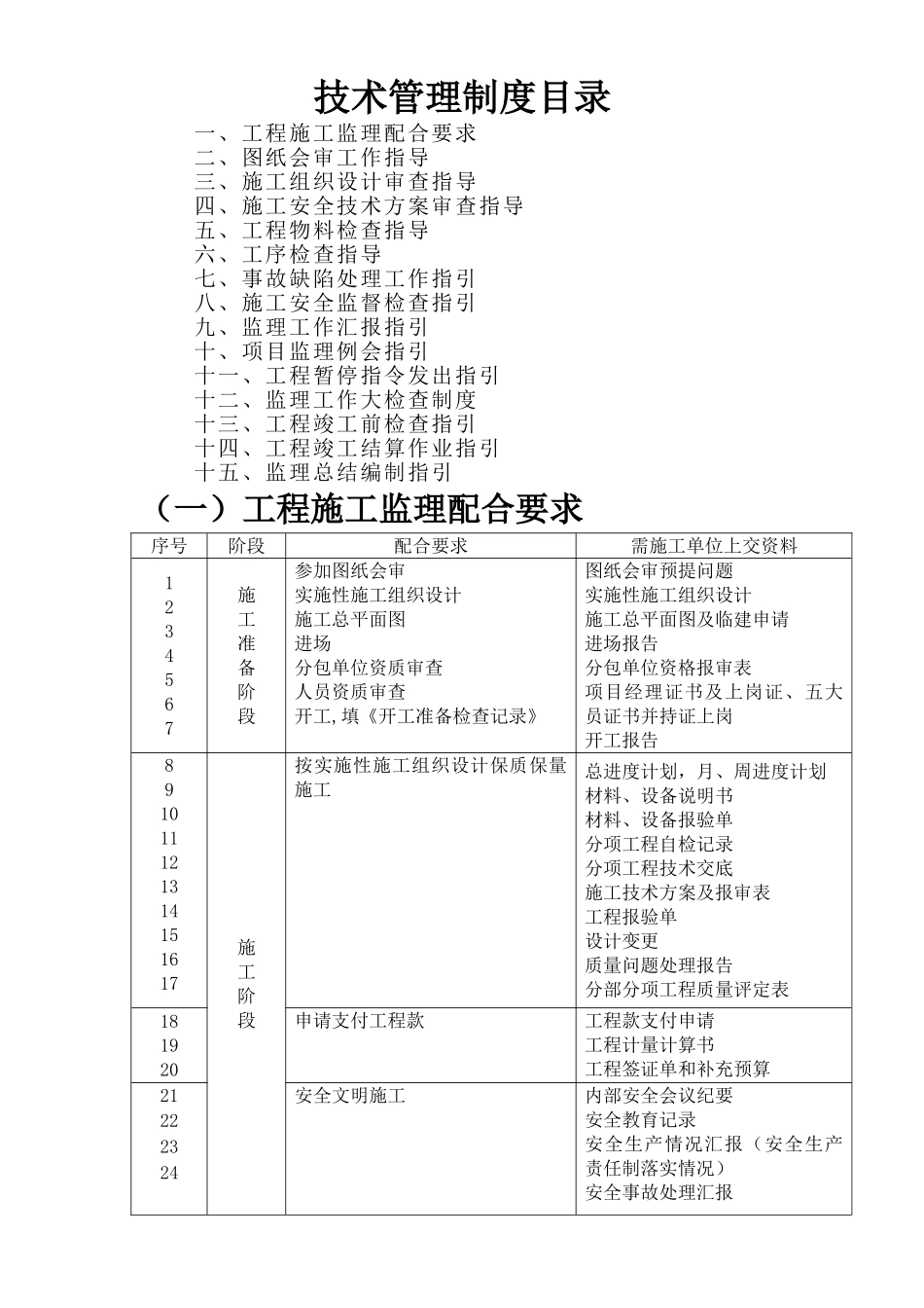
技术管理制度目录一、工程施工监理配合要求二、图纸会审工作指导三、施工组织设计审查指导四、施工安全技术方案审查指导五、工程物料检查指导六、工序检查指导七、事故缺陷处理工作指引八、施工安全监督检查指引九、监理工作汇报指引十、项目监理例会指引十一、工程暂停指令发出指引十二、监理工作大检查制度十三、工程竣工前检查指引十四、工程竣工结算作业指引十五、监理总结编制指引(一)工程施工监理配合要求序号阶段配合要求需施工单位上交资料1234567施工准备阶段参加图纸会审实施性施工组织设计施工总平面图进场分包单位资质审查人员资质审查开工,填《开工准备检查记录》图纸会审预提问题实施性施工组织设计施工总平面图及临建申请进场报告分包单位资格报审表项目经理证书及上岗证、五大员证书并持证上岗开工报告891011121314151617施工阶段按实施性施工组织设计保质保量施工总进度计划,月、周进度计划材料、设备说明书材料、设备报验单分项工程自检记录分项工程技术交底施工技术方案及报审表工程报验单设计变更质量问题处理报告分部分项工程质量评定表181920申请支付工程款工程款支付申请工程计量计算书工程签证单和补充预算21安全文明施工内部安全会议纪要安全教育记录安全生产情况汇报(安全生产责任制落实情况)安全事故处理汇报22232425竣工阶段组织工程内部验收和整改移交工程决算申请竣工图工程总结报告工程竣工验收申请表2627282930保修阶段组织保修期内缺陷修复遗留问题处理报告(二)图纸会审工作指导项目监理部监理人员在图纸会审会议之前,应仔细阅读、审查图纸.检查内容如下:2。1图纸是否齐全;2。2设计总说明是否与各专业图纸说明一致,设计图纸是否签署齐全且均加盖有法人单位出图专用章;2。3各专业图中有无笔误;2.4图纸前后、上下衔接有无问题;2.5建筑、结构、水、电等各专业之间有无矛盾;同一专业图纸之间或详图与总图之间,有无尺寸偏差或前后、上下矛盾,是否能满足施工需要?2。6本工程是否做了地质详勘?施工图纸的设计深度是否真实反映了现场地形、地貌?是否具有可操作性?2.7按设计要求,现有施工工艺能否实现,是否需要修改?2.8按设计要求,有无安全问题?2.9项目总监或总监代表组织各专业监理工程师提出图纸审查意见,交施工单位按规定表格要求统一整理后,由设计单位作答。(三)施工组织设计审查指导施工组织设计应在项目开工前由施工单位编写完成,并呈报监理工程师和业主。项目监理部主要审查内容如下:3...

1、当您付费下载文档后,您只拥有了使用权限,并不意味着购买了版权,文档只能用于自身使用,不得用于其他商业用途(如 [转卖]进行直接盈利或[编辑后售卖]进行间接盈利)。
2、本站所有内容均由合作方或网友上传,本站不对文档的完整性、权威性及其观点立场正确性做任何保证或承诺!文档内容仅供研究参考,付费前请自行鉴别。
3、如文档内容存在违规,或者侵犯商业秘密、侵犯著作权等,请点击“违规举报”。

碎片内容

蜗牛文库的最新文档

二年级数学下册其中检测卷二年级数学下册其中检测卷附答案#期中测试卷.pdf
10.00金币
0下载
二年级数学下册期末质检卷(苏教版)二年级数学下册期末质检卷(苏教版)#期末复习 #期末测试卷 #二年级数学 #二年级数学下册#关注我持续更新小学知识.pdf
10.00金币
0下载
二年级数学下册期末混合运算专项练习二年级数学下册期末混合运算专项练习#二年级#二年级数学下册#关注我持续更新小学知识 #知识分享 #家长收藏孩子受益.pdf
10.00金币
1下载
二年级数学下册年月日三类周期问题解题方法二年级数学下册年月日三类周期问题解题方法#二年级#二年级数学下册#知识分享 #关注我持续更新小学知识 #家长收藏孩子受益.pdf
10.00金币
0下载
二年级数学下册解决问题专项训练二年级数学下册解决问题专项训练#专项训练#解决问题#二年级#二年级数学下册#知识分享.pdf
10.00金币
1下载
二年级数学下册还原问题二年级数学下册还原问题#二年级#二年级数学#关注我持续更新小学知识 #知识分享 #家长收藏孩子受益.pdf
10.00金币
1下载
二年级数学下册第六单元考试卷家长打印出来给孩子测试测试争取拿到高分!#小学二年级试卷分享 #二年级第六单考试数学 #第六单考试#二年级数学下册.pdf
10.00金币
0下载
二年级数学下册必背顺口溜口诀汇总二年级数学下册必背顺口溜口诀汇总#二年级#二年级数学下册 #知识分享 #家长收藏孩子受益 #关注我持续更新小学知识.pdf
10.00金币
0下载
二年级数学下册《重点难点思维题》两大问题解决技巧和方法巧算星期几解决周期问题还原问题强化思维训练老师精心整理家长可以打印出来给孩子练习#家长收藏孩子受益 #学霸秘籍 #思维训练 #二年级 #知识点总结.pdf
10.00金币
0下载
二年级数学下册 必背公式大全寒假提前背一背开学更轻松#二年级 #二年级数学 #二年级数学下册 #寒假充电计划 #公式.pdf
10.00金币
0下载
蜗牛文库+ 关注
实名认证
内容提供者

提供各种专业文档内容

确认删除?
QQ
  • QQ点击这里给我发消息
微信客服
  • 微信客服
回到顶部