电脑桌面
添加蜗牛文库到电脑桌面
安装后可以在桌面快捷访问

华能电力定员标准.docVIP免费

华能电力定员标准.doc_第1页
华能电力定员标准.doc_第2页
华能电力定员标准.doc_第3页
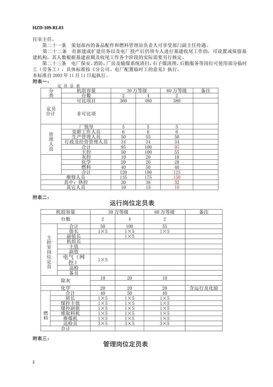
华能国际电力股份有限公司管理制度HZD-109-RL03火力发电厂机构及定员标准2003-11-11发布2003-11-11实施华能国际电力股份有限公司发布HHZDZDHZD-109-RL03华能国际电力股份有限公司火力发电厂机构及定员标准第一章总则第一条为规范华能国际电力股份有限公司(以下称“公司”)组织机构及岗位定员标准,特制定本标准。第二条本标准适用于公司所属单机容量为300MW及以上火力发电厂。200MW及以下容量的电厂,由公司参考行业有关标准另行核定;新建电厂另行核定。第三条公司人力资源部是公司机构及定员工作的归口管理部门。第四条各电厂按本标准设置机构和配备人员,在总定员和管理岗位定员均不增加的前提下,经公司批准后,可以对各部门定员做适当调剂。第五条定员标准界定范围内的运行、管理和维修人员,为电厂主业人员。非华能正式职工,不得在主业混岗工作。第二章组织机构设置第六条为规范电厂的组织机构,主业统一设置八个部,即行政部、财务及经营部(财经部)、人力资源部(人资部)、政治工作部(政工部)、策划部、运行部、检修部、燃料部。第七条政工部负责党务(组织、宣传、纪检)、工会、共青团等工作。根据工作需要,工会、共青团组织可独立行使其职能。第八条保卫消防管理设在行政部,有关主管部门有特殊要求的对外可保留相应名称。第九条策划部为电厂生产、计划、技术、安全、合同协议等综合管理部门。为加强备品配件及燃料计划、采购的管理,拥有两台机组的电厂,在策划部内设物资、备品配件及燃料管理站。拥有四台机组的电厂可在策划部内设物资、备品配件及燃料管理站或分别设物资、备品配件管理站和燃料管理站。第十条检修部是设备主管,负责设备日常维修、消除设备缺陷、临时检修、事故性抢修和热控、继保、通讯设备大、小修;负责全部或部分主、辅设备大、小修工作及全过程安全、质量、进度的管理。第十一条电厂可设立实业公司和综合服务公司。实业公司是独立经济实体,实行自主经营,独立核算,自负盈亏。根据需要,下设若干经济实体。综合服务公司是从事主业的生活后勤保障工作的公司,工作范围包括:保卫消防、食堂、环境绿化、托儿所、医务等。综合服务公司是实业公司的下属单位,与主业是经济承包的关系。第三章定员标准第十二条电厂定员的界定范围:汽轮机、锅炉、发电机主辅设备、化学、除灰、除尘、燃料及燃油设备等全过程运行、维修及热控、继保、通讯设备的维护、小修和部分大修工程等岗位;电厂生产、经营、行政管理岗...

1、当您付费下载文档后,您只拥有了使用权限,并不意味着购买了版权,文档只能用于自身使用,不得用于其他商业用途(如 [转卖]进行直接盈利或[编辑后售卖]进行间接盈利)。
2、本站所有内容均由合作方或网友上传,本站不对文档的完整性、权威性及其观点立场正确性做任何保证或承诺!文档内容仅供研究参考,付费前请自行鉴别。
3、如文档内容存在违规,或者侵犯商业秘密、侵犯著作权等,请点击“违规举报”。

碎片内容

蜗牛文库的最新文档

二年级数学下册其中检测卷二年级数学下册其中检测卷附答案#期中测试卷.pdf
10.00金币
0下载
二年级数学下册期末质检卷(苏教版)二年级数学下册期末质检卷(苏教版)#期末复习 #期末测试卷 #二年级数学 #二年级数学下册#关注我持续更新小学知识.pdf
10.00金币
0下载
二年级数学下册期末混合运算专项练习二年级数学下册期末混合运算专项练习#二年级#二年级数学下册#关注我持续更新小学知识 #知识分享 #家长收藏孩子受益.pdf
10.00金币
1下载
二年级数学下册年月日三类周期问题解题方法二年级数学下册年月日三类周期问题解题方法#二年级#二年级数学下册#知识分享 #关注我持续更新小学知识 #家长收藏孩子受益.pdf
10.00金币
0下载
二年级数学下册解决问题专项训练二年级数学下册解决问题专项训练#专项训练#解决问题#二年级#二年级数学下册#知识分享.pdf
10.00金币
1下载
二年级数学下册还原问题二年级数学下册还原问题#二年级#二年级数学#关注我持续更新小学知识 #知识分享 #家长收藏孩子受益.pdf
10.00金币
1下载
二年级数学下册第六单元考试卷家长打印出来给孩子测试测试争取拿到高分!#小学二年级试卷分享 #二年级第六单考试数学 #第六单考试#二年级数学下册.pdf
10.00金币
0下载
二年级数学下册必背顺口溜口诀汇总二年级数学下册必背顺口溜口诀汇总#二年级#二年级数学下册 #知识分享 #家长收藏孩子受益 #关注我持续更新小学知识.pdf
10.00金币
0下载
二年级数学下册《重点难点思维题》两大问题解决技巧和方法巧算星期几解决周期问题还原问题强化思维训练老师精心整理家长可以打印出来给孩子练习#家长收藏孩子受益 #学霸秘籍 #思维训练 #二年级 #知识点总结.pdf
10.00金币
0下载
二年级数学下册 必背公式大全寒假提前背一背开学更轻松#二年级 #二年级数学 #二年级数学下册 #寒假充电计划 #公式.pdf
10.00金币
0下载
蜗牛文库+ 关注
实名认证
内容提供者

提供各种专业文档内容

确认删除?
QQ
  • QQ点击这里给我发消息
微信客服
  • 微信客服
回到顶部