电脑桌面
添加蜗牛文库到电脑桌面
安装后可以在桌面快捷访问

典型作业伤害应急处置告知卡(全套).docVIP免费

典型作业伤害应急处置告知卡(全套).doc_第1页
典型作业伤害应急处置告知卡(全套).doc_第2页
典型作业伤害应急处置告知卡(全套).doc_第3页
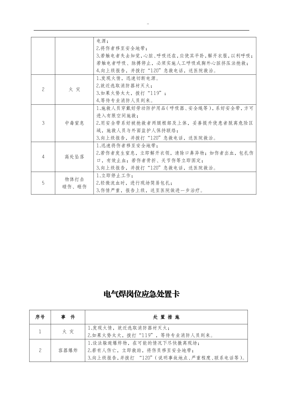
..综合维修岗位应急处置卡序号事件处置措施1高处坠落1.迅速将伤者移至安全地带;2.若伤者发生窒息,立即解开衣领,清除口鼻异物;如伤者出血,包扎伤口,有效止血;若伤者骨折、关节伤等立即固定;3.向上级报告,并拨打“120”急救电话,送医院救治。2触电1.迅速切断电源,或者用绝缘物体挑开电线或带电物体,使伤者尽快脱离电源;2.将伤者移至安全地带;3.若触电者失去知觉,心脏、呼吸还在,应使其平卧,解开衣服,以利呼吸;若触电者呼吸、脉搏停止,必须实施人工呼吸或胸外心脏挤压法抢救;4.向上级报告,并拨打“120”急救电话,送医院救治。3中毒窒息1.施救人员穿戴好劳动防护用品(呼吸器、安全绳等),系好安全带,方可进入有限空间施救;2.用安全带系好被抢救者两腿根部及上体,妥善提升使患者脱离危险区域,施救人员与外面监护人保持联络;3.向上级报告,并拨打“120”急救电话,送医院救治。4机械伤害1.立即断电使机械停止运转;2.采取正确的方法使伤者的受伤部位与机器脱离;3.报告上级,根据情况,拨打“119”、“120”急救电话;4.对伤者进行简单包扎,等待救援。5灼烫1.转移至安全地带;2.用清水冲洗烫伤部位;3.伤情严重上医院作进一步治疗。6物体打击碰伤、砸伤1.立即停止工作;2.伤者轻微流血时,进行现场简易包扎;3.伤情严重,报告上级,送至医院做进一步治疗。变配电岗位应急处置卡序号事件处置措施1触电1.迅速切断电源,或者用绝缘物体挑开电线或带电物体,使伤者尽快脱离..电源;2.将伤者移至安全地带;3.若触电者失去知觉,心脏、呼吸还在,应使其平卧,解开衣服,以利呼吸;若触电者呼吸、脉搏停止,必须实施人工呼吸或胸外心脏挤压法抢救;4.向上级报告,并拨打“120”急救电话,送医院救治。2火灾1.发现火情,迅速切断电源。2.就近选取消防器材灭火;3.如果火势太大,拨打“119”;4.等待专业消防人员到来。3中毒窒息1.施救人员穿戴好劳动防护用品(呼吸器、安全绳等),系好安全带,方可进入有限空间施救;2.用安全带系好被抢救者两腿根部及上体,妥善提升使患者脱离危险区域,施救人员与外面监护人保持联络;3.向上级报告,并拨打“120”急救电话,送医院救治。4高处坠落1.迅速将伤者移至安全地带;2.若伤者发生窒息,立即解开衣领,清除口鼻异物;如伤者出血,包扎伤口,有效止血;若伤者骨折、关节伤等立即固定;3.向上级报告,并拨打“120”急救电话,送医院救治。5物体打击碰伤、砸伤1.立即停止工作;2.轻微流血...

1、当您付费下载文档后,您只拥有了使用权限,并不意味着购买了版权,文档只能用于自身使用,不得用于其他商业用途(如 [转卖]进行直接盈利或[编辑后售卖]进行间接盈利)。
2、本站所有内容均由合作方或网友上传,本站不对文档的完整性、权威性及其观点立场正确性做任何保证或承诺!文档内容仅供研究参考,付费前请自行鉴别。
3、如文档内容存在违规,或者侵犯商业秘密、侵犯著作权等,请点击“违规举报”。

碎片内容

蜗牛文库的最新文档

二年级数学下册其中检测卷二年级数学下册其中检测卷附答案#期中测试卷.pdf
10.00金币
0下载
二年级数学下册期末质检卷(苏教版)二年级数学下册期末质检卷(苏教版)#期末复习 #期末测试卷 #二年级数学 #二年级数学下册#关注我持续更新小学知识.pdf
10.00金币
0下载
二年级数学下册期末混合运算专项练习二年级数学下册期末混合运算专项练习#二年级#二年级数学下册#关注我持续更新小学知识 #知识分享 #家长收藏孩子受益.pdf
10.00金币
1下载
二年级数学下册年月日三类周期问题解题方法二年级数学下册年月日三类周期问题解题方法#二年级#二年级数学下册#知识分享 #关注我持续更新小学知识 #家长收藏孩子受益.pdf
10.00金币
0下载
二年级数学下册解决问题专项训练二年级数学下册解决问题专项训练#专项训练#解决问题#二年级#二年级数学下册#知识分享.pdf
10.00金币
1下载
二年级数学下册还原问题二年级数学下册还原问题#二年级#二年级数学#关注我持续更新小学知识 #知识分享 #家长收藏孩子受益.pdf
10.00金币
1下载
二年级数学下册第六单元考试卷家长打印出来给孩子测试测试争取拿到高分!#小学二年级试卷分享 #二年级第六单考试数学 #第六单考试#二年级数学下册.pdf
10.00金币
0下载
二年级数学下册必背顺口溜口诀汇总二年级数学下册必背顺口溜口诀汇总#二年级#二年级数学下册 #知识分享 #家长收藏孩子受益 #关注我持续更新小学知识.pdf
10.00金币
0下载
二年级数学下册《重点难点思维题》两大问题解决技巧和方法巧算星期几解决周期问题还原问题强化思维训练老师精心整理家长可以打印出来给孩子练习#家长收藏孩子受益 #学霸秘籍 #思维训练 #二年级 #知识点总结.pdf
10.00金币
0下载
二年级数学下册 必背公式大全寒假提前背一背开学更轻松#二年级 #二年级数学 #二年级数学下册 #寒假充电计划 #公式.pdf
10.00金币
0下载
蜗牛文库+ 关注
实名认证
内容提供者

提供各种专业文档内容

确认删除?
QQ
  • QQ点击这里给我发消息
微信客服
  • 微信客服
回到顶部