电脑桌面
添加蜗牛文库到电脑桌面
安装后可以在桌面快捷访问

测绘公司质量管理体系文件 (2).docVIP免费

测绘公司质量管理体系文件 (2).doc_第1页
测绘公司质量管理体系文件 (2).doc_第2页
测绘公司质量管理体系文件 (2).doc_第3页
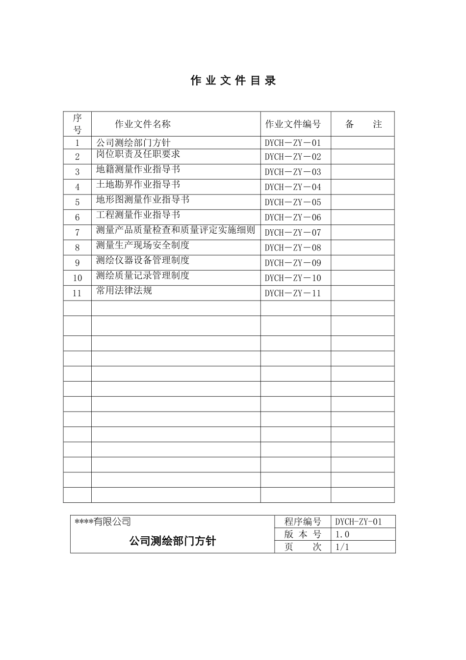
质量管理体系文件测绘质量管理体系文件作业文件目录序号作业文件名称作业文件编号备注1公司测绘部门方针DYCH―ZY―012岗位职责及任职要求DYCH―ZY―023地籍测量作业指导书DYCH―ZY―034土地勘界作业指导书DYCH―ZY―045地形图测量作业指导书DYCH―ZY―056工程测量作业指导书DYCH―ZY―067测量产品质量检查和质量评定实施细则DYCH―ZY―078测量生产现场安全制度DYCH―ZY―089测绘仪器设备管理制度DYCH―ZY―0910测绘质量记录管理制度DYCH―ZY―1011常用法律法规DYCH―ZY―11****有限公司公司测绘部门方针程序编号DYCH-ZY-01版本号1.0页次1/1服务**专注**诚信守诺客户至上保障质量注重细节团结合作共展蓝图****有限公司质量管理体系文件岗位职责及任职要求作业编号:DYCH-ZY-01版本号:1.0受控状态:受控号:编写:审核:批准:****有限公司文件更改控制记录版本号1.0页次序号更改通知号更改章节条款更改内容更改人更改日期****有限公司岗位职责及任职要求程序编号DYCH-ZY-02版本号1.0页次1/3岗位/部门岗位职责总经理1负责制定实施质量方针、质量目标;2负责质量管理体系的策划,批准发布质量体系文件,主持管理评审,保持质量体系的适宜性和有效性,保持体系变更的完整性;3负责任命人员岗位,确保组织内的职责权限得到规定和沟通;4确保必要的人财物资源的获得,使之适应设计产品质量要求;5经营市场的拓展,确保公司业务的获得;6组织全体员工进行质量教育和技能培训,以确保全体员工的业务水平不断提高,适应市场的要求。7负责勘测项目的接受以及勘测任务的下达;负责与勘测项目委托单位合同的签定。办公室1负责公司安全保卫和后勤保障服务工作;2负责公司固定资产管理,办公用品的购置、登记、入库等工作;3负责公司机动车辆的维护、使用管理;4管理公司印章,介绍信管理工作;5分管公司档案管理工作;6分管公司的财务工作;7协助总经理进行公司内部人事工作;8负责公司员工职称申报、业绩考核工作;9完成领导交办的其他任务。部门经理1负责公司质量管理体系建设及体系运行监督、改正工作;2负责公司内部测绘成果的最终审核;3负责重大技术问题的处理工作;4负责对技术设计、技术总结的审核工作;5负责组织实施勘察,使勘察产品满足顾客和规范规程的要求;6参与组织评审及不合格品的控制;7参与组织编发专业岗位上岗人员资格要求(《岗位人员能力要求》)及负责实施人员专业技术培训;8负责勘测标准、规范、规程及其配套的标准图、通用图的标识...

1、当您付费下载文档后,您只拥有了使用权限,并不意味着购买了版权,文档只能用于自身使用,不得用于其他商业用途(如 [转卖]进行直接盈利或[编辑后售卖]进行间接盈利)。
2、本站所有内容均由合作方或网友上传,本站不对文档的完整性、权威性及其观点立场正确性做任何保证或承诺!文档内容仅供研究参考,付费前请自行鉴别。
3、如文档内容存在违规,或者侵犯商业秘密、侵犯著作权等,请点击“违规举报”。

碎片内容

蜗牛文库的最新文档

二年级数学下册其中检测卷二年级数学下册其中检测卷附答案#期中测试卷.pdf
10.00金币
0下载
二年级数学下册期末质检卷(苏教版)二年级数学下册期末质检卷(苏教版)#期末复习 #期末测试卷 #二年级数学 #二年级数学下册#关注我持续更新小学知识.pdf
10.00金币
0下载
二年级数学下册期末混合运算专项练习二年级数学下册期末混合运算专项练习#二年级#二年级数学下册#关注我持续更新小学知识 #知识分享 #家长收藏孩子受益.pdf
10.00金币
1下载
二年级数学下册年月日三类周期问题解题方法二年级数学下册年月日三类周期问题解题方法#二年级#二年级数学下册#知识分享 #关注我持续更新小学知识 #家长收藏孩子受益.pdf
10.00金币
0下载
二年级数学下册解决问题专项训练二年级数学下册解决问题专项训练#专项训练#解决问题#二年级#二年级数学下册#知识分享.pdf
10.00金币
1下载
二年级数学下册还原问题二年级数学下册还原问题#二年级#二年级数学#关注我持续更新小学知识 #知识分享 #家长收藏孩子受益.pdf
10.00金币
1下载
二年级数学下册第六单元考试卷家长打印出来给孩子测试测试争取拿到高分!#小学二年级试卷分享 #二年级第六单考试数学 #第六单考试#二年级数学下册.pdf
10.00金币
0下载
二年级数学下册必背顺口溜口诀汇总二年级数学下册必背顺口溜口诀汇总#二年级#二年级数学下册 #知识分享 #家长收藏孩子受益 #关注我持续更新小学知识.pdf
10.00金币
0下载
二年级数学下册《重点难点思维题》两大问题解决技巧和方法巧算星期几解决周期问题还原问题强化思维训练老师精心整理家长可以打印出来给孩子练习#家长收藏孩子受益 #学霸秘籍 #思维训练 #二年级 #知识点总结.pdf
10.00金币
0下载
二年级数学下册 必背公式大全寒假提前背一背开学更轻松#二年级 #二年级数学 #二年级数学下册 #寒假充电计划 #公式.pdf
10.00金币
0下载
蜗牛文库+ 关注
实名认证
内容提供者

提供各种专业文档内容

确认删除?
QQ
  • QQ点击这里给我发消息
微信客服
  • 微信客服
回到顶部