电脑桌面
添加蜗牛文库到电脑桌面
安装后可以在桌面快捷访问

00-【管理制度】-07-员工考勤管理制度.docxVIP免费

00-【管理制度】-07-员工考勤管理制度.docx_第1页
00-【管理制度】-07-员工考勤管理制度.docx_第2页
00-【管理制度】-07-员工考勤管理制度.docx_第3页
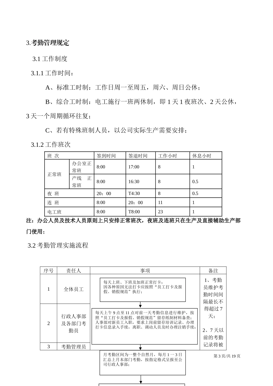
第1页/共19页考勤和休假管理制度全文18页,共8000字第2页/共19页目录考勤和休假管理制度..........................................................................................-1-1.目的...................................................................................................................-2-2.范围...................................................................................................................-2-3.考勤管理规定...................................................................................................-2-4.休假管理制度...................................................................................................-8-5.附则.................................................................................................................-17-考勤和休假管理制度1.目的为了明确各种假期,规范考勤管理,维护正常的工作秩序,提高工作效率特制订本制度。2.范围适用于公司全体员工(含正式员工、实习生、劳务派遣员工)请在这里输入单位/组织名称第3页/共19页3.考勤管理规定3.1工作制度3.1.1工作时间:A、标准工时制:工作日周一至周五,周六、周日公休;B、综合工时制:电工施行一班两休制,即1天1夜班次、2天公休,3天一个周期循环往复;C、若有特殊班制人员,以公司实际生产需要安排;3.1.2工作班次班次签到时间签退时间工作小时休息小时正常班办公室正常班8:0017:0081产线正常班8:0016:3080.5夜班20:00T4:3080.5连班8:0020:00111电工班8:00T8:00231注:办公人员及技术人员原则上只安排正常班次,夜班及连班只在生产及直接辅助生产部门使用;3.2考勤管理实施流程序号责任人事项备注1全体员工1、考勤员维护考勤时间间隔最长不得超过7天;2、7天以前的考勤记录将被2行政人事部及各部门考勤员3考勤管理员每天上班、下班及加班正常打卡;因各种原因无法打卡应按照“员工打卡及报假、销假规范”执行;每天上午9点至11点对前一天考勤信息进行维护,按照“员工打卡及报假、销假规范”留存纸制材料备查;人事部对新员工入职,要求上岗前留存培训记录、办理打卡信息录入手续,离职、调动人员及时办理注销手续;月考勤区间为一整个自然月,每月1一3日汇总上月本部门考勤,按指定格式呈报至公司行政人事部;第4页/共19页锁定;3、有特殊情况不能完成4行政人事部3....

1、当您付费下载文档后,您只拥有了使用权限,并不意味着购买了版权,文档只能用于自身使用,不得用于其他商业用途(如 [转卖]进行直接盈利或[编辑后售卖]进行间接盈利)。
2、本站所有内容均由合作方或网友上传,本站不对文档的完整性、权威性及其观点立场正确性做任何保证或承诺!文档内容仅供研究参考,付费前请自行鉴别。
3、如文档内容存在违规,或者侵犯商业秘密、侵犯著作权等,请点击“违规举报”。

碎片内容

蜗牛文库的最新文档

二年级数学下册其中检测卷二年级数学下册其中检测卷附答案#期中测试卷.pdf
10.00金币
0下载
二年级数学下册期末质检卷(苏教版)二年级数学下册期末质检卷(苏教版)#期末复习 #期末测试卷 #二年级数学 #二年级数学下册#关注我持续更新小学知识.pdf
10.00金币
0下载
二年级数学下册期末混合运算专项练习二年级数学下册期末混合运算专项练习#二年级#二年级数学下册#关注我持续更新小学知识 #知识分享 #家长收藏孩子受益.pdf
10.00金币
1下载
二年级数学下册年月日三类周期问题解题方法二年级数学下册年月日三类周期问题解题方法#二年级#二年级数学下册#知识分享 #关注我持续更新小学知识 #家长收藏孩子受益.pdf
10.00金币
0下载
二年级数学下册解决问题专项训练二年级数学下册解决问题专项训练#专项训练#解决问题#二年级#二年级数学下册#知识分享.pdf
10.00金币
1下载
二年级数学下册还原问题二年级数学下册还原问题#二年级#二年级数学#关注我持续更新小学知识 #知识分享 #家长收藏孩子受益.pdf
10.00金币
1下载
二年级数学下册第六单元考试卷家长打印出来给孩子测试测试争取拿到高分!#小学二年级试卷分享 #二年级第六单考试数学 #第六单考试#二年级数学下册.pdf
10.00金币
0下载
二年级数学下册必背顺口溜口诀汇总二年级数学下册必背顺口溜口诀汇总#二年级#二年级数学下册 #知识分享 #家长收藏孩子受益 #关注我持续更新小学知识.pdf
10.00金币
0下载
二年级数学下册《重点难点思维题》两大问题解决技巧和方法巧算星期几解决周期问题还原问题强化思维训练老师精心整理家长可以打印出来给孩子练习#家长收藏孩子受益 #学霸秘籍 #思维训练 #二年级 #知识点总结.pdf
10.00金币
0下载
二年级数学下册 必背公式大全寒假提前背一背开学更轻松#二年级 #二年级数学 #二年级数学下册 #寒假充电计划 #公式.pdf
10.00金币
0下载
蜗牛文库+ 关注
实名认证
内容提供者

提供各种专业文档内容

确认删除?
QQ
  • QQ点击这里给我发消息
微信客服
  • 微信客服
回到顶部