电脑桌面
添加蜗牛文库到电脑桌面
安装后可以在桌面快捷访问

【新增】-生产化工类企业绩效考核方案.docVIP免费

【新增】-生产化工类企业绩效考核方案.doc_第1页
【新增】-生产化工类企业绩效考核方案.doc_第2页
【新增】-生产化工类企业绩效考核方案.doc_第3页
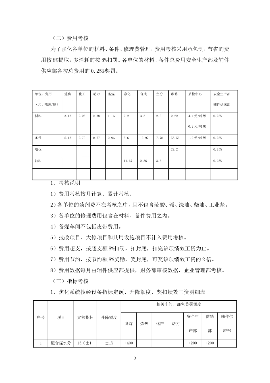
绩效考核实施方案202X年,xx公司已步入全面规范生产的新阶段。为激发员工的劳动积极性,促进企业健康发展,遵循按劳分配、多劳多得的原则,制订202X年xx公司绩效考核实施方案。一、指导思想健全有效的激励机制,充分调动广大员工的劳动积极性,立足本岗、精心操作在稳定生产的前提下,通过小改小革、管理创新、技术进步,不断地降低成本、增创效益,快速提升企业的核心竞争力。二、制定202X年年度绩效考核实施方案的原则(一)坚持按劳分配、按责任分配的原则。(二)坚持考核指标量化,确保客观公正的原则。(三)坚持突出主体,兼顾辅助的原则。三、202X年绩效考核实施方案的构成考核内容由以下五个部门组成。(一)关键指标考核(二)费用考核(三)指标考核(四)单项奖励考核(五)专业考核四、具体考核办法(一)关键指标考核关键指标考核以绩效工资为基础,突出各单位最关键的硬性指标,以确保公司总体目标的实现。1、各单位绩效工资的计算实得绩效工资=绩效工资×实际实现值/任务目标值2、各单位目标值的确定各单位目标值表1指标单位焦炭产量三品回收其它单位满意度精甲醇产量炼焦车间55万吨备煤车间55万吨化工车间55kg动力车间0.30.3100%×0.4空分车间3.8万吨净化车间3.8万吨合成车间3.8万吨维修车间100%×0.40.6质检中心(焦化)0.30.3100%×0.4质检中心(甲醇)100%×0.40.6安全生产部(甲醇)0.10.1100%×0.20.6安全生产部(焦化)0.40.2100%×0.20.2供销部0.30.2100%×0.30.2办公室0.20.2100%×0.40.2人力资源部0.20.2100%×0.40.2企管部0.20.2100%×0.40.2财务部0.20.2100%×0.40.2辅件供应部0.20.2100%×0.40.2党群工作部0.20.2100%×0.40.2工程预算组0.20.2100%×0.40.2说明:1)部室实得绩效工资的计算实得绩效工资=绩效工资×(焦炭产量系数×实际实现值/任务目标值+三品回收系数×实际实现值/任务目标值+满意度系数×实际满意度/基准满意度+甲醇产量系数×实际实现值/任务目标值)2)以上考核根据公司内、外部生产经营实际情况进行调整。2(二)费用考核为了强化各单位的材料、备件、修理费管理,费用考核采用承包制,节省的费用按8%提取,多消耗的按8%扣罚。各单位的材料、备件总费用安全生产部及辅件供应部各按总费用的0.25%奖罚。单位、费用(元、吨焦/醇)炼焦化工动力备煤净化合成空分维修质检中心安全生产部辅件供应部材料3.132.262.381.162.23.32.82.224.4元/吨醇0.2元/吨焦0.25%备件5.132.790.770.965.610.977.7855.561...

1、当您付费下载文档后,您只拥有了使用权限,并不意味着购买了版权,文档只能用于自身使用,不得用于其他商业用途(如 [转卖]进行直接盈利或[编辑后售卖]进行间接盈利)。
2、本站所有内容均由合作方或网友上传,本站不对文档的完整性、权威性及其观点立场正确性做任何保证或承诺!文档内容仅供研究参考,付费前请自行鉴别。
3、如文档内容存在违规,或者侵犯商业秘密、侵犯著作权等,请点击“违规举报”。

碎片内容

蜗牛文库的最新文档

二年级数学下册其中检测卷二年级数学下册其中检测卷附答案#期中测试卷.pdf
10.00金币
0下载
二年级数学下册期末质检卷(苏教版)二年级数学下册期末质检卷(苏教版)#期末复习 #期末测试卷 #二年级数学 #二年级数学下册#关注我持续更新小学知识.pdf
10.00金币
0下载
二年级数学下册期末混合运算专项练习二年级数学下册期末混合运算专项练习#二年级#二年级数学下册#关注我持续更新小学知识 #知识分享 #家长收藏孩子受益.pdf
10.00金币
1下载
二年级数学下册年月日三类周期问题解题方法二年级数学下册年月日三类周期问题解题方法#二年级#二年级数学下册#知识分享 #关注我持续更新小学知识 #家长收藏孩子受益.pdf
10.00金币
0下载
二年级数学下册解决问题专项训练二年级数学下册解决问题专项训练#专项训练#解决问题#二年级#二年级数学下册#知识分享.pdf
10.00金币
1下载
二年级数学下册还原问题二年级数学下册还原问题#二年级#二年级数学#关注我持续更新小学知识 #知识分享 #家长收藏孩子受益.pdf
10.00金币
1下载
二年级数学下册第六单元考试卷家长打印出来给孩子测试测试争取拿到高分!#小学二年级试卷分享 #二年级第六单考试数学 #第六单考试#二年级数学下册.pdf
10.00金币
0下载
二年级数学下册必背顺口溜口诀汇总二年级数学下册必背顺口溜口诀汇总#二年级#二年级数学下册 #知识分享 #家长收藏孩子受益 #关注我持续更新小学知识.pdf
10.00金币
0下载
二年级数学下册《重点难点思维题》两大问题解决技巧和方法巧算星期几解决周期问题还原问题强化思维训练老师精心整理家长可以打印出来给孩子练习#家长收藏孩子受益 #学霸秘籍 #思维训练 #二年级 #知识点总结.pdf
10.00金币
0下载
二年级数学下册 必背公式大全寒假提前背一背开学更轻松#二年级 #二年级数学 #二年级数学下册 #寒假充电计划 #公式.pdf
10.00金币
0下载
蜗牛文库+ 关注
实名认证
内容提供者

提供各种专业文档内容

确认删除?
QQ
  • QQ点击这里给我发消息
微信客服
  • 微信客服
回到顶部