电脑桌面
添加蜗牛文库到电脑桌面
安装后可以在桌面快捷访问

冷库购销安装及调试合同书.docVIP免费

冷库购销安装及调试合同书.doc_第1页
冷库购销安装及调试合同书.doc_第2页
冷库购销安装及调试合同书.doc_第3页
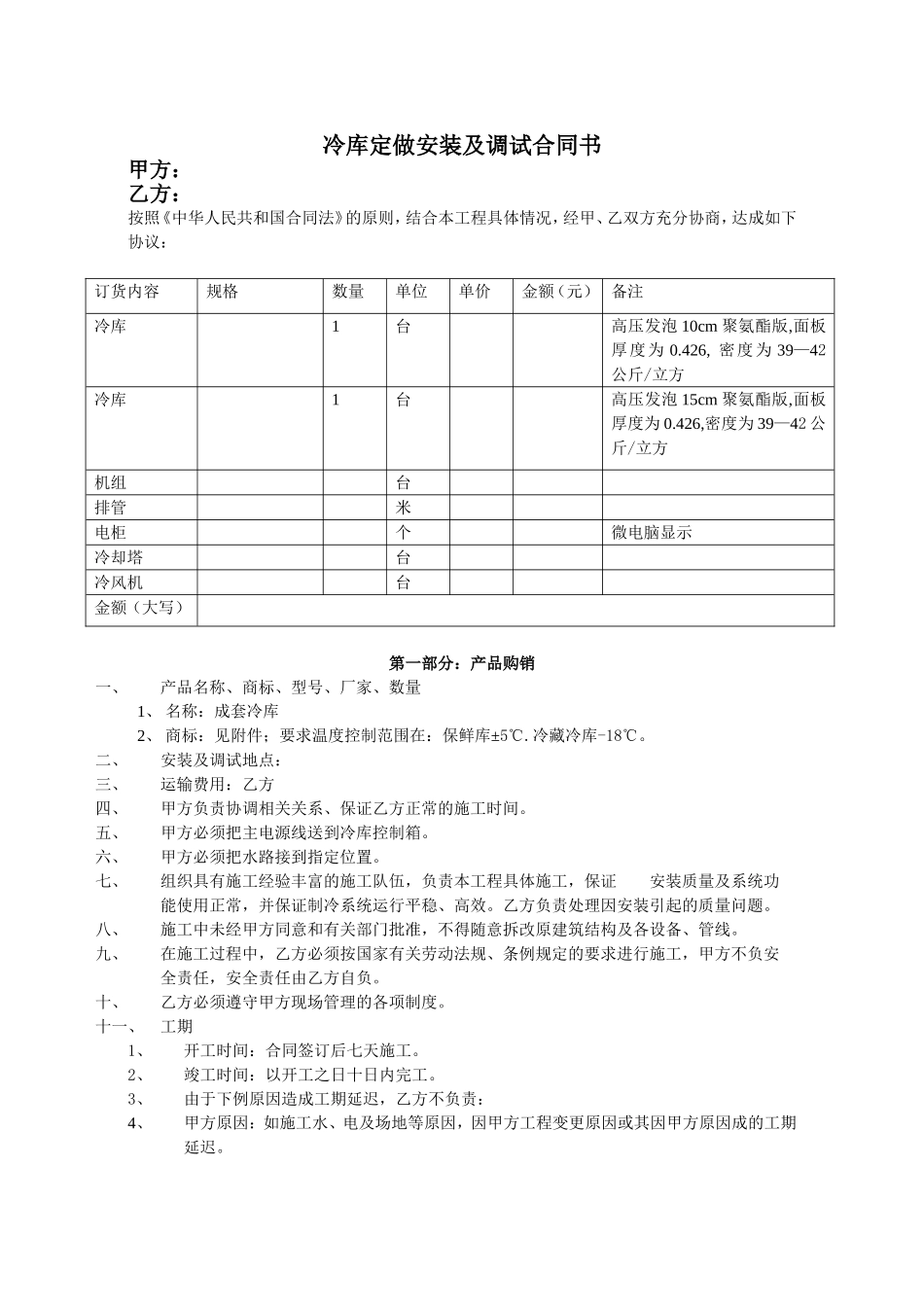
冷库定做安装及调试合同书甲方:乙方:按照《中华人民共和国合同法》的原则,结合本工程具体情况,经甲、乙双方充分协商,达成如下协议:订货内容规格数量单位单价金额(元)备注冷库1台高压发泡10cm聚氨酯版,面板厚度为0.426,密度为39—42公斤/立方冷库1台高压发泡15cm聚氨酯版,面板厚度为0.426,密度为39—42公斤/立方机组台排管米电柜个微电脑显示冷却塔台冷风机台金额(大写)第一部分:产品购销一、产品名称、商标、型号、厂家、数量1、名称:成套冷库2、商标:见附件;要求温度控制范围在:保鲜库±5℃.冷藏冷库-18℃。二、安装及调试地点:三、运输费用:乙方四、甲方负责协调相关关系、保证乙方正常的施工时间。五、甲方必须把主电源线送到冷库控制箱。六、甲方必须把水路接到指定位置。七、组织具有施工经验丰富的施工队伍,负责本工程具体施工,保证安装质量及系统功能使用正常,并保证制冷系统运行平稳、高效。乙方负责处理因安装引起的质量问题。八、施工中未经甲方同意和有关部门批准,不得随意拆改原建筑结构及各设备、管线。九、在施工过程中,乙方必须按国家有关劳动法规、条例规定的要求进行施工,甲方不负安全责任,安全责任由乙方自负。十、乙方必须遵守甲方现场管理的各项制度。十一、工期1、开工时间:合同签订后七天施工。2、竣工时间:以开工之日十日内完工。3、由于下例原因造成工期延迟,乙方不负责:4、甲方原因:如施工水、电及场地等原因,因甲方工程变更原因或其因甲方原因成的工期延迟。十二、质量管理、验收:1、工程使用主要材料的品种、规格、名称经双方认可后方能施工。2、施工中,甲方如有特殊施工项目或特殊性质量要求,双方应确定增加费用,需另签订补充合同。3、工程竣工后,甲方按乙方提交的竣工验收报告验收。十三、付款方式1、合同签订后,甲方即付给乙方工程总额款的20%,即人民币大写:()元整,小写:(¥)2、设备到场后,甲方付乙方工程总额款的60%,(支付承兑)即人民币大写()元整,小写(¥)3、设备安装调试完毕后,甲方付乙方工程总额款的10%,(支付承兑)即人民币大写()元整,小写(¥)4、设备安装调试完毕后,剩余10%保修期满后一次十四、保修:1、保修内容、范围:全部合同设备及管路系统。2、保修期内的维修人员差旅费由乙方承担。3、工程保修期限为壹年整,工程竣工经甲方在验收单上签字生效。(易损件及制冷剂除外)。4、其它约定事项:冷库自验收合格之日起免费质保壹年;压缩机...

1、当您付费下载文档后,您只拥有了使用权限,并不意味着购买了版权,文档只能用于自身使用,不得用于其他商业用途(如 [转卖]进行直接盈利或[编辑后售卖]进行间接盈利)。
2、本站所有内容均由合作方或网友上传,本站不对文档的完整性、权威性及其观点立场正确性做任何保证或承诺!文档内容仅供研究参考,付费前请自行鉴别。
3、如文档内容存在违规,或者侵犯商业秘密、侵犯著作权等,请点击“违规举报”。

碎片内容

蜗牛文库的最新文档

二年级数学下册其中检测卷二年级数学下册其中检测卷附答案#期中测试卷.pdf
10.00金币
0下载
二年级数学下册期末质检卷(苏教版)二年级数学下册期末质检卷(苏教版)#期末复习 #期末测试卷 #二年级数学 #二年级数学下册#关注我持续更新小学知识.pdf
10.00金币
0下载
二年级数学下册期末混合运算专项练习二年级数学下册期末混合运算专项练习#二年级#二年级数学下册#关注我持续更新小学知识 #知识分享 #家长收藏孩子受益.pdf
10.00金币
1下载
二年级数学下册年月日三类周期问题解题方法二年级数学下册年月日三类周期问题解题方法#二年级#二年级数学下册#知识分享 #关注我持续更新小学知识 #家长收藏孩子受益.pdf
10.00金币
0下载
二年级数学下册解决问题专项训练二年级数学下册解决问题专项训练#专项训练#解决问题#二年级#二年级数学下册#知识分享.pdf
10.00金币
1下载
二年级数学下册还原问题二年级数学下册还原问题#二年级#二年级数学#关注我持续更新小学知识 #知识分享 #家长收藏孩子受益.pdf
10.00金币
1下载
二年级数学下册第六单元考试卷家长打印出来给孩子测试测试争取拿到高分!#小学二年级试卷分享 #二年级第六单考试数学 #第六单考试#二年级数学下册.pdf
10.00金币
0下载
二年级数学下册必背顺口溜口诀汇总二年级数学下册必背顺口溜口诀汇总#二年级#二年级数学下册 #知识分享 #家长收藏孩子受益 #关注我持续更新小学知识.pdf
10.00金币
0下载
二年级数学下册《重点难点思维题》两大问题解决技巧和方法巧算星期几解决周期问题还原问题强化思维训练老师精心整理家长可以打印出来给孩子练习#家长收藏孩子受益 #学霸秘籍 #思维训练 #二年级 #知识点总结.pdf
10.00金币
0下载
二年级数学下册 必背公式大全寒假提前背一背开学更轻松#二年级 #二年级数学 #二年级数学下册 #寒假充电计划 #公式.pdf
10.00金币
0下载
蜗牛文库+ 关注
实名认证
内容提供者

提供各种专业文档内容

确认删除?
QQ
  • QQ点击这里给我发消息
微信客服
  • 微信客服
回到顶部