电脑桌面
添加蜗牛文库到电脑桌面
安装后可以在桌面快捷访问

06第六编数控机床第07七编数控机床维修实例.pdfVIP免费

06第六编数控机床第07七编数控机床维修实例.pdf_第1页
06第六编数控机床第07七编数控机床维修实例.pdf_第2页
06第六编数控机床第07七编数控机床维修实例.pdf_第3页
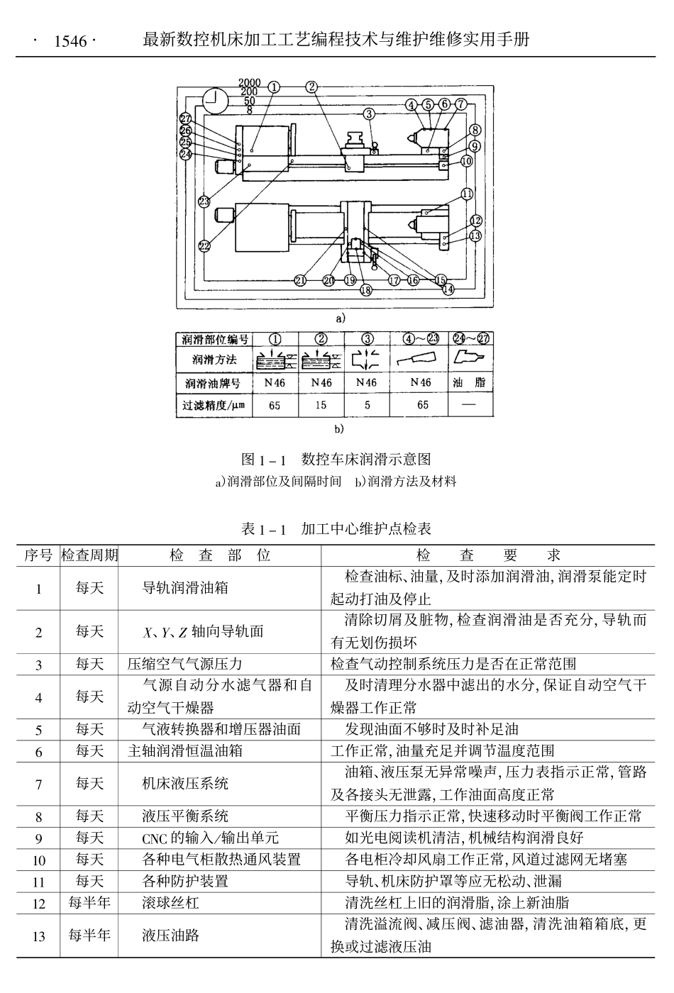
!!!!!!!!!!!!!!!!!!!!!!!!!!!!!!!!!!!!!!!!!!!!!!!!!!!!!!!!!!!!!!!!!!!!!!!!!!!!!!!!!!!!!!!!!!!!!!!!!!""""第六编数控机床故障诊断及维护维修第一章数控机床维护及数控系统故障诊断不同种类的数控机床虽然在结构和控制上有所区别,但在机床维护、故障处理及故障诊断等方面有它们的共性。熟悉和掌握维护和故障诊断的方法、所用工具和有关资料,对提高维护高质量和故障诊断效率是很有帮助的。数控机床的电源配置较一般机床复杂,也是故障易发生的部位。熟悉数控机床电源配置的组成、电源供给对象、电源故障诊断及维护是保证数控机床正常运行的前提条件。数控机床运行过程中另一个不可忽视的因素是干扰问题。了解干扰的因素及影响,加强抗干扰的措施,有助于数控机床稳定可靠地运行。第一节数控机床维护对数控机床进行维护保养的目的就是要延长机械部件的磨损周期,延长元器件的使用寿命。保证机床长时间稳定可靠地运行。一、点检由于数控机床集机、电、液、气等技术为一体,所以对它的维护要有科学的管理,有计划、有目的制定相应的规章制度。对维护过程中发现的故障隐患应及时加以清除,避免停机待修,从而延长平均无故障时间,增加机床的开动率。点检就是按有关维护文件的规定,对数控机床进行定点、定时的检查和维护。表!"!为某加工中心的维护点检表,图!"!为某数控车床的润滑示意图,表示了该车床需润滑的部位、润滑的时间间隔、润滑材料及润滑方式等。图!"!#中,编号!$"#$为该车床需润滑的部位,左上角数据%、&’、(’’及(’’’为润滑间隔时间()),图!"!*所示的每个润滑部位的润油方法和材料。从点检的要求和内容上看,点检可分为专职点检、日常点检和生产点检三个层次,图!"(为数控机床点检维修过程示意图。!+专职点检负责对机床的关键部位和重要部位按周期进行重点点检和设备状态监测与故障诊断,制定点检计划,做好诊断记录,分析维修结果,提出改善设备维护管理的建议。·&,&!·第六编数控机床故障诊断及维护维修图!"!数控车床润滑示意图#)润滑部位及间隔时间$)润滑方法及材料表!"!加工中心维护点检表序号检查周期检查部位检查要求!每天导轨润滑油箱检查油标、油量,及时添加润滑油,润滑泵能定时起动打油及停止%每天!、"、#轴向导轨面清除切屑及脏物,检查润滑油是否充分,导轨而有无划伤损坏&每天压缩空气气源压力检查气动控制系统压力是否在正常范围’每天气源自动分水滤气器和自动空气干燥器及时清理分水器中滤出的水分,保证自...

1、当您付费下载文档后,您只拥有了使用权限,并不意味着购买了版权,文档只能用于自身使用,不得用于其他商业用途(如 [转卖]进行直接盈利或[编辑后售卖]进行间接盈利)。
2、本站所有内容均由合作方或网友上传,本站不对文档的完整性、权威性及其观点立场正确性做任何保证或承诺!文档内容仅供研究参考,付费前请自行鉴别。
3、如文档内容存在违规,或者侵犯商业秘密、侵犯著作权等,请点击“违规举报”。

碎片内容

蜗牛文库的最新文档

二年级数学下册其中检测卷二年级数学下册其中检测卷附答案#期中测试卷.pdf
10.00金币
0下载
二年级数学下册期末质检卷(苏教版)二年级数学下册期末质检卷(苏教版)#期末复习 #期末测试卷 #二年级数学 #二年级数学下册#关注我持续更新小学知识.pdf
10.00金币
0下载
二年级数学下册期末混合运算专项练习二年级数学下册期末混合运算专项练习#二年级#二年级数学下册#关注我持续更新小学知识 #知识分享 #家长收藏孩子受益.pdf
10.00金币
1下载
二年级数学下册年月日三类周期问题解题方法二年级数学下册年月日三类周期问题解题方法#二年级#二年级数学下册#知识分享 #关注我持续更新小学知识 #家长收藏孩子受益.pdf
10.00金币
0下载
二年级数学下册解决问题专项训练二年级数学下册解决问题专项训练#专项训练#解决问题#二年级#二年级数学下册#知识分享.pdf
10.00金币
1下载
二年级数学下册还原问题二年级数学下册还原问题#二年级#二年级数学#关注我持续更新小学知识 #知识分享 #家长收藏孩子受益.pdf
10.00金币
1下载
二年级数学下册第六单元考试卷家长打印出来给孩子测试测试争取拿到高分!#小学二年级试卷分享 #二年级第六单考试数学 #第六单考试#二年级数学下册.pdf
10.00金币
0下载
二年级数学下册必背顺口溜口诀汇总二年级数学下册必背顺口溜口诀汇总#二年级#二年级数学下册 #知识分享 #家长收藏孩子受益 #关注我持续更新小学知识.pdf
10.00金币
0下载
二年级数学下册《重点难点思维题》两大问题解决技巧和方法巧算星期几解决周期问题还原问题强化思维训练老师精心整理家长可以打印出来给孩子练习#家长收藏孩子受益 #学霸秘籍 #思维训练 #二年级 #知识点总结.pdf
10.00金币
0下载
二年级数学下册 必背公式大全寒假提前背一背开学更轻松#二年级 #二年级数学 #二年级数学下册 #寒假充电计划 #公式.pdf
10.00金币
0下载
蜗牛文库+ 关注
实名认证
内容提供者

提供各种专业文档内容

确认删除?
QQ
  • QQ点击这里给我发消息
微信客服
  • 微信客服
回到顶部