电脑桌面
添加蜗牛文库到电脑桌面
安装后可以在桌面快捷访问

4.数控机床的组成及基本工作原理.docVIP免费

4.数控机床的组成及基本工作原理.doc_第1页
4.数控机床的组成及基本工作原理.doc_第2页
4.数控机床的组成及基本工作原理.doc_第3页
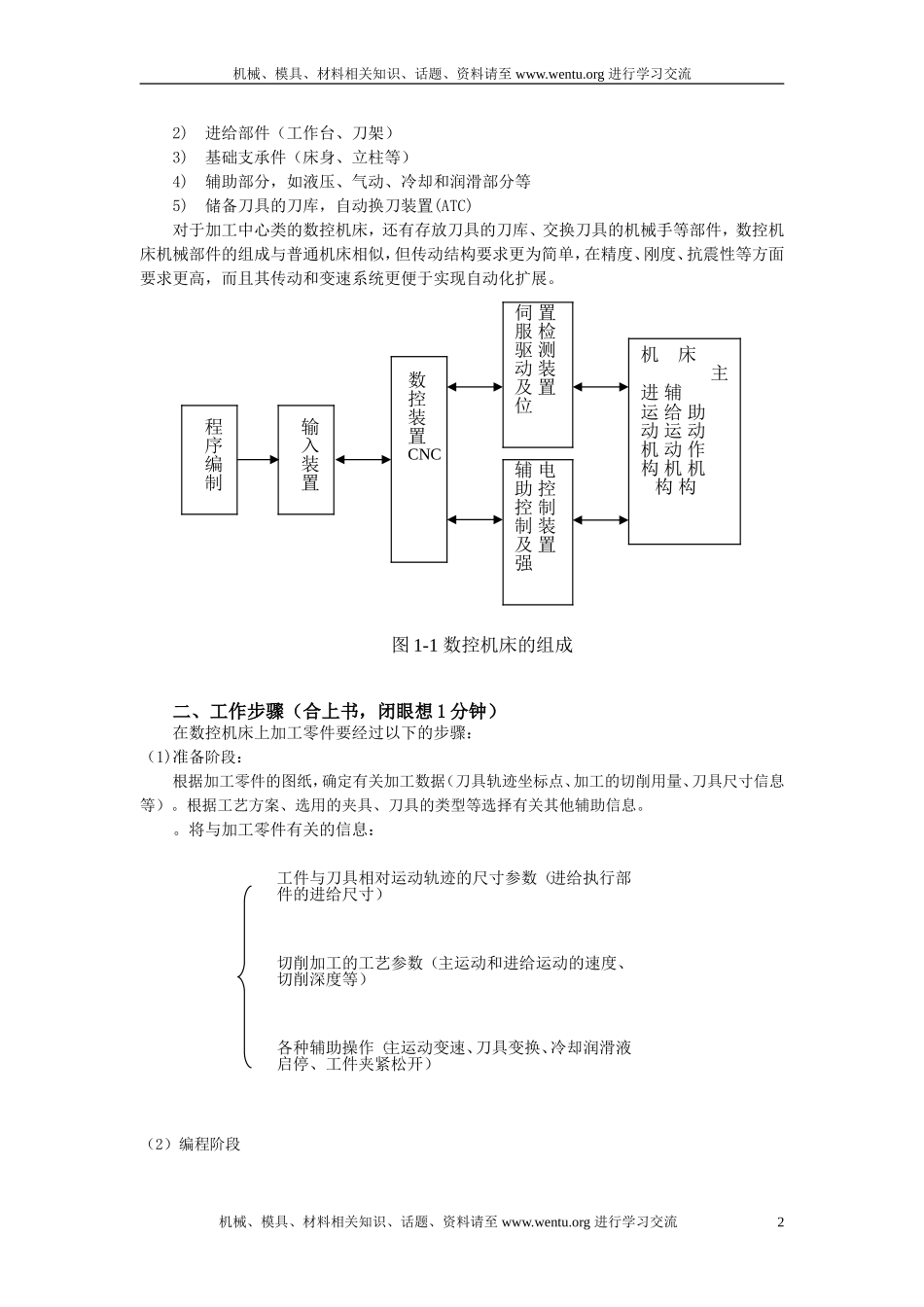
机械、模具、材料相关知识、话题、资料请至www.wentu.org进行学习交流1.2数控机床的组成及基本工作原理一、数控机床组成数控机床由:程序、输人/输出装置、CNC单元、伺服系统、位置反馈系统、机床本体组成。1、程序的存储介质,又称程序载体1)穿孔纸带(过时、淘汰);2)盒式磁带(过时、淘汰);3)软盘、磁盘、U盘;4)通信。2、输人/输出装置1)对于穿孔纸带,配用光电阅读机;(过时、淘汰);2)对于盒式磁带,配用录放机;(过时、淘汰);3)对于软磁盘,配用软盘驱动器和驱动卡;4)现代数控机床,还可以通过手动方式(MDI方式);5)DNC网络通讯、RS232串口通讯。3、CNC单元CNC单元是数控机床的核心,CNC单元由信息的输入、处理和输出三个部分组成。CNC单元接受数字化信息,经过数控装置的控制软件和逻辑电路进行译码、插补、逻辑处理后,将各种指令信息输出给伺服系统,伺服系统驱动执行部件作进给运动。其它的还有主运动部件的变速、换向和启停信号;选择和交换刀具的刀具指令信号,冷却、润滑的启停、工件和机床部件松开、夹紧、分度台转位等辅助指令信号等。准备功能:G00,G01,G02,G03,辅助功能:M03,M04刀具、进给速度、主轴:T,F,S4、伺服系统由驱动器、驱动电机组成,并与机床上的执行部件和机械传动部件组成数控机床的进给系统。它的作用是把来自数控装置的脉冲信号转换成机床移动部件的运动。对于步进电机来说,每一个脉冲信号使电机转过一个角度,进而带动机床移动部件移动一个微小距离。每个进给运动的执行部件都有相应的伺服驱动系统,整个机床的性能主要取决于伺服系统。如三轴联动的机床就有三套驱动系统。脉冲当量:每一个脉冲信号使机床移动部件移动的位移量。常用的脉冲当量为0.001mm/脉冲。5、位置反馈系统(检测反馈系统)伺服电动机的转角位移的反馈、数控机床执行机构(工作台)的位移反馈。包括光栅、旋转编码器、激光测距仪、磁栅等。(作业:让同学们网上查找反馈元件,下节课用5分钟自述所查内容)反馈装置把检测结果转化为电信号反馈给数控装置,通过比较,计算实际位置与指令位置之间的偏差,并发出偏差指令控制执行部件的进给运动。反馈系统包括半闭环、闭环两种系统。6、机床的机械部件1)主运动部件机械、模具、材料相关知识、话题、资料请至www.wentu.org进行学习交流1机械、模具、材料相关知识、话题、资料请至www.wentu.org进行学习交流2)进给部件(工作台、刀架)3)基础支承件(床身、立柱等)4)辅助部分,如液...

1、当您付费下载文档后,您只拥有了使用权限,并不意味着购买了版权,文档只能用于自身使用,不得用于其他商业用途(如 [转卖]进行直接盈利或[编辑后售卖]进行间接盈利)。
2、本站所有内容均由合作方或网友上传,本站不对文档的完整性、权威性及其观点立场正确性做任何保证或承诺!文档内容仅供研究参考,付费前请自行鉴别。
3、如文档内容存在违规,或者侵犯商业秘密、侵犯著作权等,请点击“违规举报”。

碎片内容

蜗牛文库的最新文档

二年级数学下册其中检测卷二年级数学下册其中检测卷附答案#期中测试卷.pdf
10.00金币
0下载
二年级数学下册期末质检卷(苏教版)二年级数学下册期末质检卷(苏教版)#期末复习 #期末测试卷 #二年级数学 #二年级数学下册#关注我持续更新小学知识.pdf
10.00金币
0下载
二年级数学下册期末混合运算专项练习二年级数学下册期末混合运算专项练习#二年级#二年级数学下册#关注我持续更新小学知识 #知识分享 #家长收藏孩子受益.pdf
10.00金币
1下载
二年级数学下册年月日三类周期问题解题方法二年级数学下册年月日三类周期问题解题方法#二年级#二年级数学下册#知识分享 #关注我持续更新小学知识 #家长收藏孩子受益.pdf
10.00金币
0下载
二年级数学下册解决问题专项训练二年级数学下册解决问题专项训练#专项训练#解决问题#二年级#二年级数学下册#知识分享.pdf
10.00金币
1下载
二年级数学下册还原问题二年级数学下册还原问题#二年级#二年级数学#关注我持续更新小学知识 #知识分享 #家长收藏孩子受益.pdf
10.00金币
1下载
二年级数学下册第六单元考试卷家长打印出来给孩子测试测试争取拿到高分!#小学二年级试卷分享 #二年级第六单考试数学 #第六单考试#二年级数学下册.pdf
10.00金币
0下载
二年级数学下册必背顺口溜口诀汇总二年级数学下册必背顺口溜口诀汇总#二年级#二年级数学下册 #知识分享 #家长收藏孩子受益 #关注我持续更新小学知识.pdf
10.00金币
0下载
二年级数学下册《重点难点思维题》两大问题解决技巧和方法巧算星期几解决周期问题还原问题强化思维训练老师精心整理家长可以打印出来给孩子练习#家长收藏孩子受益 #学霸秘籍 #思维训练 #二年级 #知识点总结.pdf
10.00金币
0下载
二年级数学下册 必背公式大全寒假提前背一背开学更轻松#二年级 #二年级数学 #二年级数学下册 #寒假充电计划 #公式.pdf
10.00金币
0下载
蜗牛文库+ 关注
实名认证
内容提供者

提供各种专业文档内容

确认删除?
QQ
  • QQ点击这里给我发消息
微信客服
  • 微信客服
回到顶部