电脑桌面
添加蜗牛文库到电脑桌面
安装后可以在桌面快捷访问

陶瓷墙地砖分检机械手运动及控制系统的设计.pdfVIP免费

陶瓷墙地砖分检机械手运动及控制系统的设计.pdf_第1页
陶瓷墙地砖分检机械手运动及控制系统的设计.pdf_第2页
陶瓷墙地砖分检机械手运动及控制系统的设计.pdf_第3页
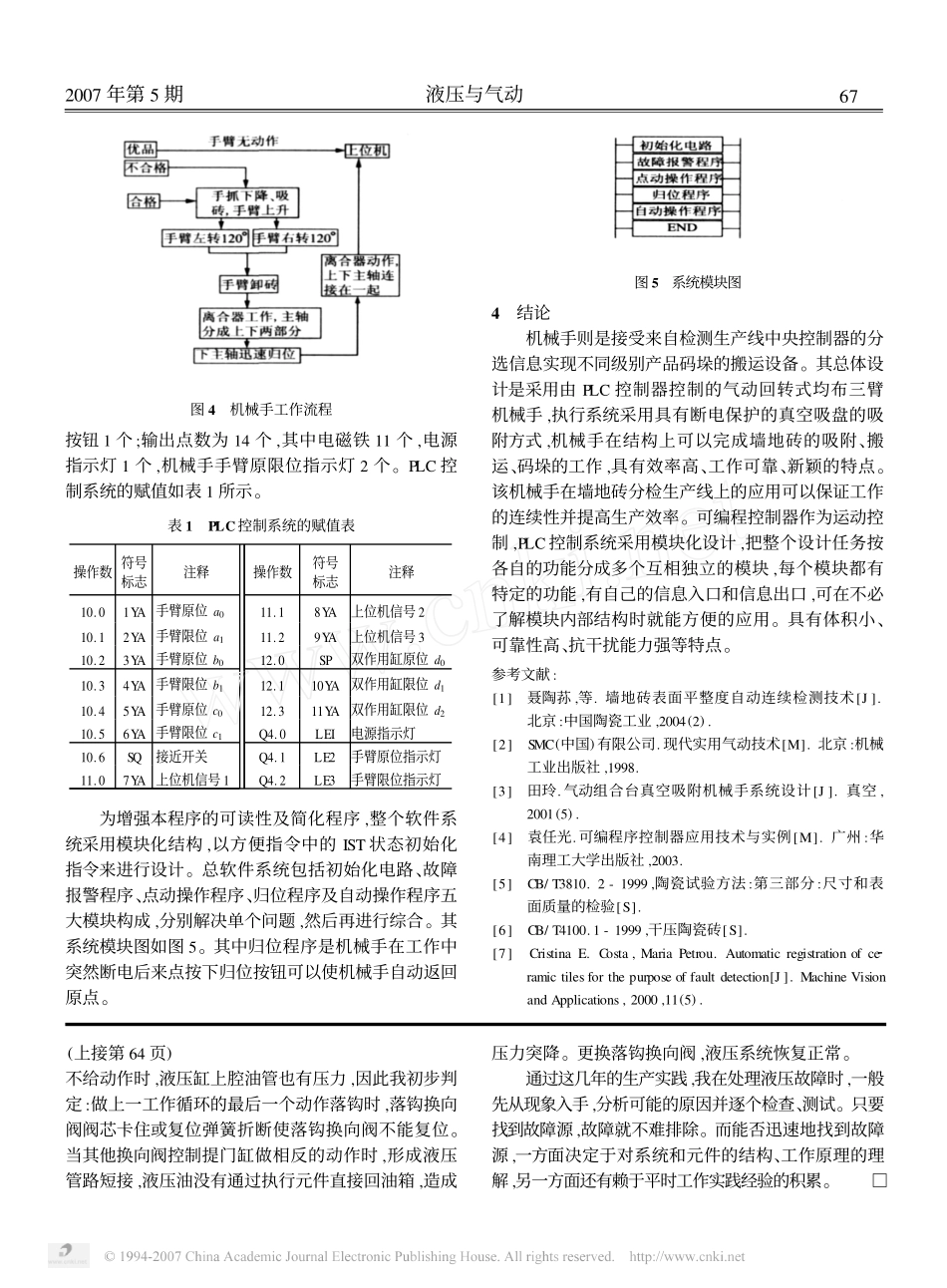
陶瓷墙地砖分检机械手运动及控制系统的设计聂陶荪1,程洪涛1,梁刚2,田锋1,黄金源1MovementandControlSystemDesignoftheCeramicTileCategorizingMantpulatorNIETao2sun1,CHENGHong2tao1,LIANGGang2,TIANFeng1,HUANGJin2yuan1(1.景德镇陶瓷学院,江西省景德镇333001;2.景德镇高等专科学校,江西省景德镇333000)摘要:对陶瓷墙地砖全自动检测生产线的均布三臂回转式分检机械手进行了运动及控制系统设计。其机座的回转及手臂的升降等运动采用气动驱动,手腕采用具有断电保护的真空吸盘吸附方式,控制运动的PLC系统采用了先进的模块化设计,具有可靠性高、抗干扰能力强和易于操控的特点。关键词:陶瓷墙地砖;分检机械手;控制系统;可编程控制器中图分类号:TB21文献标识码:B文章编号:100024858(2007)05200652031前言针对我国陶瓷墙地砖行业的迅速发展而检测技术却仍停留在人工随机抽检的现状,文献[1]提出了基于光纤传感器的墙地砖自动检测技术,该技术可以避免漏检,保证检测质量且实现自动分级码垛。该检测生产线中对被检测后的墙地砖进行分级码垛的机械手目前在国内尚无现成的产品。因而为实现该检测生产线的功能,研制一种适用的分检码垛机械手是完全必要的。本文主要针对均布三臂回转式分检机械手的运动和控制系统进行了研究和设计。2检测生产线工作原理该检测生产线采用反射式光纤传感器作测量头,对墙地砖表面进行多点检测。其工艺流程为:墙地砖由输送带输送,当墙地砖到达正确的检测位置时,被光眼检测到,控制系统启动传感器对墙地砖进行测量,测量数据经过计算机处理,并按国家标准[5]分为优、合格、不合格3个等级。根据处理结果,中央控制器控制分检机械手将不同等级的墙地砖输送至不同的方向,最后由码垛机将各等级墙地砖分别收集码垛。该检测生产线示意图见图1。图1检测生产线示意图该机械手采取均布回转式结构,从而保证了机械手随时都有一手臂处于生产线取砖的位置。墙地砖按所检测的结果分为3个不同等级分别输送堆放在3个码垛位置,优等品有输送线送至码垛1,机械手不动作;合格品与不合格品分别有机械手取至码垛位置2,码垛位置3。3机械手运动及控制系统设计3.1气动回路系统设计采用均布三臂回转式结构,其机械手的主要动作归纳为手臂的升降、吸盘的吸附与松开、机座的旋转,这3个动作分别由升降气缸、吸盘和双作用气缸来完成;其次,采用换向阀来实现动作的交替变化。气动回路系统原理图如图2所示。收稿日期:2006210213作者简介:聂陶荪(1946—),男,江西南昌人,教授,主...

1、当您付费下载文档后,您只拥有了使用权限,并不意味着购买了版权,文档只能用于自身使用,不得用于其他商业用途(如 [转卖]进行直接盈利或[编辑后售卖]进行间接盈利)。
2、本站所有内容均由合作方或网友上传,本站不对文档的完整性、权威性及其观点立场正确性做任何保证或承诺!文档内容仅供研究参考,付费前请自行鉴别。
3、如文档内容存在违规,或者侵犯商业秘密、侵犯著作权等,请点击“违规举报”。

碎片内容

蜗牛文库的最新文档

二年级数学下册其中检测卷二年级数学下册其中检测卷附答案#期中测试卷.pdf
10.00金币
0下载
二年级数学下册期末质检卷(苏教版)二年级数学下册期末质检卷(苏教版)#期末复习 #期末测试卷 #二年级数学 #二年级数学下册#关注我持续更新小学知识.pdf
10.00金币
0下载
二年级数学下册期末混合运算专项练习二年级数学下册期末混合运算专项练习#二年级#二年级数学下册#关注我持续更新小学知识 #知识分享 #家长收藏孩子受益.pdf
10.00金币
1下载
二年级数学下册年月日三类周期问题解题方法二年级数学下册年月日三类周期问题解题方法#二年级#二年级数学下册#知识分享 #关注我持续更新小学知识 #家长收藏孩子受益.pdf
10.00金币
0下载
二年级数学下册解决问题专项训练二年级数学下册解决问题专项训练#专项训练#解决问题#二年级#二年级数学下册#知识分享.pdf
10.00金币
1下载
二年级数学下册还原问题二年级数学下册还原问题#二年级#二年级数学#关注我持续更新小学知识 #知识分享 #家长收藏孩子受益.pdf
10.00金币
1下载
二年级数学下册第六单元考试卷家长打印出来给孩子测试测试争取拿到高分!#小学二年级试卷分享 #二年级第六单考试数学 #第六单考试#二年级数学下册.pdf
10.00金币
0下载
二年级数学下册必背顺口溜口诀汇总二年级数学下册必背顺口溜口诀汇总#二年级#二年级数学下册 #知识分享 #家长收藏孩子受益 #关注我持续更新小学知识.pdf
10.00金币
0下载
二年级数学下册《重点难点思维题》两大问题解决技巧和方法巧算星期几解决周期问题还原问题强化思维训练老师精心整理家长可以打印出来给孩子练习#家长收藏孩子受益 #学霸秘籍 #思维训练 #二年级 #知识点总结.pdf
10.00金币
0下载
二年级数学下册 必背公式大全寒假提前背一背开学更轻松#二年级 #二年级数学 #二年级数学下册 #寒假充电计划 #公式.pdf
10.00金币
0下载
蜗牛文库+ 关注
实名认证
内容提供者

提供各种专业文档内容

确认删除?
QQ
  • QQ点击这里给我发消息
微信客服
  • 微信客服
回到顶部