电脑桌面
添加蜗牛文库到电脑桌面
安装后可以在桌面快捷访问

演艺器材租赁合同 (2).docVIP免费

演艺器材租赁合同 (2).doc_第1页
演艺器材租赁合同 (2).doc_第2页
演艺器材租赁合同 (2).doc_第3页
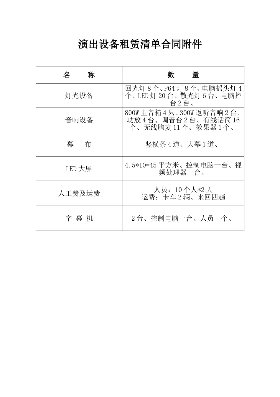
演出租赁合同承租方(甲方):出租方(乙方):庆阳梨园春演艺公司单位名称:单位名称:地址:地址:庆阳市解放西路负责人:负责人:杨振华电话:电话:15339467069因甲方演出需求,租用乙方演出器材设备,根据《中华人民共和国合同法》的有关规定,为明确甲.乙双方的权利与义务,经双方协商一致,签订本合同。第一条:租赁设备概况设备的名称见附表租赁用途:宁县文体广场汇报演出【热土】。使用时间:2014年月日至20年月日.租赁期限共计:天。使用的场次由甲方自主安排。第二条:租赁设备的运输与操作.等其他费用1.租赁设备的进退场调试安装.操作由乙方承担.2.租赁费用:租赁期限共计:天。每天租赁费:合计租赁总费用:。(不包含税率)第三条:租赁设备的使用及规定1.合同期内,乙方设备由甲方统一管理使用,甲方下达合理.合法的演出设备使用任务,乙方应听从指挥调遣,按甲方规定的时间.合同的标准.要求完成当日的演出场次.2.乙方应根据演出的作息时间,合理安排设备的维修.保养(费用自负),确保演出正常使用.3.乙方操作手应遵守甲方的合理规定,由甲方自身原因造成乙方演出终止或者是终断,损失由甲方负责赔偿.4.甲方应该配合乙方整理演出设备搭建场地,提供设备防雨帐篷.演出电源,演出期间确保电路畅通,不得有停电,缺相。欠压等事故发生,造成。后果由甲方负责。第四条:安全与治安1.甲方必须确保演出场地周围的安全保卫工作.因打架.斗殴造成的设备损坏由甲方完全负责.(由乙方造成的原因除外)。第五条:支付方式:演出结束后,甲方一次性付清。第六条:安全操作1.乙方在设备安装.拆卸过程中人员的安全元由乙方自行负责。2.乙方操作人员在合同演出过程中,对不安全因素有权提出,并可根据规定拒绝作业。第七条:租赁设备的毁坏与丢失在遇到不可抗拒的自然灾害时,对演出设备损坏或丢失(人为因素或被盗除外),乙方负责维修或赔偿责任。第八条:附加条款1.乙方不能执行甲方规定的作息时间及乙方人为因素造成的停演.误工,甲方有权解除租赁合同乙方并承担相应的费用。2.因甲方人员人为因素造成的停演.误工.设备损坏,乙方有权解除租赁合同甲方并承担相应的损失费用。3.本着高度负责,长期合作的精神,乙方保证按合同约定的器材明细表及节目单进行演出,并保证舞台坚固安全、音响演出效果。4.乙方如有器材变动,应提前三天通知甲方并征得甲方同意。5.本合同履行中,双方如有争议,可协商解决。6.本合同一式两分,甲乙双方各持一份第九条争议的解决凡因履行...

1、当您付费下载文档后,您只拥有了使用权限,并不意味着购买了版权,文档只能用于自身使用,不得用于其他商业用途(如 [转卖]进行直接盈利或[编辑后售卖]进行间接盈利)。
2、本站所有内容均由合作方或网友上传,本站不对文档的完整性、权威性及其观点立场正确性做任何保证或承诺!文档内容仅供研究参考,付费前请自行鉴别。
3、如文档内容存在违规,或者侵犯商业秘密、侵犯著作权等,请点击“违规举报”。

碎片内容

蜗牛文库的最新文档

二年级数学下册其中检测卷二年级数学下册其中检测卷附答案#期中测试卷.pdf
10.00金币
0下载
二年级数学下册期末质检卷(苏教版)二年级数学下册期末质检卷(苏教版)#期末复习 #期末测试卷 #二年级数学 #二年级数学下册#关注我持续更新小学知识.pdf
10.00金币
0下载
二年级数学下册期末混合运算专项练习二年级数学下册期末混合运算专项练习#二年级#二年级数学下册#关注我持续更新小学知识 #知识分享 #家长收藏孩子受益.pdf
10.00金币
1下载
二年级数学下册年月日三类周期问题解题方法二年级数学下册年月日三类周期问题解题方法#二年级#二年级数学下册#知识分享 #关注我持续更新小学知识 #家长收藏孩子受益.pdf
10.00金币
0下载
二年级数学下册解决问题专项训练二年级数学下册解决问题专项训练#专项训练#解决问题#二年级#二年级数学下册#知识分享.pdf
10.00金币
1下载
二年级数学下册还原问题二年级数学下册还原问题#二年级#二年级数学#关注我持续更新小学知识 #知识分享 #家长收藏孩子受益.pdf
10.00金币
1下载
二年级数学下册第六单元考试卷家长打印出来给孩子测试测试争取拿到高分!#小学二年级试卷分享 #二年级第六单考试数学 #第六单考试#二年级数学下册.pdf
10.00金币
0下载
二年级数学下册必背顺口溜口诀汇总二年级数学下册必背顺口溜口诀汇总#二年级#二年级数学下册 #知识分享 #家长收藏孩子受益 #关注我持续更新小学知识.pdf
10.00金币
0下载
二年级数学下册《重点难点思维题》两大问题解决技巧和方法巧算星期几解决周期问题还原问题强化思维训练老师精心整理家长可以打印出来给孩子练习#家长收藏孩子受益 #学霸秘籍 #思维训练 #二年级 #知识点总结.pdf
10.00金币
0下载
二年级数学下册 必背公式大全寒假提前背一背开学更轻松#二年级 #二年级数学 #二年级数学下册 #寒假充电计划 #公式.pdf
10.00金币
0下载
蜗牛文库+ 关注
实名认证
内容提供者

提供各种专业文档内容

确认删除?
QQ
  • QQ点击这里给我发消息
微信客服
  • 微信客服
回到顶部