电脑桌面
添加蜗牛文库到电脑桌面
安装后可以在桌面快捷访问

第1 章 常用低压电器.pdfVIP免费

第1 章 常用低压电器.pdf_第1页
第1 章 常用低压电器.pdf_第2页
第1 章 常用低压电器.pdf_第3页
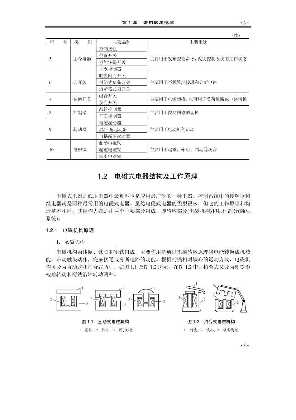
第1章常用低压电器电器分为高压电器和低压电器。低压电器一般是指在交流50Hz、额定电压1200V、直流额定电压1500V及以下的电路中起通断、保护、控制或调节作用的电器产品。由于在大多数用电行业及人们的日常生活中一般都使用低压设备,采用低压供电。而低压供电的输送、分配和保护,以及设备的运行和控制是靠低压电器来实现的,因此低压电器的应用十分广泛,直接影响低压供电系统和控制系统的质量。本章主要介绍用于电力拖动及控制系统领域中的常用低压电器。1.1概述低压电器是构成控制系统最常用的器件,了解它的分类、作用和用途,对设计、分析和维护控制系统都是十分必要的。1.1.1电器的分类电器的用途广泛,功能多样,种类繁多,结构各异,工作原理也各有不同。电器有多种分类方法:按工作电压的等级可分为高压电器和低压电器;按动作原理可分为手动电器和自动电器;按工作原理可分为电磁式电器和非电量控制电器;按用途可分为以下几类。1)配电电器配电电器主要用于供、配电系统中,进行电能输送和分配。这类电器有刀开关、自动开关、隔离开关、转换开关以及熔断器等。对这类电器的主要技术要求是分断能力强,限流效果好,动稳定及热稳定性能好。2)控制电器控制电器主要用于各种控制电路和控制系统。这类电器有接触器、继电器、转换开关、电磁阀等。对这类电器的主要技术要求是有一定的通断能力,操作频率要高,电器和机械寿命要长。3)主令电器主令电器主要用于发送控制指令。这类电器有按钮、主令开关、行程开关和万能转换开关等。对这类电器的主要技术要求是操作频率要高,抗冲击,电器和机械寿命要长。4)保护电器保护电器主要用于对电路和电气设备进行安全保护。这类低压电器有熔断器、热继电器、安全继电器、电压继电器、电流继电器和避雷器等。对这类电器的主要技术要求是有一定的通断能力,反应要灵敏,可靠性要高。5)执行电器执行电器主要用于执行某种动作和传动功能。这类低压电器有电磁铁、电磁离合器等。随着电子技术和计算机技术的进步,近几年又出现了利用集成电路或电子元件构成的电器与PLC控制技术·2··2·电子式电器,利用单片机构成的智能化电器,以及可直接与现场总线连接的具有通信功能的电器。1.1.2电器的作用电器是构成控制系统的最基本元件,它的性能将直接影响控制系统能否正常工作。电器能够依据操作信号或外界现场信号的要求,自动或手动地改变系统的状态、参数,实现对电路或被控对象的控制、保护、测量、指示、调节...

1、当您付费下载文档后,您只拥有了使用权限,并不意味着购买了版权,文档只能用于自身使用,不得用于其他商业用途(如 [转卖]进行直接盈利或[编辑后售卖]进行间接盈利)。
2、本站所有内容均由合作方或网友上传,本站不对文档的完整性、权威性及其观点立场正确性做任何保证或承诺!文档内容仅供研究参考,付费前请自行鉴别。
3、如文档内容存在违规,或者侵犯商业秘密、侵犯著作权等,请点击“违规举报”。

碎片内容

蜗牛文库的最新文档

二年级数学下册其中检测卷二年级数学下册其中检测卷附答案#期中测试卷.pdf
10.00金币
0下载
二年级数学下册期末质检卷(苏教版)二年级数学下册期末质检卷(苏教版)#期末复习 #期末测试卷 #二年级数学 #二年级数学下册#关注我持续更新小学知识.pdf
10.00金币
0下载
二年级数学下册期末混合运算专项练习二年级数学下册期末混合运算专项练习#二年级#二年级数学下册#关注我持续更新小学知识 #知识分享 #家长收藏孩子受益.pdf
10.00金币
1下载
二年级数学下册年月日三类周期问题解题方法二年级数学下册年月日三类周期问题解题方法#二年级#二年级数学下册#知识分享 #关注我持续更新小学知识 #家长收藏孩子受益.pdf
10.00金币
0下载
二年级数学下册解决问题专项训练二年级数学下册解决问题专项训练#专项训练#解决问题#二年级#二年级数学下册#知识分享.pdf
10.00金币
1下载
二年级数学下册还原问题二年级数学下册还原问题#二年级#二年级数学#关注我持续更新小学知识 #知识分享 #家长收藏孩子受益.pdf
10.00金币
1下载
二年级数学下册第六单元考试卷家长打印出来给孩子测试测试争取拿到高分!#小学二年级试卷分享 #二年级第六单考试数学 #第六单考试#二年级数学下册.pdf
10.00金币
0下载
二年级数学下册必背顺口溜口诀汇总二年级数学下册必背顺口溜口诀汇总#二年级#二年级数学下册 #知识分享 #家长收藏孩子受益 #关注我持续更新小学知识.pdf
10.00金币
0下载
二年级数学下册《重点难点思维题》两大问题解决技巧和方法巧算星期几解决周期问题还原问题强化思维训练老师精心整理家长可以打印出来给孩子练习#家长收藏孩子受益 #学霸秘籍 #思维训练 #二年级 #知识点总结.pdf
10.00金币
0下载
二年级数学下册 必背公式大全寒假提前背一背开学更轻松#二年级 #二年级数学 #二年级数学下册 #寒假充电计划 #公式.pdf
10.00金币
0下载
蜗牛文库+ 关注
实名认证
内容提供者

提供各种专业文档内容

确认删除?
QQ
  • QQ点击这里给我发消息
微信客服
  • 微信客服
回到顶部