电脑桌面
添加蜗牛文库到电脑桌面
安装后可以在桌面快捷访问

714铣床改造世纪星数控系统改造方案.docVIP免费

714铣床改造世纪星数控系统改造方案.doc_第1页
714铣床改造世纪星数控系统改造方案.doc_第2页
714铣床改造世纪星数控系统改造方案.doc_第3页
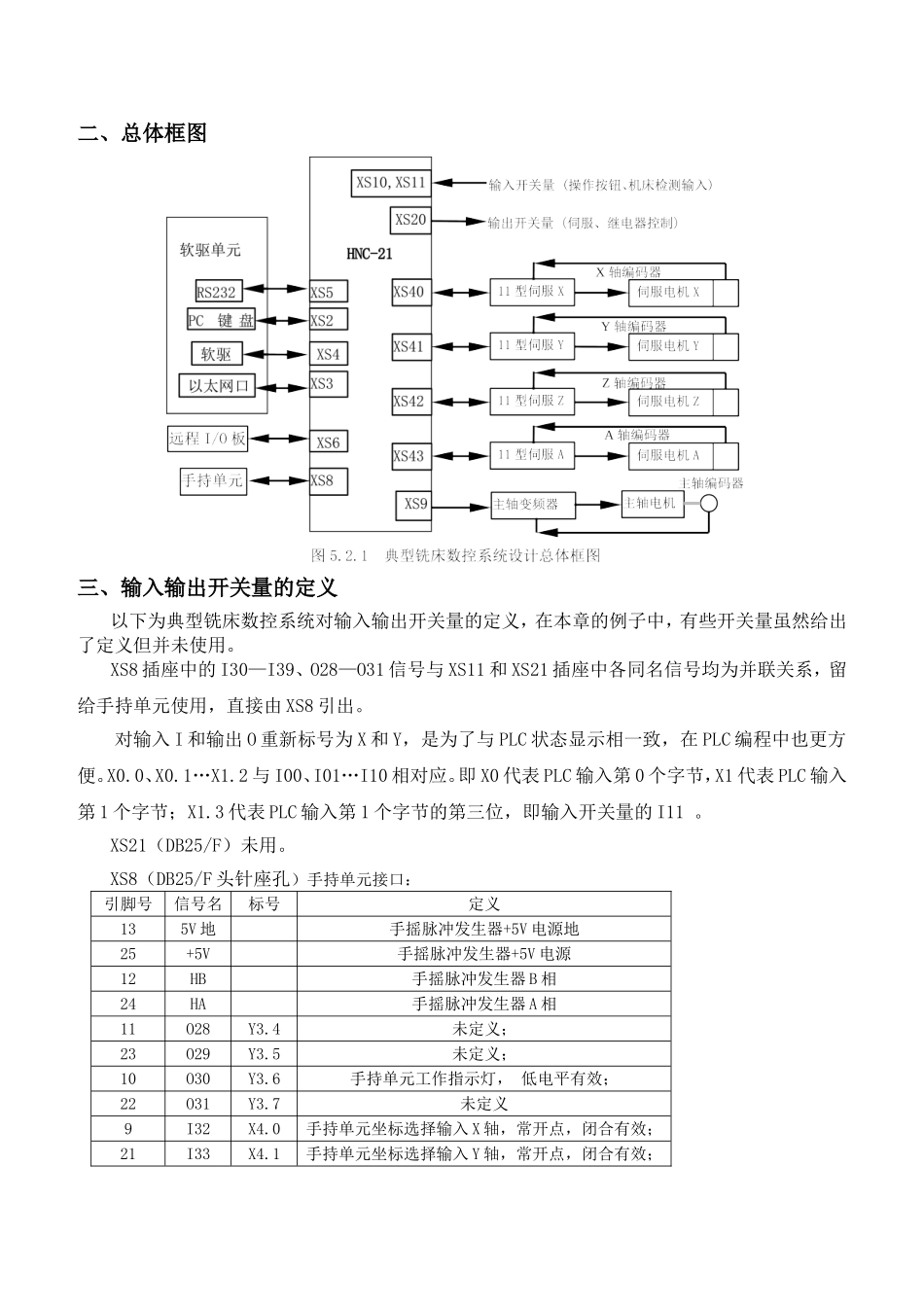
四坐标714铣床改造世纪星数控系统配置方案一、系统简介机床:四坐标铣床,X、Y、Z直线坐标轴+A旋转坐标轴(数控转台);控制柜结构:强电控制柜+吊挂箱;主轴:变频器,液压换档,分高速、低速两档。表1铣床数控系统设计主要器件序号名称规格主要用途备注1数控装置HNC-21MC控制系统华中数控2软驱单元HFD-2001数据交换华中数控3手持单元HWL-1001手摇控制华中数控4控制变压器AC380/220V300W/110V250W/24V100W/24V100W伺服控制电源、开关电源供电华中数控热交换器及交流接触器电源照明灯电源HNC-21MC电源5伺服变压器3相AC380/200V7.5KW为HSV-11型电源模块供电华中数控6开关电源AC220/DC24V50W开关量及中间继电器明玮7开关电源AC220/DC24V100W升降轴抱闸及电磁阀明玮8伺服电源模块HSV-11P为伺服驱动器供强电华中数控9伺服驱动器HSV-11D075X、Y、Z轴电机驱动装置华中数控10伺服驱动器HSV-11D050A轴电机驱动装置华中数控11主轴变频器CIMR-G5A45P51A5.5KW主轴电机驱动装置安川(用户自购)14主轴电机4KW矢量控制变频电机河北(用户自购)13伺服电机130STZ15-1(15NM)X、Y轴进给电机华中数控15伺服电机130STZ15-1-B(15NM抱闸)Z轴进给电机华中数控16伺服电机130STZ6-1(6NM)A轴进给电机华中数控二、总体框图三、输入输出开关量的定义以下为典型铣床数控系统对输入输出开关量的定义,在本章的例子中,有些开关量虽然给出了定义但并未使用。XS8插座中的I30—I39、O28—O31信号与XS11和XS21插座中各同名信号均为并联关系,留给手持单元使用,直接由XS8引出。对输入I和输出O重新标号为X和Y,是为了与PLC状态显示相一致,在PLC编程中也更方便。X0.0、X0.1…X1.2与I00、I01…I10相对应。即X0代表PLC输入第0个字节,X1代表PLC输入第1个字节;X1.3代表PLC输入第1个字节的第三位,即输入开关量的I11。XS21(DB25/F)未用。XS8(DB25/F头针座孔)手持单元接口:引脚号信号名标号定义135V地手摇脉冲发生器+5V电源地25+5V手摇脉冲发生器+5V电源12HB手摇脉冲发生器B相24HA手摇脉冲发生器A相11O28Y3.4未定义;23O29Y3.5未定义;10O30Y3.6手持单元工作指示灯,低电平有效;22O31Y3.7未定义9I32X4.0手持单元坐标选择输入X轴,常开点,闭合有效;21I33X4.1手持单元坐标选择输入Y轴,常开点,闭合有效;8I34X4.2手持单元坐标选择输入Z轴,常开点,闭合有效;20I35X4.3手持单元坐标选择输入A轴,常开点,闭合有效;7I36X4.4手持单元增量倍率输入X1,常开点,闭合有效;19I37...

1、当您付费下载文档后,您只拥有了使用权限,并不意味着购买了版权,文档只能用于自身使用,不得用于其他商业用途(如 [转卖]进行直接盈利或[编辑后售卖]进行间接盈利)。
2、本站所有内容均由合作方或网友上传,本站不对文档的完整性、权威性及其观点立场正确性做任何保证或承诺!文档内容仅供研究参考,付费前请自行鉴别。
3、如文档内容存在违规,或者侵犯商业秘密、侵犯著作权等,请点击“违规举报”。

碎片内容

蜗牛文库的最新文档

二年级数学下册其中检测卷二年级数学下册其中检测卷附答案#期中测试卷.pdf
10.00金币
0下载
二年级数学下册期末质检卷(苏教版)二年级数学下册期末质检卷(苏教版)#期末复习 #期末测试卷 #二年级数学 #二年级数学下册#关注我持续更新小学知识.pdf
10.00金币
0下载
二年级数学下册期末混合运算专项练习二年级数学下册期末混合运算专项练习#二年级#二年级数学下册#关注我持续更新小学知识 #知识分享 #家长收藏孩子受益.pdf
10.00金币
1下载
二年级数学下册年月日三类周期问题解题方法二年级数学下册年月日三类周期问题解题方法#二年级#二年级数学下册#知识分享 #关注我持续更新小学知识 #家长收藏孩子受益.pdf
10.00金币
0下载
二年级数学下册解决问题专项训练二年级数学下册解决问题专项训练#专项训练#解决问题#二年级#二年级数学下册#知识分享.pdf
10.00金币
1下载
二年级数学下册还原问题二年级数学下册还原问题#二年级#二年级数学#关注我持续更新小学知识 #知识分享 #家长收藏孩子受益.pdf
10.00金币
1下载
二年级数学下册第六单元考试卷家长打印出来给孩子测试测试争取拿到高分!#小学二年级试卷分享 #二年级第六单考试数学 #第六单考试#二年级数学下册.pdf
10.00金币
0下载
二年级数学下册必背顺口溜口诀汇总二年级数学下册必背顺口溜口诀汇总#二年级#二年级数学下册 #知识分享 #家长收藏孩子受益 #关注我持续更新小学知识.pdf
10.00金币
0下载
二年级数学下册《重点难点思维题》两大问题解决技巧和方法巧算星期几解决周期问题还原问题强化思维训练老师精心整理家长可以打印出来给孩子练习#家长收藏孩子受益 #学霸秘籍 #思维训练 #二年级 #知识点总结.pdf
10.00金币
0下载
二年级数学下册 必背公式大全寒假提前背一背开学更轻松#二年级 #二年级数学 #二年级数学下册 #寒假充电计划 #公式.pdf
10.00金币
0下载
蜗牛文库+ 关注
实名认证
内容提供者

提供各种专业文档内容

确认删除?
QQ
  • QQ点击这里给我发消息
微信客服
  • 微信客服
回到顶部