电脑桌面
添加蜗牛文库到电脑桌面
安装后可以在桌面快捷访问

中文选型表.pdfVIP免费

中文选型表.pdf_第1页
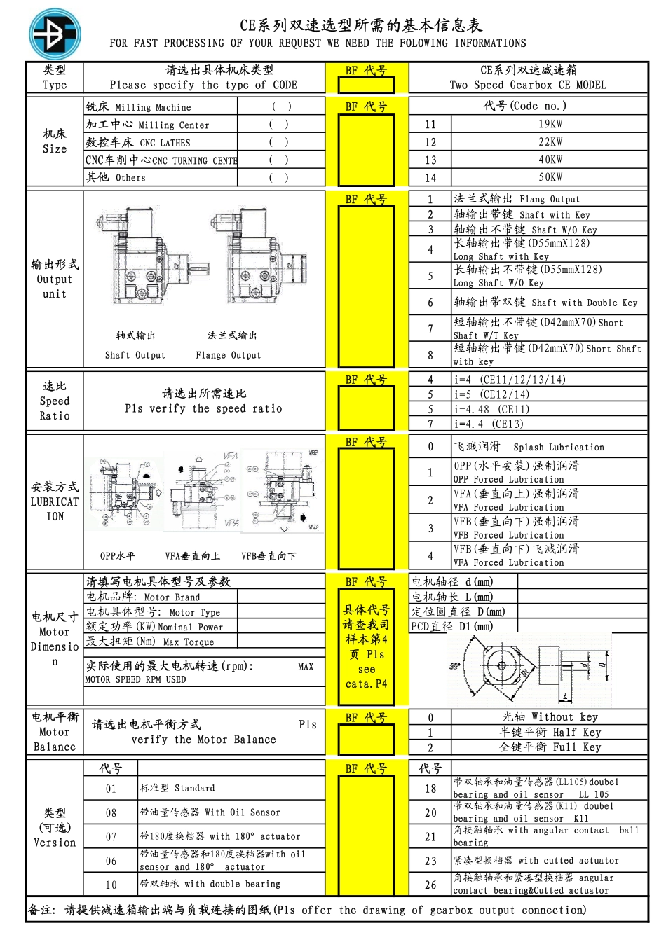
CE系列双速选型所需的基本信息表FORFASTPROCESSINGOFYOURREQUESTWENEEDTHEFOLOWINGINFORMATIONSBF代号铣床MillingMachine()BF代号加工中心MillingCenter()11数控车床CNCLATHES()12CNC车削中心CNCTURNINGCENTE()13()14BF代号123轴输出不带键ShaftW/OKey456轴式输出法兰式输出7ShaftOutputFlangeOutput8BF代号4i=4(CE11/12/13/14)5i=5(CE12/14)5i=4.48(CE11)7i=4.4(CE13)BF代号123OPP水平VFA垂直向上VFB垂直向下4请填写电机具体型号及参数BF代号电机轴径d(mm)电机轴长L(mm)电机具体型号:MotorType定位圆直径D(mm)额定功率(KW)NominalPowerPCD直径D1(mm)最大扭矩(Nm)MaxTorqueBF代号012代号BF代号代号01180820072106231026备注:请提供减速箱输出端与负载连接的图纸(Plsofferthedrawingofgearboxoutputconnection)带油量传感器WithOilSensor带180度换档器with180°actuator短轴输出带键(D42mmX70)ShortShaftwithkey轴输出带双键ShaftwithDoubleKeyVFA(垂直向上)强制润滑VFAForcedLubricationVFB(垂直向下)强制润滑VFBForcedLubrication轴输出带键ShaftwithKey长轴输出带键(D55mmX128)LongShaftwithKey全键平衡FullKey标准型Standard半键平衡HalfKeyVFB(垂直向下)飞溅润滑VFAForcedLubrication实际使用的最大电机转速(rpm):MAXMOTORSPEEDRPMUSED电机品牌:MotorBrand其他Others电机尺寸MotorDimension具体代号请查我司样本第4页Plsseecata.P4机床Size输出形式Outputunit0PP(水平安装)强制润滑OPPForcedLubrication长轴输出不带键(D55mmX128)LongShaftW/OKey短轴输出不带键(D42mmX70)ShortShaftW/TKey电机平衡MotorBalance请选出电机平衡方式PlsverifytheMotorBalance0飞溅润滑SplashLubrication光轴Withoutkey类型(可选)Version带双轴承withdoublebearing19KW22KW40KW50KW带油量传感器和180度换档器withoilsensorand180°actuator角接触轴承和紧凑型换档器angularcontactbearing&Cuttedactuator类型Type请选出具体机床类型PleasespecifythetypeofCODECE系列双速减速箱TwoSpeedGearboxCEMODEL速比SpeedRatio请选出所需速比Plsverifythespeedratio安装方式LUBRICATION法兰式输出FlangOutput代号(Codeno.)带双轴承和油量传感器(LL105)doubelbearingandoilsensorLL105带双轴承和油量传感器(K11)doubelbearingandoilsensorK11角接触轴承withangularcontactballbearing紧凑型换档器withcuttedactuator

1、当您付费下载文档后,您只拥有了使用权限,并不意味着购买了版权,文档只能用于自身使用,不得用于其他商业用途(如 [转卖]进行直接盈利或[编辑后售卖]进行间接盈利)。
2、本站所有内容均由合作方或网友上传,本站不对文档的完整性、权威性及其观点立场正确性做任何保证或承诺!文档内容仅供研究参考,付费前请自行鉴别。
3、如文档内容存在违规,或者侵犯商业秘密、侵犯著作权等,请点击“违规举报”。

碎片内容

蜗牛文库的最新文档

二年级数学下册其中检测卷二年级数学下册其中检测卷附答案#期中测试卷.pdf
10.00金币
0下载
二年级数学下册期末质检卷(苏教版)二年级数学下册期末质检卷(苏教版)#期末复习 #期末测试卷 #二年级数学 #二年级数学下册#关注我持续更新小学知识.pdf
10.00金币
0下载
二年级数学下册期末混合运算专项练习二年级数学下册期末混合运算专项练习#二年级#二年级数学下册#关注我持续更新小学知识 #知识分享 #家长收藏孩子受益.pdf
10.00金币
1下载
二年级数学下册年月日三类周期问题解题方法二年级数学下册年月日三类周期问题解题方法#二年级#二年级数学下册#知识分享 #关注我持续更新小学知识 #家长收藏孩子受益.pdf
10.00金币
0下载
二年级数学下册解决问题专项训练二年级数学下册解决问题专项训练#专项训练#解决问题#二年级#二年级数学下册#知识分享.pdf
10.00金币
1下载
二年级数学下册还原问题二年级数学下册还原问题#二年级#二年级数学#关注我持续更新小学知识 #知识分享 #家长收藏孩子受益.pdf
10.00金币
1下载
二年级数学下册第六单元考试卷家长打印出来给孩子测试测试争取拿到高分!#小学二年级试卷分享 #二年级第六单考试数学 #第六单考试#二年级数学下册.pdf
10.00金币
0下载
二年级数学下册必背顺口溜口诀汇总二年级数学下册必背顺口溜口诀汇总#二年级#二年级数学下册 #知识分享 #家长收藏孩子受益 #关注我持续更新小学知识.pdf
10.00金币
0下载
二年级数学下册《重点难点思维题》两大问题解决技巧和方法巧算星期几解决周期问题还原问题强化思维训练老师精心整理家长可以打印出来给孩子练习#家长收藏孩子受益 #学霸秘籍 #思维训练 #二年级 #知识点总结.pdf
10.00金币
0下载
二年级数学下册 必背公式大全寒假提前背一背开学更轻松#二年级 #二年级数学 #二年级数学下册 #寒假充电计划 #公式.pdf
10.00金币
0下载
蜗牛文库+ 关注
实名认证
内容提供者

提供各种专业文档内容

确认删除?
QQ
  • QQ点击这里给我发消息
微信客服
  • 微信客服
回到顶部