电脑桌面
添加蜗牛文库到电脑桌面
安装后可以在桌面快捷访问

PLC控制机械手设计.docVIP免费

PLC控制机械手设计.doc_第1页
PLC控制机械手设计.doc_第2页
PLC控制机械手设计.doc_第3页
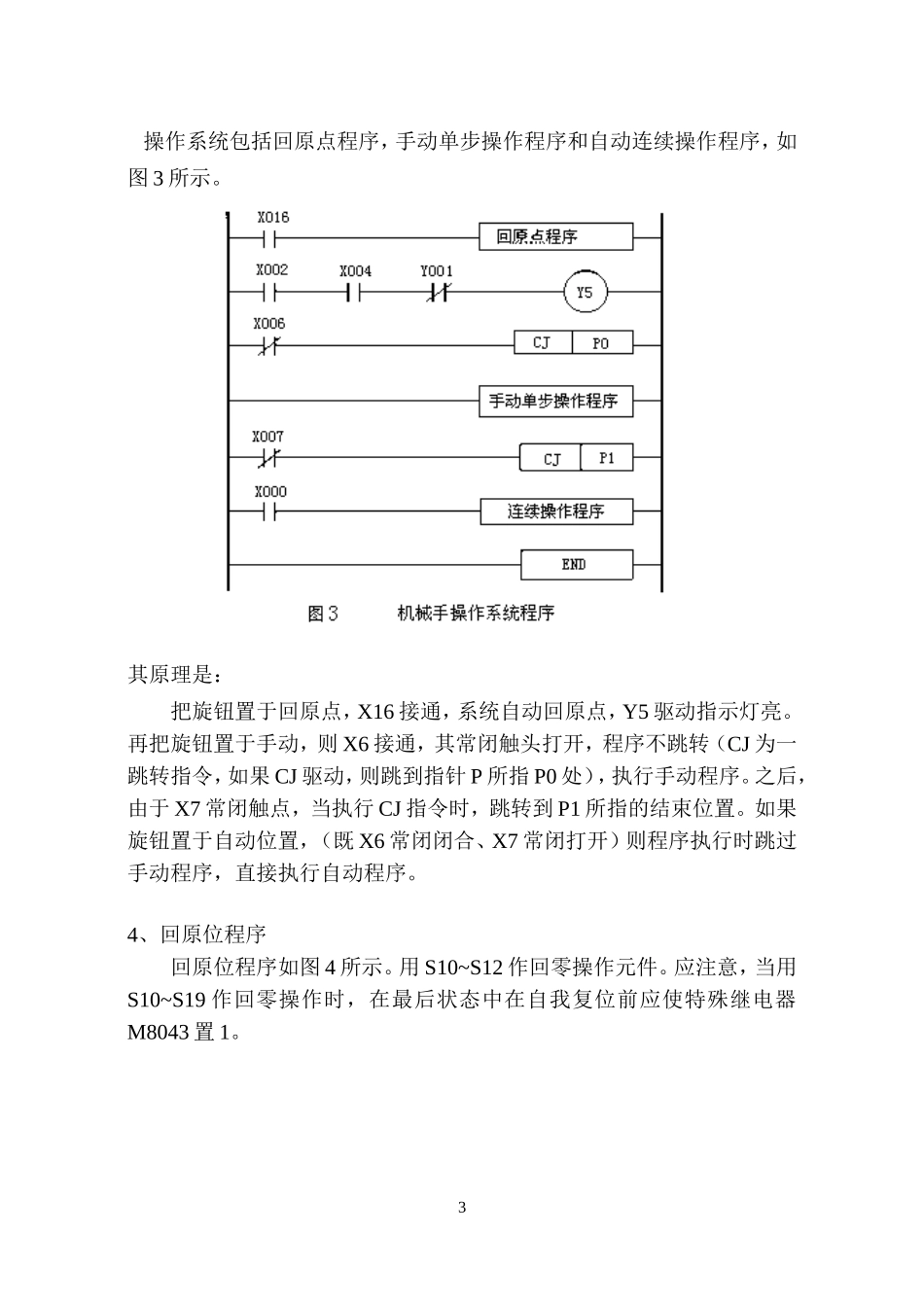
PLC控制机械手设计机械手电气控制系统,除了有多工步特点之外,还要求有连续控制和手动控制等操作方式。工作方式的选择可以很方便地在操作面板上表示出来。当旋钮打向回原点时,系统自动地回到左上角位置待命。当旋钮打向自动时,系统自动完成各工步操作,且循环动作。当旋钮打向手动时,每一工步都要按下该工步按钮才能实现。以下是设计该机械手控制程序的步骤和方法。1、机械手传送工件系统示意图,如图1所示。图1机械手传送示意及操作面板图2、输入和输出点分配表及原理接线图1表1机械手传送系统输入和输出点分配表名称代号输入名称代号输入名称代号输出启动SB1X0夹紧SB5X10电磁阀下降YV1Y0下限行程SQ1X1放松SB6X11电磁阀夹紧YV2Y1上限行程SQ2X2单步上升SB7X12电磁阀上升YV3Y2右限行程SQ3X3单步下降SB8X13电磁阀右行YV4Y3左限行程SQ4X4单步左移SB9X14电磁阀左行YV5Y4停止SB2X5单步右移SB10X15原点指示ELY5手动操作SB3X6回原点SB11X16连续操作SB4X7工件检测SQ5X173、操作系统2操作系统包括回原点程序,手动单步操作程序和自动连续操作程序,如图3所示。其原理是:把旋钮置于回原点,X16接通,系统自动回原点,Y5驱动指示灯亮。再把旋钮置于手动,则X6接通,其常闭触头打开,程序不跳转(CJ为一跳转指令,如果CJ驱动,则跳到指针P所指P0处),执行手动程序。之后,由于X7常闭触点,当执行CJ指令时,跳转到P1所指的结束位置。如果旋钮置于自动位置,(既X6常闭闭合、X7常闭打开)则程序执行时跳过手动程序,直接执行自动程序。4、回原位程序回原位程序如图4所示。用S10~S12作回零操作元件。应注意,当用S10~S19作回零操作时,在最后状态中在自我复位前应使特殊继电器M8043置1。35、手动单步操作程序如图5所示。图中上升/下降,左移/右移都有联锁和限位保护。46、自动操作程序自动操作状态转移见图6所示。当机械手处于原位时,按启动X0接通,状态转移到S20,驱动下降Y0,当到达下限位使行程开关X1接通,状态转移到S21,而S20自动复位。S21驱动Y1置位,延时1秒,以使电磁力达到最大夹紧力。当T0接通,状态转移到S22,驱动Y2上升,当上升到达最高位,X2接通,状态转移到S23。S23驱动Y3右移。移到最右位,X3接通,状态转移到S24下降。下降到最低位,X1接通,电磁铁放松。为了使电磁力完全失掉,延时1秒。延时时间到,T1接通,状态转移到S26上升。上升到最高位,X2接通,状态转移到S27左移。左移到最左位,使X4接通,返回初始状态,再开始第二次循环动作...

1、当您付费下载文档后,您只拥有了使用权限,并不意味着购买了版权,文档只能用于自身使用,不得用于其他商业用途(如 [转卖]进行直接盈利或[编辑后售卖]进行间接盈利)。
2、本站所有内容均由合作方或网友上传,本站不对文档的完整性、权威性及其观点立场正确性做任何保证或承诺!文档内容仅供研究参考,付费前请自行鉴别。
3、如文档内容存在违规,或者侵犯商业秘密、侵犯著作权等,请点击“违规举报”。

碎片内容

蜗牛文库的最新文档

二年级数学下册其中检测卷二年级数学下册其中检测卷附答案#期中测试卷.pdf
10.00金币
0下载
二年级数学下册期末质检卷(苏教版)二年级数学下册期末质检卷(苏教版)#期末复习 #期末测试卷 #二年级数学 #二年级数学下册#关注我持续更新小学知识.pdf
10.00金币
0下载
二年级数学下册期末混合运算专项练习二年级数学下册期末混合运算专项练习#二年级#二年级数学下册#关注我持续更新小学知识 #知识分享 #家长收藏孩子受益.pdf
10.00金币
1下载
二年级数学下册年月日三类周期问题解题方法二年级数学下册年月日三类周期问题解题方法#二年级#二年级数学下册#知识分享 #关注我持续更新小学知识 #家长收藏孩子受益.pdf
10.00金币
0下载
二年级数学下册解决问题专项训练二年级数学下册解决问题专项训练#专项训练#解决问题#二年级#二年级数学下册#知识分享.pdf
10.00金币
1下载
二年级数学下册还原问题二年级数学下册还原问题#二年级#二年级数学#关注我持续更新小学知识 #知识分享 #家长收藏孩子受益.pdf
10.00金币
1下载
二年级数学下册第六单元考试卷家长打印出来给孩子测试测试争取拿到高分!#小学二年级试卷分享 #二年级第六单考试数学 #第六单考试#二年级数学下册.pdf
10.00金币
0下载
二年级数学下册必背顺口溜口诀汇总二年级数学下册必背顺口溜口诀汇总#二年级#二年级数学下册 #知识分享 #家长收藏孩子受益 #关注我持续更新小学知识.pdf
10.00金币
0下载
二年级数学下册《重点难点思维题》两大问题解决技巧和方法巧算星期几解决周期问题还原问题强化思维训练老师精心整理家长可以打印出来给孩子练习#家长收藏孩子受益 #学霸秘籍 #思维训练 #二年级 #知识点总结.pdf
10.00金币
0下载
二年级数学下册 必背公式大全寒假提前背一背开学更轻松#二年级 #二年级数学 #二年级数学下册 #寒假充电计划 #公式.pdf
10.00金币
0下载
蜗牛文库+ 关注
实名认证
内容提供者

提供各种专业文档内容

确认删除?
QQ
  • QQ点击这里给我发消息
微信客服
  • 微信客服
回到顶部