电脑桌面
添加蜗牛文库到电脑桌面
安装后可以在桌面快捷访问

机械加工工序卡片 (2).docVIP免费

机械加工工序卡片 (2).doc_第1页
机械加工工序卡片 (2).doc_第2页
机械加工工序卡片 (2).doc_第3页
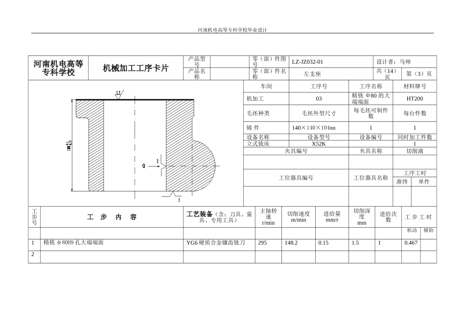
河南机电高等专科学校毕业设计河南机电高等专科学校机械加工工序卡片产品型号零(部)件图号LZ-JZ032-01设计者:马帅产品名称零(部)件名称左支座共(14)页第(1)页车间工序号工序名称材料牌号机加工01粗铣Φ80的小端端面HT200毛坯种类毛坯外型尺寸每毛坯可制件数每台件数铸件140×140×104mm11设备名称设备型号设备编号同时加工件数立式铣床X52K1夹具编号夹具名称切削液专用家具工位器具编号工位器具名称工序工时准终单件工步号工步内容工艺装备(含:刀具、量具、专用工具)主轴转速r/min切削速度m/min进给量mm/r切削深度mm进给次数工步工时(min)机动辅助1粗铣ф80H9孔小端端面YG6硬质合金镶齿铣刀47.523.8760.153.011.272粗铣ф80H9孔大端端面YG6硬质合金镶齿铣刀11859.310.22.842.41河南机电高等专科学校毕业设计河南机电高等专科学校机械加工工序卡片产品型号零(部)件图号LZ-JZ032-01设计者:马帅产品名称零(部)件名称左支座共(14)页第(2)页车间工序号工序名称材料牌号机加工02粗镗ф80H9内孔HT200毛坯种类毛坯外型尺寸每毛坯可制件数每台件数铸件140×140×104mm11设备名称设备型号设备编号同时加工件数卧式镗床T6111夹具编号夹具名称切削液工位器具编号工位器具名称工序工时准终单件工步号工步内容工艺装备(含:刀具、量具、专用工具)主轴转速r/min切削速度m/min进给量mm/r切削深度mm进给次数工步工时机动辅助1粗镗ф80H9内孔到ф77W18Cr4V高速钢樘刀8018.850.373.523.72河南机电高等专科学校毕业设计河南机电高等专科学校机械加工工序卡片产品型号零(部)件图号LZ-JZ032-01设计者:马帅产品名称零(部)件名称左支座共(14)页第(3)页车间工序号工序名称材料牌号机加工03精铣Φ80的大端端面HT200毛坯种类毛坯外型尺寸每毛坯可制件数每台件数铸件140×140×104mm11设备名称设备型号设备编号同时加工件数立式铣床X52K1夹具编号夹具名称切削液工位器具编号工位器具名称工序工时准终单件工步号工步内容工艺装备(含:刀具、量具、专用工具)主轴转速r/min切削速度m/min进给量mm/r切削深度mm进给次数工步工时机动辅助1精铣ф80H9孔大端端面YG6硬质合金镶齿铣刀295148.20.151.510.4672河南机电高等专科学校毕业设计河南机电高等专科学校机械加工工序卡片产品型号零(部)件图号LZ-JZ032-01设计者:马帅产品名称零(部)件名称左支座共(14)页第(4)页车间工序号工序名称材料牌号机加工04精镗Φ80的内孔和倒角HT200毛坯种类毛坯...

1、当您付费下载文档后,您只拥有了使用权限,并不意味着购买了版权,文档只能用于自身使用,不得用于其他商业用途(如 [转卖]进行直接盈利或[编辑后售卖]进行间接盈利)。
2、本站所有内容均由合作方或网友上传,本站不对文档的完整性、权威性及其观点立场正确性做任何保证或承诺!文档内容仅供研究参考,付费前请自行鉴别。
3、如文档内容存在违规,或者侵犯商业秘密、侵犯著作权等,请点击“违规举报”。

碎片内容

蜗牛文库的最新文档

二年级数学下册其中检测卷二年级数学下册其中检测卷附答案#期中测试卷.pdf
10.00金币
0下载
二年级数学下册期末质检卷(苏教版)二年级数学下册期末质检卷(苏教版)#期末复习 #期末测试卷 #二年级数学 #二年级数学下册#关注我持续更新小学知识.pdf
10.00金币
0下载
二年级数学下册期末混合运算专项练习二年级数学下册期末混合运算专项练习#二年级#二年级数学下册#关注我持续更新小学知识 #知识分享 #家长收藏孩子受益.pdf
10.00金币
1下载
二年级数学下册年月日三类周期问题解题方法二年级数学下册年月日三类周期问题解题方法#二年级#二年级数学下册#知识分享 #关注我持续更新小学知识 #家长收藏孩子受益.pdf
10.00金币
0下载
二年级数学下册解决问题专项训练二年级数学下册解决问题专项训练#专项训练#解决问题#二年级#二年级数学下册#知识分享.pdf
10.00金币
1下载
二年级数学下册还原问题二年级数学下册还原问题#二年级#二年级数学#关注我持续更新小学知识 #知识分享 #家长收藏孩子受益.pdf
10.00金币
1下载
二年级数学下册第六单元考试卷家长打印出来给孩子测试测试争取拿到高分!#小学二年级试卷分享 #二年级第六单考试数学 #第六单考试#二年级数学下册.pdf
10.00金币
0下载
二年级数学下册必背顺口溜口诀汇总二年级数学下册必背顺口溜口诀汇总#二年级#二年级数学下册 #知识分享 #家长收藏孩子受益 #关注我持续更新小学知识.pdf
10.00金币
0下载
二年级数学下册《重点难点思维题》两大问题解决技巧和方法巧算星期几解决周期问题还原问题强化思维训练老师精心整理家长可以打印出来给孩子练习#家长收藏孩子受益 #学霸秘籍 #思维训练 #二年级 #知识点总结.pdf
10.00金币
0下载
二年级数学下册 必背公式大全寒假提前背一背开学更轻松#二年级 #二年级数学 #二年级数学下册 #寒假充电计划 #公式.pdf
10.00金币
0下载
蜗牛文库+ 关注
实名认证
内容提供者

提供各种专业文档内容

确认删除?
QQ
  • QQ点击这里给我发消息
微信客服
  • 微信客服
回到顶部