电脑桌面
添加蜗牛文库到电脑桌面
安装后可以在桌面快捷访问

[www.staffempire.com]-HG 20613-1997 钢制管法兰用紧固件(欧洲体系).pdfVIP免费

[www.staffempire.com]-HG 20613-1997 钢制管法兰用紧固件(欧洲体系).pdf_第1页
[www.staffempire.com]-HG 20613-1997 钢制管法兰用紧固件(欧洲体系).pdf_第2页
[www.staffempire.com]-HG 20613-1997 钢制管法兰用紧固件(欧洲体系).pdf_第3页
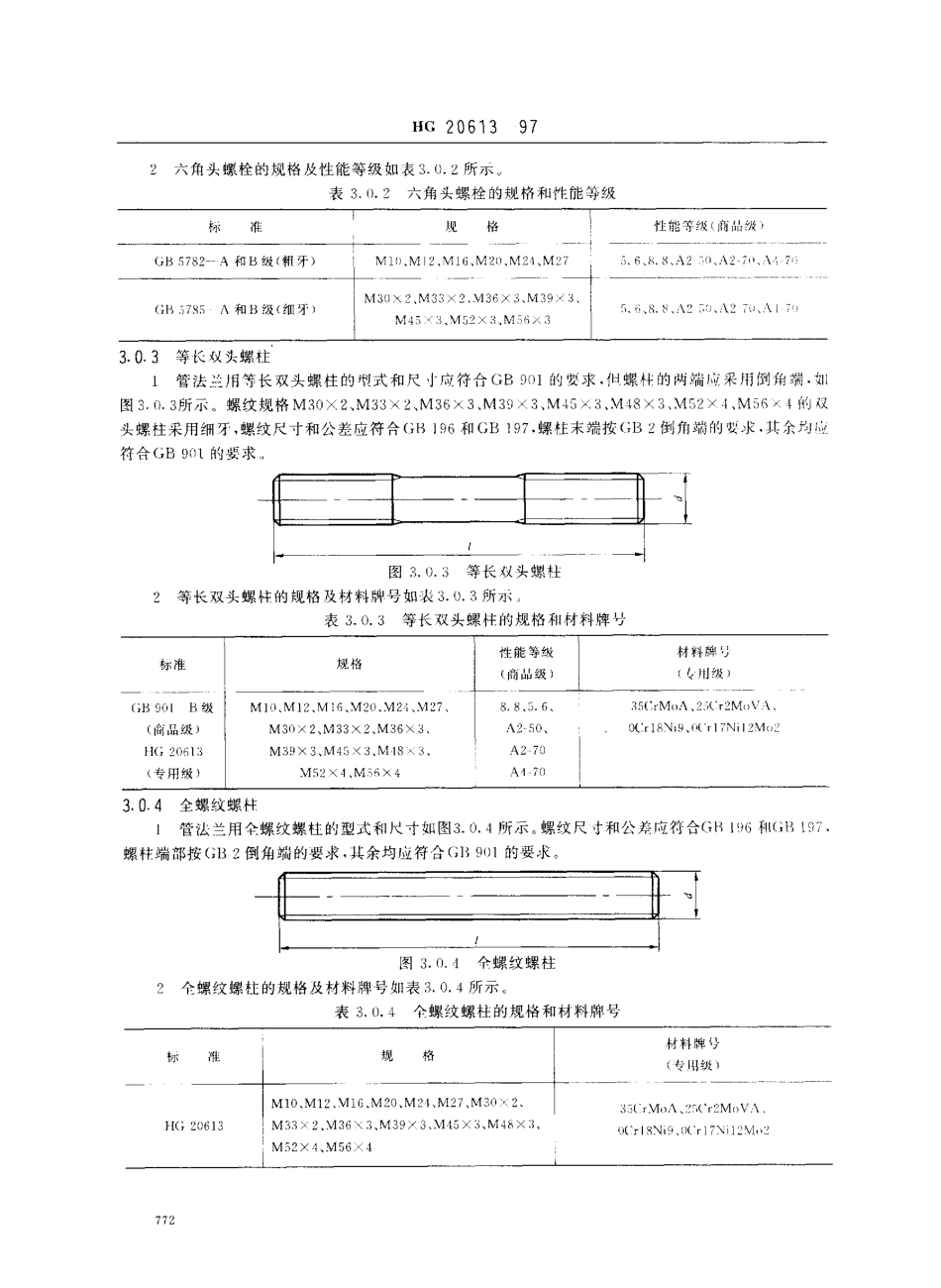
中华人民共和国化工行业标准钢制管法兰用紧固件(欧洲体系)HG20613971主题内容与适用范围本标准规定了钢制管法兰〔欧洲体系)用紧固件的型式、规格、技术要求和使用规定木标准适用于钢制管法兰用紧固件(六角头螺栓、等长双头螺栓、全螺纹螺柱和螺母)2引用标准GB2紧固件外螺纹零件末端G139〔J紧固件验收检查、标志与包装GB196普通螺纹草木尺寸GB197普通螺纹公差与配合GB901等长双头螺柱一B级G林1艺2。不锈钢棒GB3077合金结构钢技术条件GB3098.1紧固件机械性能螺栓、螺钉和螺柱GB3098.2紧固件机械性能螺母GB3098.4紧固件机械性能细牙螺母GB3098.6紧固件机械性能不锈钢螺栓、螺钉、螺柱和螺母GB5782六角头螺栓一A和卜级GB5785六角头螺栓一细牙-A和B级GB61701型六角螺母A和B级GB61711Ni六角螺母一细牙一A和B级JB473。压力容器无损检测3型式、规格、尺寸3.0.1紧固件的型式有六角头螺栓、等长双头螺柱、全螺纹螺柱、1型六角螺113.0.2六角头螺栓1管法兰)II六角头螺栓的型式和尺寸应符合GB5782(粗牙)和GB5786(细牙)的要求,如图3.0.'=所示.螺栓的端部应采用倒角端中华人民共和国化学工业部1997-11r图3.比2了批准2六角头螺栓1998-02一01实施HG20613972六角头螺栓的规格及性能等级如表3〔).艺所不表3.〔).2六角头螺栓的规格和性能等级标准r1能等级(商品ItGB5782-A和B级(粗牙)Ilo.mI,M16、MZ门、MZ路、MZ6吕.8八2几门'A三知,八一一GB洲然八和B级(细月M3OX2、M33/2、V136只3、M39M斗几sM场2X;iM三5火气弓几.八洲卜、二、2二萝r\三种八I3.0,3等长双头螺柱1管法兰用等长双头螺柱的刑式和尺」应符合GB901的要求。担螺柱的两端应采用倒角端.如图3.0.3所示。螺纹规格M30X2,M33X2,M36X3,M39X3,M45X3,M48X3,M52Xd,M56Xk的4}头螺柱采用细牙,螺纹尺寸和公差应符合GB196和GB197.螺柱末端按(;B2倒角端的要求。其余均应符合GBg吐的要求}}上一-.一毛图3.0.3等长双头螺柱2等长双头螺柱的规格及材料牌号如表3.0.3所i7C表3.0.3等长双头螺柱的规格和材料牌号标准规格性能等级〔商品级)材料牌号I专111级)(:B901B级(商,钻级〕HG20613(专用级)MI门,M12,MI6,M20,M2F,M27,M30X2,M33>-,M36火3.M39又3,X145'<3,N'I:-\3,M52又1,M三6汉今吕吕、5_6八250,A2-70A4-7035C,MoA,2FCr'2MoV、、UC门,SNi9,汉丫17N门EMu_10.4全螺纹螺柱1管法兰用全螺纹螺柱的型式和尺寸如图3.0.4所示螺纹尺寸和公差应符合(*B1'16和GB191螺柱端部按GB2倒角端的要求,其余均应符合“B901的要求{一一~—-—--才丁—一...

1、当您付费下载文档后,您只拥有了使用权限,并不意味着购买了版权,文档只能用于自身使用,不得用于其他商业用途(如 [转卖]进行直接盈利或[编辑后售卖]进行间接盈利)。
2、本站所有内容均由合作方或网友上传,本站不对文档的完整性、权威性及其观点立场正确性做任何保证或承诺!文档内容仅供研究参考,付费前请自行鉴别。
3、如文档内容存在违规,或者侵犯商业秘密、侵犯著作权等,请点击“违规举报”。

碎片内容

蜗牛文库的最新文档

二年级数学下册其中检测卷二年级数学下册其中检测卷附答案#期中测试卷.pdf
10.00金币
0下载
二年级数学下册期末质检卷(苏教版)二年级数学下册期末质检卷(苏教版)#期末复习 #期末测试卷 #二年级数学 #二年级数学下册#关注我持续更新小学知识.pdf
10.00金币
0下载
二年级数学下册期末混合运算专项练习二年级数学下册期末混合运算专项练习#二年级#二年级数学下册#关注我持续更新小学知识 #知识分享 #家长收藏孩子受益.pdf
10.00金币
1下载
二年级数学下册年月日三类周期问题解题方法二年级数学下册年月日三类周期问题解题方法#二年级#二年级数学下册#知识分享 #关注我持续更新小学知识 #家长收藏孩子受益.pdf
10.00金币
0下载
二年级数学下册解决问题专项训练二年级数学下册解决问题专项训练#专项训练#解决问题#二年级#二年级数学下册#知识分享.pdf
10.00金币
1下载
二年级数学下册还原问题二年级数学下册还原问题#二年级#二年级数学#关注我持续更新小学知识 #知识分享 #家长收藏孩子受益.pdf
10.00金币
1下载
二年级数学下册第六单元考试卷家长打印出来给孩子测试测试争取拿到高分!#小学二年级试卷分享 #二年级第六单考试数学 #第六单考试#二年级数学下册.pdf
10.00金币
0下载
二年级数学下册必背顺口溜口诀汇总二年级数学下册必背顺口溜口诀汇总#二年级#二年级数学下册 #知识分享 #家长收藏孩子受益 #关注我持续更新小学知识.pdf
10.00金币
0下载
二年级数学下册《重点难点思维题》两大问题解决技巧和方法巧算星期几解决周期问题还原问题强化思维训练老师精心整理家长可以打印出来给孩子练习#家长收藏孩子受益 #学霸秘籍 #思维训练 #二年级 #知识点总结.pdf
10.00金币
0下载
二年级数学下册 必背公式大全寒假提前背一背开学更轻松#二年级 #二年级数学 #二年级数学下册 #寒假充电计划 #公式.pdf
10.00金币
0下载
蜗牛文库+ 关注
实名认证
内容提供者

提供各种专业文档内容

确认删除?
QQ
  • QQ点击这里给我发消息
微信客服
  • 微信客服
回到顶部