电脑桌面
添加蜗牛文库到电脑桌面
安装后可以在桌面快捷访问

[www.staffempire.com]-GB-T_9116.3-2000_榫槽面带颈平焊钢制管法兰-1.pdfVIP免费

[www.staffempire.com]-GB-T_9116.3-2000_榫槽面带颈平焊钢制管法兰-1.pdf_第1页
[www.staffempire.com]-GB-T_9116.3-2000_榫槽面带颈平焊钢制管法兰-1.pdf_第2页
[www.staffempire.com]-GB-T_9116.3-2000_榫槽面带颈平焊钢制管法兰-1.pdf_第3页
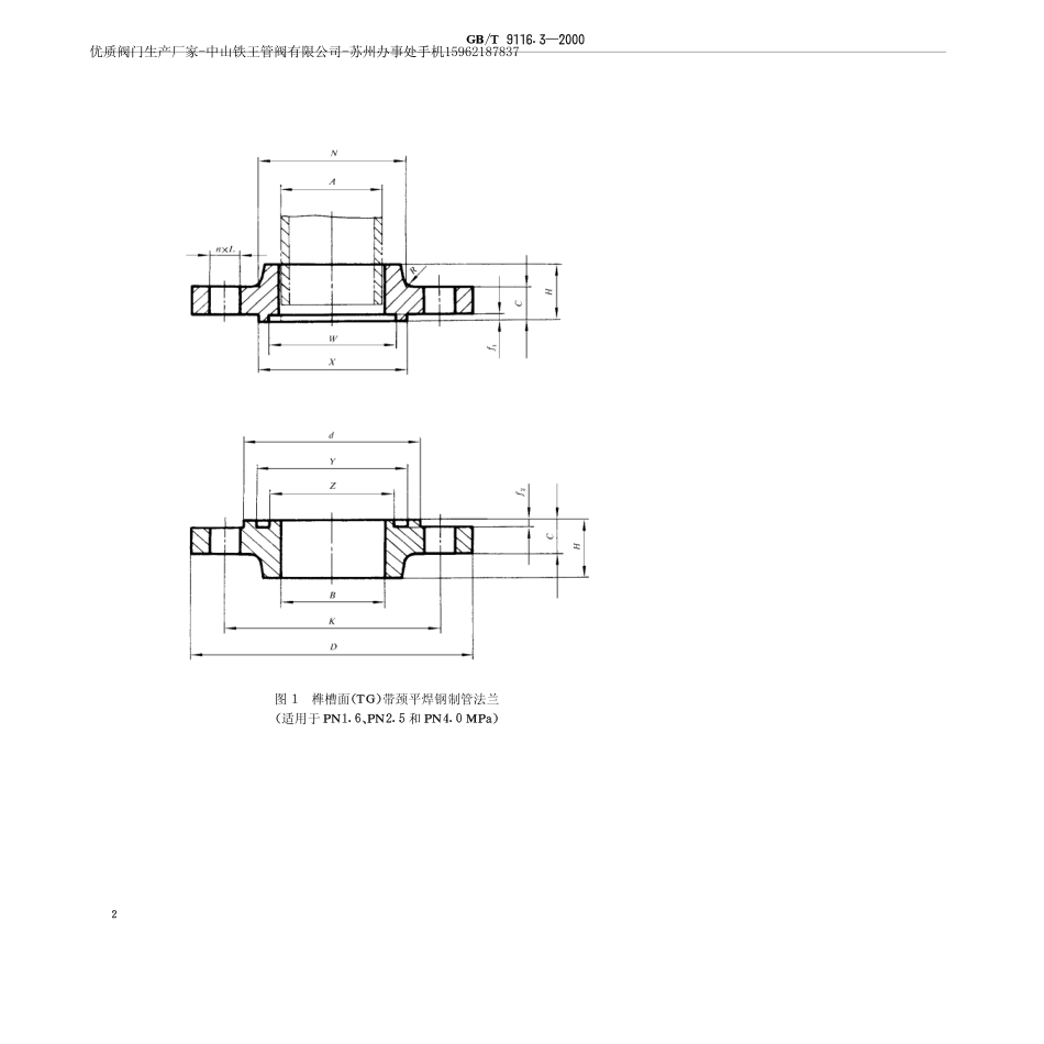
KingdomValves中山铁王管阀有限公司网站:Http://www.kicasting.comhttp://hi.baidu.com/0624索取相关资料电话:(0)15962187837(手机)emailyou@163.com(邮件)台湾铁王精密铸造有限公司简介铁王精密铸造有限公司成立于1973年,是台湾独资企业,为一拥有三十多年生产经验的世界级知名不锈钢、碳钢、合金钢铸造及加工公司,在广东省中山市和福建古田县分别设有铸造和阀门工厂,每年的产能达6000吨。台湾铁王已具有三十多年的国际销售历史,产品行销欧美、东南亚等世界五十几个国家和地区。本公司所有产品均按照美国石油学会编订API6D-0491号检验规范进行检测。中山铁王管阀有限公司简介中山铁王是台湾铁王于1991年在中国中山设立的一家专门从事不锈钢阀门及管配件的生产和销售服务中心,经营目的是将本公司的优质产品在国内推广。近几年来,为了配合祖国的建设事业,并先后成立了苏州、上海、成都、南京、北京、厦门、昆明等几十个办事处.主要产品:阀门:球阀、闸阀、蝶阀、隔膜阀止回阀;截止阀调节阀其它产品:不锈钢管接头、快速接头、高尔夫球头等;客户特别设计的OEM产品.汽车配件、电梯配件及高级建筑材料质量体系认证:目前主要产品有按API、ANSI、GB、DIN、JIS等各种标准及各种材质SS316、SS304、WCB等材质生产的各种球阀、蝶阀、止回阀、闸阀、截止阀、及各种系列和各种材质的快速接头及不锈钢管配件。近期又推出电磁阀及气动控制系统。本公司已于1993年通过美国石油学会API607及TüVISO9001质量体系认证,并被加拿大推荐为免检产品中山铁王管阀有限公司苏州办事处联系方式:地址:江苏省苏州市高新区狮山路76号华福大厦5楼C2室孙飞龙(先生)手机:(0)15962187837邮件:emailyou@163.com以下是您需要的标准资料,请查阅中华人民共和国国家标准榫槽面带颈平焊钢制管法兰代替国家质量技术监督局批准实施范围本标准规定了公称压力为和公称压力为的榫槽面带颈平焊钢制管法兰的型式和尺寸本标准适用于公称压力的榫槽面带颈平焊钢制管法兰引用标准下列标准所包含的条文通过在本标准中引用而构成为本标准的条文本标准出版时所示版本均为有效所有标准都会被修订使用本标准的各方应探讨使用下列标准最新版本的可能性钢制管法兰类型与参数钢制管法兰技术条件法兰的型式与尺寸和榫槽面带颈平焊钢制管法兰的型式应符合图的规定尺寸应符合表表的规定和榫槽面带颈平焊钢制管法兰的型式应符合图的规定尺寸应符合表表的规定法兰的技术要求法兰的技术要求应...

1、当您付费下载文档后,您只拥有了使用权限,并不意味着购买了版权,文档只能用于自身使用,不得用于其他商业用途(如 [转卖]进行直接盈利或[编辑后售卖]进行间接盈利)。
2、本站所有内容均由合作方或网友上传,本站不对文档的完整性、权威性及其观点立场正确性做任何保证或承诺!文档内容仅供研究参考,付费前请自行鉴别。
3、如文档内容存在违规,或者侵犯商业秘密、侵犯著作权等,请点击“违规举报”。

碎片内容

蜗牛文库的最新文档

二年级数学下册其中检测卷二年级数学下册其中检测卷附答案#期中测试卷.pdf
10.00金币
0下载
二年级数学下册期末质检卷(苏教版)二年级数学下册期末质检卷(苏教版)#期末复习 #期末测试卷 #二年级数学 #二年级数学下册#关注我持续更新小学知识.pdf
10.00金币
0下载
二年级数学下册期末混合运算专项练习二年级数学下册期末混合运算专项练习#二年级#二年级数学下册#关注我持续更新小学知识 #知识分享 #家长收藏孩子受益.pdf
10.00金币
1下载
二年级数学下册年月日三类周期问题解题方法二年级数学下册年月日三类周期问题解题方法#二年级#二年级数学下册#知识分享 #关注我持续更新小学知识 #家长收藏孩子受益.pdf
10.00金币
0下载
二年级数学下册解决问题专项训练二年级数学下册解决问题专项训练#专项训练#解决问题#二年级#二年级数学下册#知识分享.pdf
10.00金币
1下载
二年级数学下册还原问题二年级数学下册还原问题#二年级#二年级数学#关注我持续更新小学知识 #知识分享 #家长收藏孩子受益.pdf
10.00金币
1下载
二年级数学下册第六单元考试卷家长打印出来给孩子测试测试争取拿到高分!#小学二年级试卷分享 #二年级第六单考试数学 #第六单考试#二年级数学下册.pdf
10.00金币
0下载
二年级数学下册必背顺口溜口诀汇总二年级数学下册必背顺口溜口诀汇总#二年级#二年级数学下册 #知识分享 #家长收藏孩子受益 #关注我持续更新小学知识.pdf
10.00金币
0下载
二年级数学下册《重点难点思维题》两大问题解决技巧和方法巧算星期几解决周期问题还原问题强化思维训练老师精心整理家长可以打印出来给孩子练习#家长收藏孩子受益 #学霸秘籍 #思维训练 #二年级 #知识点总结.pdf
10.00金币
0下载
二年级数学下册 必背公式大全寒假提前背一背开学更轻松#二年级 #二年级数学 #二年级数学下册 #寒假充电计划 #公式.pdf
10.00金币
0下载
蜗牛文库+ 关注
实名认证
内容提供者

提供各种专业文档内容

确认删除?
QQ
  • QQ点击这里给我发消息
微信客服
  • 微信客服
回到顶部