电脑桌面
添加蜗牛文库到电脑桌面
安装后可以在桌面快捷访问

基于行动导向的焊工技能实训教学的探索实践.pdfVIP免费

基于行动导向的焊工技能实训教学的探索实践.pdf_第1页
基于行动导向的焊工技能实训教学的探索实践.pdf_第2页
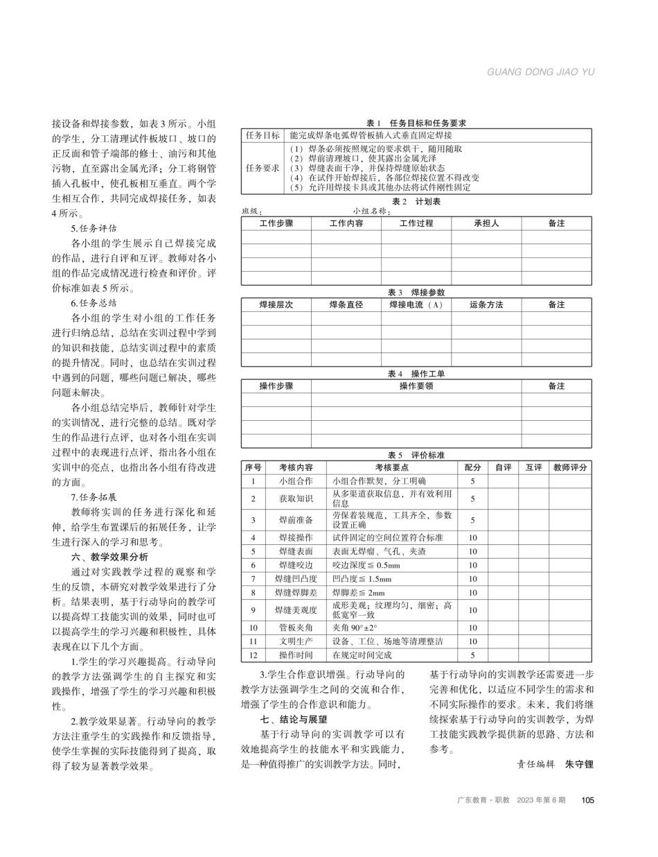
B实习实训基于行动导向的焊工技能实训教学的探索实践文/佛山市顺德区陈登职业技术学校段朱凯一、引言焊工技能是一项重要的工业技能,是制造业和建筑业中必不可少的一项技能。然而,由于焊接技术的特殊性,传统的理论教学方法往往难以满足学生的实际需求,而实训教学则成为提高学生技能水平的重要途径。本文基于行动导向的理论,探索了焊工技能实训教学的研究,旨在提高学生的实践能力和技能水平,为实践教学提供新的思路和方法。二、焊工技能的特点1.复杂性焊接技术是一项复杂的技术,需要学生掌握多种技能和操作方法,例如焊接材料的选择、焊接电流的调节、焊接速度的控制等。2.实践性焊接技术是一项实践性很强的技术,需要学生通过实际操作才能掌握。因此,实训教学在焊接技术的学习中具有重要的作用。3.安全性焊接技术是一项危险性较高的技术,需要学生遵守安全规范,掌握安全操作方法,避免事故的发生。三、焊工技能实训教学的现状焊工技能实训教学是一种以实践为主的教学方式,其目的是通过实践操作,培养学生掌握焊接技术的能力。目前,焊工技能实训教学在国内外得到了广泛的应用和推广。然而,传统的焊工技能实训教学方法存在一些问题,主要表现在以下几个方面。1.学生学习兴趣不高传统的焊工技能实训教学方法注重理论教学和技能操作的讲解,学生缺104广东教育·职教2023年第8期乏主动性和积极性,导致学习兴趣不高。2.教学效果不佳传统的焊工技能实训教学方法重视技能操作的讲解和演示,学生缺乏实际操作的机会,导致学生掌握的实际技能不足,教学效果不佳。3.教学资源有限传统的焊工技能实训教学方法需要大量的设备和场地,教学资源有限,难以满足学生的实际需求。四、基于行动导向的实训教学特点行动导向理论是一种以行动为导向的学习理论。它认为,学习应该是行动和思考的结合,而不仅仅是理论知识的学习。行动导向理论的核心思想是,学生通过实践和行动来学习,从而获得更深人的理解和更高效的学习体验。1.实践导向基于行动导向的实训教学模式以实践为导向,将学生的实际需求和实际操作紧密结合起来,使学生在实践中掌握技能和知识。例如,教学内容以实际操作为主,包括焊接基础知识的讲解、焊接工具和材料的使用、焊接技术的训练等,通过实践来帮助学生更好地掌握焊接技能。2.教学设计基于行动导向的实训教学需要针对学生的实际需求和实际操作进行教学设计,包括教学目标、教学内容、教学方法等。例如,采用模拟实际工作环境的实训教...

1、当您付费下载文档后,您只拥有了使用权限,并不意味着购买了版权,文档只能用于自身使用,不得用于其他商业用途(如 [转卖]进行直接盈利或[编辑后售卖]进行间接盈利)。
2、本站所有内容均由合作方或网友上传,本站不对文档的完整性、权威性及其观点立场正确性做任何保证或承诺!文档内容仅供研究参考,付费前请自行鉴别。
3、如文档内容存在违规,或者侵犯商业秘密、侵犯著作权等,请点击“违规举报”。

碎片内容

蜗牛文库的最新文档

二年级数学下册其中检测卷二年级数学下册其中检测卷附答案#期中测试卷.pdf
10.00金币
0下载
二年级数学下册期末质检卷(苏教版)二年级数学下册期末质检卷(苏教版)#期末复习 #期末测试卷 #二年级数学 #二年级数学下册#关注我持续更新小学知识.pdf
10.00金币
0下载
二年级数学下册期末混合运算专项练习二年级数学下册期末混合运算专项练习#二年级#二年级数学下册#关注我持续更新小学知识 #知识分享 #家长收藏孩子受益.pdf
10.00金币
1下载
二年级数学下册年月日三类周期问题解题方法二年级数学下册年月日三类周期问题解题方法#二年级#二年级数学下册#知识分享 #关注我持续更新小学知识 #家长收藏孩子受益.pdf
10.00金币
0下载
二年级数学下册解决问题专项训练二年级数学下册解决问题专项训练#专项训练#解决问题#二年级#二年级数学下册#知识分享.pdf
10.00金币
1下载
二年级数学下册还原问题二年级数学下册还原问题#二年级#二年级数学#关注我持续更新小学知识 #知识分享 #家长收藏孩子受益.pdf
10.00金币
1下载
二年级数学下册第六单元考试卷家长打印出来给孩子测试测试争取拿到高分!#小学二年级试卷分享 #二年级第六单考试数学 #第六单考试#二年级数学下册.pdf
10.00金币
0下载
二年级数学下册必背顺口溜口诀汇总二年级数学下册必背顺口溜口诀汇总#二年级#二年级数学下册 #知识分享 #家长收藏孩子受益 #关注我持续更新小学知识.pdf
10.00金币
0下载
二年级数学下册《重点难点思维题》两大问题解决技巧和方法巧算星期几解决周期问题还原问题强化思维训练老师精心整理家长可以打印出来给孩子练习#家长收藏孩子受益 #学霸秘籍 #思维训练 #二年级 #知识点总结.pdf
10.00金币
0下载
二年级数学下册 必背公式大全寒假提前背一背开学更轻松#二年级 #二年级数学 #二年级数学下册 #寒假充电计划 #公式.pdf
10.00金币
0下载
蜗牛文库+ 关注
实名认证
内容提供者

提供各种专业文档内容

确认删除?
QQ
  • QQ点击这里给我发消息
微信客服
  • 微信客服
回到顶部