电脑桌面
添加蜗牛文库到电脑桌面
安装后可以在桌面快捷访问

0iC_0IMATE C高速高精度加工调试.pdfVIP免费

0iC_0IMATE C高速高精度加工调试.pdf_第1页
0iC_0IMATE C高速高精度加工调试.pdf_第2页
0iC_0IMATE C高速高精度加工调试.pdf_第3页
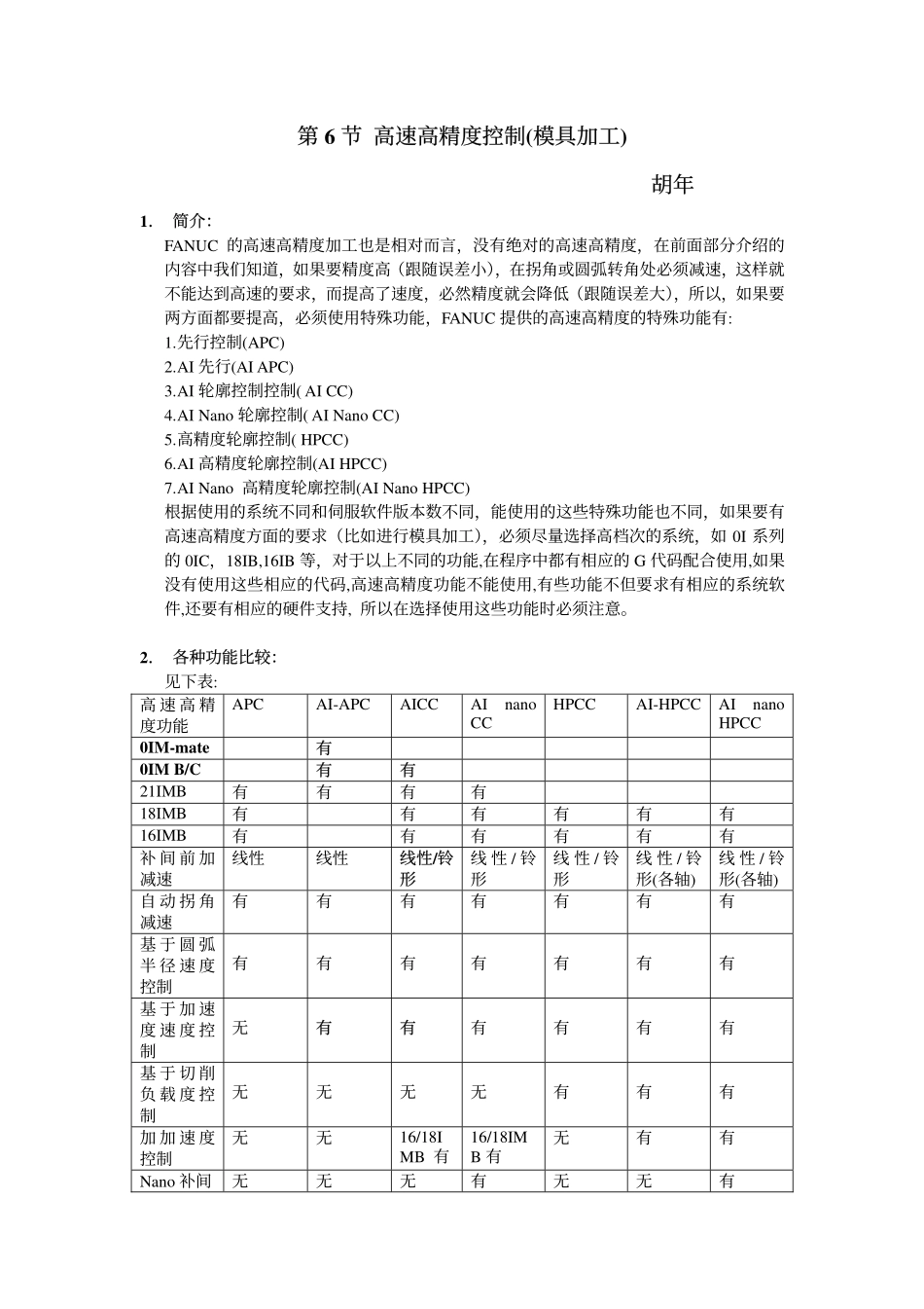
第6节高速高精度控制(模具加工)胡年1.简介:FANUC的高速高精度加工也是相对而言,没有绝对的高速高精度,在前面部分介绍的内容中我们知道,如果要精度高(跟随误差小),在拐角或圆弧转角处必须减速,这样就不能达到高速的要求,而提高了速度,必然精度就会降低(跟随误差大),所以,如果要两方面都要提高,必须使用特殊功能,FANUC提供的高速高精度的特殊功能有:1.先行控制(APC)2.AI先行(AIAPC)3.AI轮廓控制控制(AICC)4.AINano轮廓控制(AINanoCC)5.高精度轮廓控制(HPCC)6.AI高精度轮廓控制(AIHPCC)7.AINano高精度轮廓控制(AINanoHPCC)根据使用的系统不同和伺服软件版本数不同,能使用的这些特殊功能也不同,如果要有高速高精度方面的要求(比如进行模具加工),必须尽量选择高档次的系统,如0I系列的0IC,18IB,16IB等,对于以上不同的功能,在程序中都有相应的G代码配合使用,如果没有使用这些相应的代码,高速高精度功能不能使用,有些功能不但要求有相应的系统软件,还要有相应的硬件支持,所以在选择使用这些功能时必须注意。2.各种功能比较:见下表:高速高精度功能APCAI-APCAICCAInanoCCHPCCAI-HPCCAInanoHPCC0IM-mate有0IMB/C有有21IMB有有有有18IMB有有有有有有16IMB有有有有有有补间前加减速线性线性线性/铃形线性/铃形线性/铃形线性/铃形(各轴)线性/铃形(各轴)自动拐角减速有有有有有有有基于圆弧半径速度控制有有有有有有有基于加速度速度控制无有有有有有有基于切削负载度控制无无无无有有有加加速度控制无无16/18IMB有16/18IMB有无有有Nano补间无无无有无无有5轴加工功能无无无无无有有平滑补间无无无无有有有NURBS无无无无有有有附加硬件不要不要不要不要RISCRISCRISC预读程序段数11540180200(选择功能)200200程序G代码G08P1G05.1Q1G05.1Q1G05.1Q1G05P10000G05P10000G05P10000几点说明:1.由上述表中,可看到,使用什么系统可选择什么功能,比如0IC/B只能使用AIAPC(基本功能)和AICC(选择功能),他们之间的区别是补间前加减速类型(线性/铃型)和预读程序段数(15/40)。这个功能可以使机床在走小线段(模具加工)时,既有精度高的特点,也有非常平稳的特点,所以如果是模具加工,一定要选择AICC功能。2.关于预读程序段,如果是通常方式(没有以上功能),为0段。AICC40段为无铃型加减速时。3.NURBS:微小线段圆弧处理。只有G05P10000,才有此功能,AICC没有。BCAD4.基于圆弧半径速度控制和加速度控制:如下图。RVα=V2/R(加速度)α...

1、当您付费下载文档后,您只拥有了使用权限,并不意味着购买了版权,文档只能用于自身使用,不得用于其他商业用途(如 [转卖]进行直接盈利或[编辑后售卖]进行间接盈利)。
2、本站所有内容均由合作方或网友上传,本站不对文档的完整性、权威性及其观点立场正确性做任何保证或承诺!文档内容仅供研究参考,付费前请自行鉴别。
3、如文档内容存在违规,或者侵犯商业秘密、侵犯著作权等,请点击“违规举报”。

碎片内容

蜗牛文库的最新文档

二年级数学下册其中检测卷二年级数学下册其中检测卷附答案#期中测试卷.pdf
10.00金币
0下载
二年级数学下册期末质检卷(苏教版)二年级数学下册期末质检卷(苏教版)#期末复习 #期末测试卷 #二年级数学 #二年级数学下册#关注我持续更新小学知识.pdf
10.00金币
0下载
二年级数学下册期末混合运算专项练习二年级数学下册期末混合运算专项练习#二年级#二年级数学下册#关注我持续更新小学知识 #知识分享 #家长收藏孩子受益.pdf
10.00金币
1下载
二年级数学下册年月日三类周期问题解题方法二年级数学下册年月日三类周期问题解题方法#二年级#二年级数学下册#知识分享 #关注我持续更新小学知识 #家长收藏孩子受益.pdf
10.00金币
0下载
二年级数学下册解决问题专项训练二年级数学下册解决问题专项训练#专项训练#解决问题#二年级#二年级数学下册#知识分享.pdf
10.00金币
1下载
二年级数学下册还原问题二年级数学下册还原问题#二年级#二年级数学#关注我持续更新小学知识 #知识分享 #家长收藏孩子受益.pdf
10.00金币
1下载
二年级数学下册第六单元考试卷家长打印出来给孩子测试测试争取拿到高分!#小学二年级试卷分享 #二年级第六单考试数学 #第六单考试#二年级数学下册.pdf
10.00金币
0下载
二年级数学下册必背顺口溜口诀汇总二年级数学下册必背顺口溜口诀汇总#二年级#二年级数学下册 #知识分享 #家长收藏孩子受益 #关注我持续更新小学知识.pdf
10.00金币
0下载
二年级数学下册《重点难点思维题》两大问题解决技巧和方法巧算星期几解决周期问题还原问题强化思维训练老师精心整理家长可以打印出来给孩子练习#家长收藏孩子受益 #学霸秘籍 #思维训练 #二年级 #知识点总结.pdf
10.00金币
0下载
二年级数学下册 必背公式大全寒假提前背一背开学更轻松#二年级 #二年级数学 #二年级数学下册 #寒假充电计划 #公式.pdf
10.00金币
0下载
蜗牛文库+ 关注
实名认证
内容提供者

提供各种专业文档内容

确认删除?
QQ
  • QQ点击这里给我发消息
微信客服
  • 微信客服
回到顶部