电脑桌面
添加蜗牛文库到电脑桌面
安装后可以在桌面快捷访问

1.平面导轨间隙调整装置.pdfVIP免费

1.平面导轨间隙调整装置.pdf_第1页
1.平面导轨间隙调整装置.pdf_第2页
1.平面导轨间隙调整装置.pdf_第3页
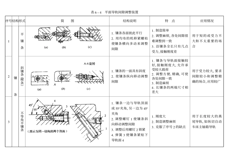
表!"#平面导轨间隙调整装置序号结构形式简图结构说明特点应用情况$%&镶条平镶条$’镶条各面彼此平行%’用均布的机移紧螺枯使镶条横向多动来调整间隙$’制造简单%’调整麻烦,各处间隙很难调整到一致&’沿镶条全长只有几点受力,接触刚度差用于短的或受力不大和不太重要的场合斜镶条︵楔条︶$’镶条的一面具有斜度%’使镶条纵向移动调整间隙$’镶条与导轨面接触较好,接触刚度大,允许承受较大载荷%’调整方便、精确,可使各处间隙一致&’制造麻烦#’长镶条的两端尺寸相差大用于受力较大,要求间隙较小和调整精确的场合,应用较广不等角平镶条$’镶条一边与导轨顶面成(()夹角,另一边为#()夹角%’调整螺钉$使镶条斜向移动调整间隙&’调整后用螺钉%锁紧#’弹簧&使镶条紧贴下导轨面#$’刚度大%’制造调整麻烦&’克服了序号%的缺点用于长度较大的燕尾导轨,如纵切自动车床主轴箱导轨序号结构形式简图结构说明特点应用情况!"#镶条闭式导轨用梯形导轨镶条$为梯形截面,其上有螺纹孔,用螺钉%将镶条向外拉可增大间隙%&刚度大’&调整间隙精确$&调整麻烦用于整体结构的闭式导轨(不用压板组合),以承受较大的颠复力矩燕尾导轨用梯形镶条松开螺钉’,用螺钉%使镶条$横向移动来调整间隙,再拧紧螺钉’%&刚度好’&装配方便(可垂直于运动方向安装)$&调整麻烦用于受颠复力矩大的燕尾导轨,应用广泛。调整垫片%或磨刮结合面’。使镶条上下移动来调整间隙%&刚度好’&调整麻烦$&垂直面要求严格同上序号结构形式简图结构说明特点应用情况!镶条燕尾导轨用样形镶条用螺钉使镶条上下移动来调整间隙(螺钉"可使#向下顶)$%压力分均匀"%实现夹紧简单#%调整麻烦用于受颠复力矩大的燕尾导轨&’$(压板矩形压板调整间隙时磨削或修刮接合面$,或用垫片"进行调整$%结构简单"%调整麻烦,要拆卸压板用于磨损较小或间隙对工精度影响不大的场从合)形压板$%压板*截面为)形"%调整间隙时先松开螺钉"、#,用螺钉$移动压板$%调整方便"%比平压板结构复杂#%制造麻烦应用较少带楔条的压板压板与导轨间的间隙用镶条调整$—平镶条"—斜镶条$%调整方便"%间隙可精确调节#%刚度低(用斜镶条时比用平镶条时好)平镶条适用于轻载荷,斜镶条适用于截荷大,需要精确调整的场合。表!"#典型环节的动态特性

1、当您付费下载文档后,您只拥有了使用权限,并不意味着购买了版权,文档只能用于自身使用,不得用于其他商业用途(如 [转卖]进行直接盈利或[编辑后售卖]进行间接盈利)。
2、本站所有内容均由合作方或网友上传,本站不对文档的完整性、权威性及其观点立场正确性做任何保证或承诺!文档内容仅供研究参考,付费前请自行鉴别。
3、如文档内容存在违规,或者侵犯商业秘密、侵犯著作权等,请点击“违规举报”。

碎片内容

蜗牛文库的最新文档

二年级数学下册其中检测卷二年级数学下册其中检测卷附答案#期中测试卷.pdf
10.00金币
0下载
二年级数学下册期末质检卷(苏教版)二年级数学下册期末质检卷(苏教版)#期末复习 #期末测试卷 #二年级数学 #二年级数学下册#关注我持续更新小学知识.pdf
10.00金币
0下载
二年级数学下册期末混合运算专项练习二年级数学下册期末混合运算专项练习#二年级#二年级数学下册#关注我持续更新小学知识 #知识分享 #家长收藏孩子受益.pdf
10.00金币
1下载
二年级数学下册年月日三类周期问题解题方法二年级数学下册年月日三类周期问题解题方法#二年级#二年级数学下册#知识分享 #关注我持续更新小学知识 #家长收藏孩子受益.pdf
10.00金币
0下载
二年级数学下册解决问题专项训练二年级数学下册解决问题专项训练#专项训练#解决问题#二年级#二年级数学下册#知识分享.pdf
10.00金币
1下载
二年级数学下册还原问题二年级数学下册还原问题#二年级#二年级数学#关注我持续更新小学知识 #知识分享 #家长收藏孩子受益.pdf
10.00金币
1下载
二年级数学下册第六单元考试卷家长打印出来给孩子测试测试争取拿到高分!#小学二年级试卷分享 #二年级第六单考试数学 #第六单考试#二年级数学下册.pdf
10.00金币
0下载
二年级数学下册必背顺口溜口诀汇总二年级数学下册必背顺口溜口诀汇总#二年级#二年级数学下册 #知识分享 #家长收藏孩子受益 #关注我持续更新小学知识.pdf
10.00金币
0下载
二年级数学下册《重点难点思维题》两大问题解决技巧和方法巧算星期几解决周期问题还原问题强化思维训练老师精心整理家长可以打印出来给孩子练习#家长收藏孩子受益 #学霸秘籍 #思维训练 #二年级 #知识点总结.pdf
10.00金币
0下载
二年级数学下册 必背公式大全寒假提前背一背开学更轻松#二年级 #二年级数学 #二年级数学下册 #寒假充电计划 #公式.pdf
10.00金币
0下载
蜗牛文库+ 关注
实名认证
内容提供者

提供各种专业文档内容

确认删除?
QQ
  • QQ点击这里给我发消息
微信客服
  • 微信客服
回到顶部