电脑桌面
添加蜗牛文库到电脑桌面
安装后可以在桌面快捷访问

7:24_圆锥_强制传动的莫氏圆锥中间套_尺寸jbt3411.104.pdfVIP免费

7:24_圆锥_强制传动的莫氏圆锥中间套_尺寸jbt3411.104.pdf_第1页
7:24_圆锥_强制传动的莫氏圆锥中间套_尺寸jbt3411.104.pdf_第2页
7:24_圆锥_强制传动的莫氏圆锥中间套_尺寸jbt3411.104.pdf_第3页
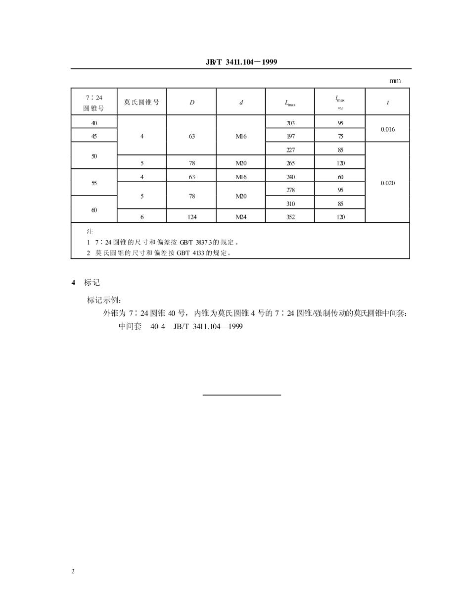
ICS25.080.01J52JB/T3411.104-19997∶24圆锥/强制传动的莫氏圆锥中间套尺寸Changingdiameterbushwith7∶24taper/positivemosetaper—Dimensions1999-05-20发布2000-01-01实施国家机械工业局发布11范围本标准规定了7∶24圆锥/强制传动的莫氏圆锥中间套的型式和尺寸。2引用标准下列标准所包含的条文,通过在本标准中引用而构成为本标准的条文。本标准出版时,所示版本均为有效。所有标准都会被修订,使用本标准的各方应探讨使用下列标准最新版本的可能性。GB/T1443—1996机床和工具柄用自夹圆锥GB/T3837.3—19837∶24圆锥联结工具锥柄GB/T4133—1984莫氏圆锥的强制传动型式及尺寸3型式和尺寸型式和尺寸按下图和表的规定。注:螺钉的形状和固定方法仅作为一个示例。国家机械工业局1999-05-20批准中华人民共和国机械行业标准7∶24圆锥/强制传动的莫氏圆锥中间套尺寸Changingdiameterbushwith7∶24taper/positivemosetaper—DimensionsJB/T3411.104-1999代替JB3515—832000-01-01实施JB/T3411.104-19992mm7∶24圆锥号莫氏圆锥号DdLmaxlmax≈t402039545197750.016463M162278550578M20265120463M16240605527895578M2031085606124M243521200.020注17∶24圆锥的尺寸和偏差按GB/T3837.3的规定。2莫氏圆锥的尺寸和偏差按GB/T4133的规定。4标记标记示例:外锥为7∶24圆锥40号,内锥为莫氏圆锥4号的7∶24圆锥/强制传动的莫氏圆锥中间套:中间套40–4JB/T3411.104—1999JB/T3411.104-1999中华人民共和国机械行业标准7∶24圆锥/强制传动的莫氏圆锥中间套尺寸JB/T3411.104-1999*机械工业部机械标准化研究所出版发行机械工业部机械标准化研究所印刷(北京首体南路2号邮编100044)*开本880×12301/16印张X/X字数XXX,XXX19XX年XX月第X版19XX年XX月第X印刷印数1-XXX定价XXX.XX元编号XX-XXX

1、当您付费下载文档后,您只拥有了使用权限,并不意味着购买了版权,文档只能用于自身使用,不得用于其他商业用途(如 [转卖]进行直接盈利或[编辑后售卖]进行间接盈利)。
2、本站所有内容均由合作方或网友上传,本站不对文档的完整性、权威性及其观点立场正确性做任何保证或承诺!文档内容仅供研究参考,付费前请自行鉴别。
3、如文档内容存在违规,或者侵犯商业秘密、侵犯著作权等,请点击“违规举报”。

碎片内容

蜗牛文库的最新文档

二年级数学下册其中检测卷二年级数学下册其中检测卷附答案#期中测试卷.pdf
10.00金币
0下载
二年级数学下册期末质检卷(苏教版)二年级数学下册期末质检卷(苏教版)#期末复习 #期末测试卷 #二年级数学 #二年级数学下册#关注我持续更新小学知识.pdf
10.00金币
0下载
二年级数学下册期末混合运算专项练习二年级数学下册期末混合运算专项练习#二年级#二年级数学下册#关注我持续更新小学知识 #知识分享 #家长收藏孩子受益.pdf
10.00金币
1下载
二年级数学下册年月日三类周期问题解题方法二年级数学下册年月日三类周期问题解题方法#二年级#二年级数学下册#知识分享 #关注我持续更新小学知识 #家长收藏孩子受益.pdf
10.00金币
0下载
二年级数学下册解决问题专项训练二年级数学下册解决问题专项训练#专项训练#解决问题#二年级#二年级数学下册#知识分享.pdf
10.00金币
1下载
二年级数学下册还原问题二年级数学下册还原问题#二年级#二年级数学#关注我持续更新小学知识 #知识分享 #家长收藏孩子受益.pdf
10.00金币
1下载
二年级数学下册第六单元考试卷家长打印出来给孩子测试测试争取拿到高分!#小学二年级试卷分享 #二年级第六单考试数学 #第六单考试#二年级数学下册.pdf
10.00金币
0下载
二年级数学下册必背顺口溜口诀汇总二年级数学下册必背顺口溜口诀汇总#二年级#二年级数学下册 #知识分享 #家长收藏孩子受益 #关注我持续更新小学知识.pdf
10.00金币
0下载
二年级数学下册《重点难点思维题》两大问题解决技巧和方法巧算星期几解决周期问题还原问题强化思维训练老师精心整理家长可以打印出来给孩子练习#家长收藏孩子受益 #学霸秘籍 #思维训练 #二年级 #知识点总结.pdf
10.00金币
0下载
二年级数学下册 必背公式大全寒假提前背一背开学更轻松#二年级 #二年级数学 #二年级数学下册 #寒假充电计划 #公式.pdf
10.00金币
0下载
蜗牛文库+ 关注
实名认证
内容提供者

提供各种专业文档内容

确认删除?
QQ
  • QQ点击这里给我发消息
微信客服
  • 微信客服
回到顶部