电脑桌面
添加蜗牛文库到电脑桌面
安装后可以在桌面快捷访问

JBT 7228-1994风量调节阀.pdfVIP免费

JBT 7228-1994风量调节阀.pdf_第1页
JBT 7228-1994风量调节阀.pdf_第2页
JBT 7228-1994风量调节阀.pdf_第3页
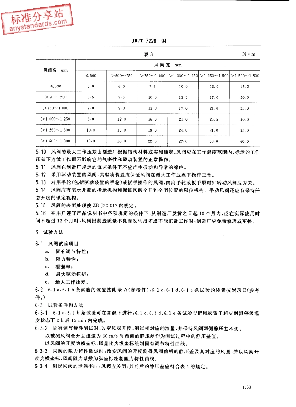
中华人民共和国机械行业标准.rB/T7228-94风量调节阀1主皿内容与适用范围本标准规定了风量调节阀(以下简称风阀)的分类、技术要求、试验方法、检验规则、标志、包装和贮存。本标准适用于通风空调系统中用于改变系统风量的矩形风阀,圆形风阀亦应参照使用本标准不适用于除尘系统用风阀。2引用标准GB/T1804GB/T13306ZBJ72017ZBJ72026一般公差线性尺寸的未注公差标牌采暖通风与空气调节设备涂装技术条件冷暖通风设备包装通用技术条件3术语3门泄漏率风阀的泄漏率是指风阀全关时的泄漏风量与全开时通过风量之比。3.2开度风阀的开度指叶片角度改变后的气流流通截面积占全开时实际流通截面积的百分比。对开式多叶风阀、平行式多叶风阀和蝶阀亦可用叶片与风管轴线的夹角来表示风阀的开度。3.3风量比风量比指叶片角度改变后所测得的风量与全开时风量的百分比。3.4阻力特性风阀阻力特性指风阀前后静压差与其对应的动压(速度头)的比值。4分类4.1按风阀叶片的运动方式分为四类a.对开式多叶风阀;b平行式多叶风阀;c.菱形叶片风阀;d.蝶阀。4.2型号表示方法中华人民共和国机械工业部1994-07-18批准1995一07一01实施1351JB/'r7228--94F口口一口X口口—风阀驱动方式:电动用D,气动用Q,乎动用S,电、手动两用用DS,气、手动两用用QS表示一一风阀高:叶片数方向的内口尺寸,用阿拉伯数字表示,mm—风阀宽:叶片轴向的内口尺寸,用阿拉伯数字表示,mm—风阀耐温等级代号:工作温度为一40一950C用1表示,工作温度为一55~205℃用2表示—风阀叶片运动方式代号:对开式用D表示,平行式用P表示,菱形用L表示,蝶阀不表示—风阀代号型号示例:FP2-1000X500D表示平行式多叶电动风阀,工作温度一55^205'C,宽1000mm,高500mmo5技术要求5.,风阀应按本标准的规定,并按经规定程序批准的图样及技术文件制造。5.2流人风阀的空气温度范围为:1级:一40^95C;2级:一55^-205C。5.3风阀应采用镀锌钢板、铝合金型材、不锈钢或其他能满足其使用要求的材料制作。5.4整台风阀装成后,应联结牢固,启闭灵活。各转动部位应转动平稳,无卡阻和碰擦。5.5风阀的叶片在全开时应垂直于流通截面,在全闭时平行于流通截面。5.6整台风阀装成后,各面的两对角线长度之差应不大于表1的规定。风阀两端法兰平面的平面度公差应符合表2的规定。表1’mm对角线长度镇1000>1000^.1500>1500^-2000>2000两对角线之差1.52.02.53.0表2风阀端面的长边毛1000>1000--1500>1500^-2000>2000公差值2.02.53.03.5风阀宽和高的公差应符合...

1、当您付费下载文档后,您只拥有了使用权限,并不意味着购买了版权,文档只能用于自身使用,不得用于其他商业用途(如 [转卖]进行直接盈利或[编辑后售卖]进行间接盈利)。
2、本站所有内容均由合作方或网友上传,本站不对文档的完整性、权威性及其观点立场正确性做任何保证或承诺!文档内容仅供研究参考,付费前请自行鉴别。
3、如文档内容存在违规,或者侵犯商业秘密、侵犯著作权等,请点击“违规举报”。

碎片内容

蜗牛文库的最新文档

二年级数学下册其中检测卷二年级数学下册其中检测卷附答案#期中测试卷.pdf
10.00金币
0下载
二年级数学下册期末质检卷(苏教版)二年级数学下册期末质检卷(苏教版)#期末复习 #期末测试卷 #二年级数学 #二年级数学下册#关注我持续更新小学知识.pdf
10.00金币
0下载
二年级数学下册期末混合运算专项练习二年级数学下册期末混合运算专项练习#二年级#二年级数学下册#关注我持续更新小学知识 #知识分享 #家长收藏孩子受益.pdf
10.00金币
1下载
二年级数学下册年月日三类周期问题解题方法二年级数学下册年月日三类周期问题解题方法#二年级#二年级数学下册#知识分享 #关注我持续更新小学知识 #家长收藏孩子受益.pdf
10.00金币
0下载
二年级数学下册解决问题专项训练二年级数学下册解决问题专项训练#专项训练#解决问题#二年级#二年级数学下册#知识分享.pdf
10.00金币
1下载
二年级数学下册还原问题二年级数学下册还原问题#二年级#二年级数学#关注我持续更新小学知识 #知识分享 #家长收藏孩子受益.pdf
10.00金币
1下载
二年级数学下册第六单元考试卷家长打印出来给孩子测试测试争取拿到高分!#小学二年级试卷分享 #二年级第六单考试数学 #第六单考试#二年级数学下册.pdf
10.00金币
0下载
二年级数学下册必背顺口溜口诀汇总二年级数学下册必背顺口溜口诀汇总#二年级#二年级数学下册 #知识分享 #家长收藏孩子受益 #关注我持续更新小学知识.pdf
10.00金币
0下载
二年级数学下册《重点难点思维题》两大问题解决技巧和方法巧算星期几解决周期问题还原问题强化思维训练老师精心整理家长可以打印出来给孩子练习#家长收藏孩子受益 #学霸秘籍 #思维训练 #二年级 #知识点总结.pdf
10.00金币
0下载
二年级数学下册 必背公式大全寒假提前背一背开学更轻松#二年级 #二年级数学 #二年级数学下册 #寒假充电计划 #公式.pdf
10.00金币
0下载
蜗牛文库+ 关注
实名认证
内容提供者

提供各种专业文档内容

确认删除?
QQ
  • QQ点击这里给我发消息
微信客服
  • 微信客服
回到顶部