电脑桌面
添加蜗牛文库到电脑桌面
安装后可以在桌面快捷访问

GB T 19868.1-2005基于试验焊接材料的工艺评定.pdfVIP免费

GB T 19868.1-2005基于试验焊接材料的工艺评定.pdf_第1页
GB T 19868.1-2005基于试验焊接材料的工艺评定.pdf_第2页
GB T 19868.1-2005基于试验焊接材料的工艺评定.pdf_第3页
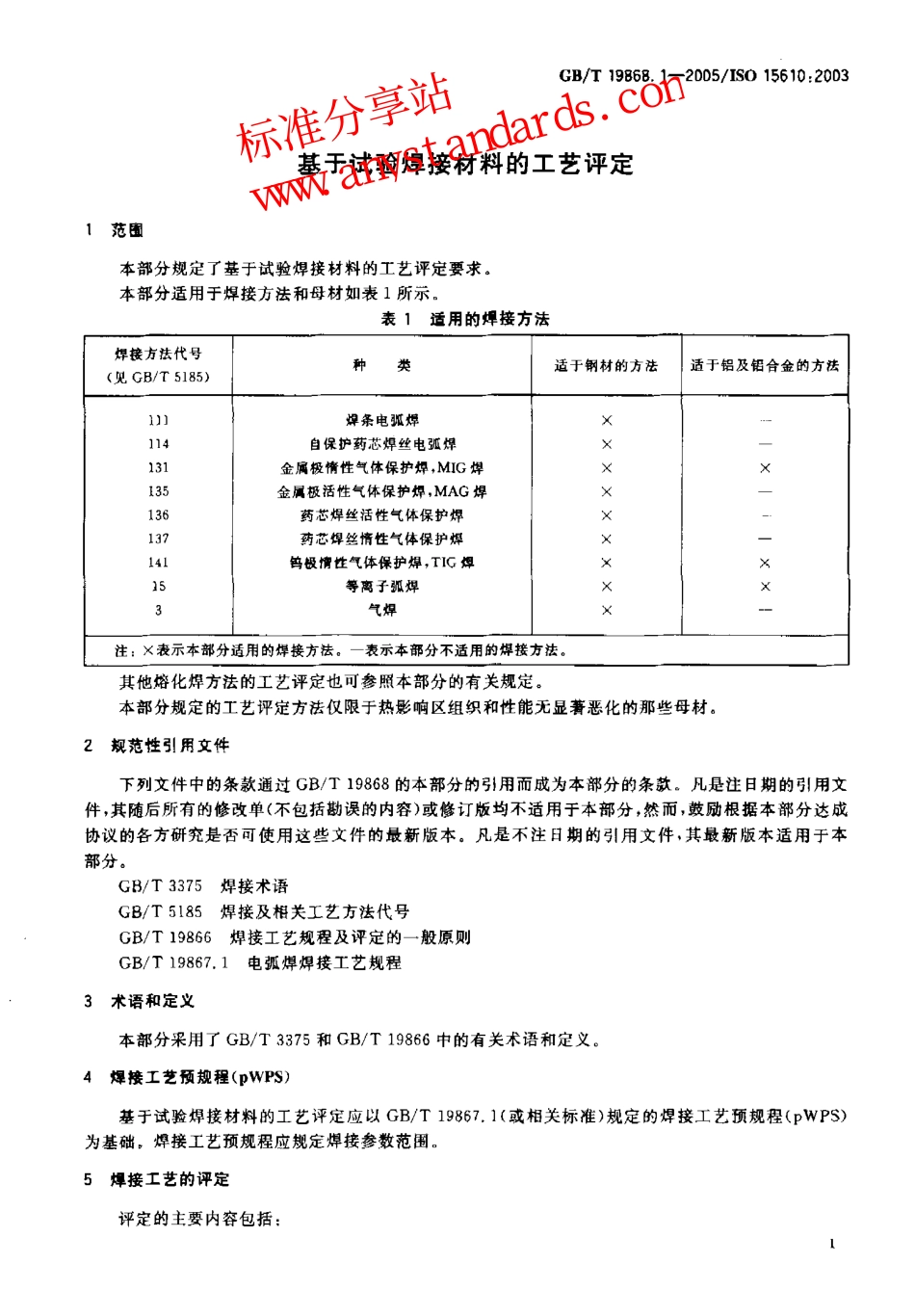
ICS25.160.10J33中华人民共和国国家标准GB/T19868.1-2005/ISO15610:2003基于试验焊接材料的工艺评定Weldingprocedurequalificationbasedontestedweldingconsumables(ISO15610:2003,Specificationandqualificationofweldingproceduresformetallicmaterials-Qualificationbasedontestedweldingconsumables,IDT)2005-08-10发布2006-04-01实施中华人民共和国国家质量监督检验检疫总局中国国家标准化管理委员会发布标准分享站www.anystandards.comGB/T19868.1-2005/ISO15610:2003前言本部分等同采用ISO15610:2003《金属材料焊接工艺规程及评定基于试验焊接材料的工艺评定》(英文版)。为了保证标准的协调性和可操作性,本标准在等同转化国际标准时做了必要的编辑性改动。与ISO15610相比,本部分在内容方面主要有如下变化:—,直接采用了GB/T3375((焊接术语》的术语;—增加了附录A和附录B,用于说明有关材料的类组划分。本部分系首次发布。本部分的附录A、附录B为资料性附录。本部分由中国机械工业联合会提出。本部分由全国焊接标准化技术委员会归口。本部分负责起草单位:哈尔滨焊接研究所、哈尔滨焊接技术培训中心。本部分主要起草人:朴东光、钱强、王林。标准分享站www.anystandards.comGB/T19868.1-2005/ISO15610:2003基于试验焊接材料的工艺评定范围本部分规定了基于试验焊接材料的工艺评定要求。本部分适用于焊接方法和母材如表1所示表1适用的焊接方法焊接方法代号(见GB/T5185)种类适于钢材的方法适于铝及铝合金的方法1711141311351361371411S3焊条电弧焊自保护药芯焊丝电弧焊金属极惰性气体保护焊,MIG焊金属极活性气体保护焊,MAG焊药芯焊丝活性气体保护焊药芯焊丝惰性气体保护焊钨极惰性气体保护焊,TIC,俘等离子弧焊气焊XXXXXXXXXXXX注:X表示本部分适用的焊接方法。一表示本部分不适用的焊接方法。其他熔化焊方法的工艺评定也可参照本部分的有关规定。本部分规定的工艺评定方法仅限于热影响区组织和性能无显著恶化的那些母材。2规范性引用文件下列文件中的条款通过GB/T19868的本部分的引用而成为本部分的条款。凡是注日期的引用文件,其随后所有的修改单(不包括勘误的内容)或修订版均不适用于本部分,然而,鼓励根据本部分达成协议的各方研究是否可使用这些文件的最新版本。凡是不注日期的引用文件,其最新版本适用于本部分。GB/T3375焊接术语GB/T5185焊接及相关工艺方法代号GB/T19866焊接工艺规程及评定的一般原则GB/T19867.1电弧焊焊接工艺规程术...

1、当您付费下载文档后,您只拥有了使用权限,并不意味着购买了版权,文档只能用于自身使用,不得用于其他商业用途(如 [转卖]进行直接盈利或[编辑后售卖]进行间接盈利)。
2、本站所有内容均由合作方或网友上传,本站不对文档的完整性、权威性及其观点立场正确性做任何保证或承诺!文档内容仅供研究参考,付费前请自行鉴别。
3、如文档内容存在违规,或者侵犯商业秘密、侵犯著作权等,请点击“违规举报”。

碎片内容

蜗牛文库的最新文档

二年级数学下册其中检测卷二年级数学下册其中检测卷附答案#期中测试卷.pdf
10.00金币
0下载
二年级数学下册期末质检卷(苏教版)二年级数学下册期末质检卷(苏教版)#期末复习 #期末测试卷 #二年级数学 #二年级数学下册#关注我持续更新小学知识.pdf
10.00金币
0下载
二年级数学下册期末混合运算专项练习二年级数学下册期末混合运算专项练习#二年级#二年级数学下册#关注我持续更新小学知识 #知识分享 #家长收藏孩子受益.pdf
10.00金币
1下载
二年级数学下册年月日三类周期问题解题方法二年级数学下册年月日三类周期问题解题方法#二年级#二年级数学下册#知识分享 #关注我持续更新小学知识 #家长收藏孩子受益.pdf
10.00金币
0下载
二年级数学下册解决问题专项训练二年级数学下册解决问题专项训练#专项训练#解决问题#二年级#二年级数学下册#知识分享.pdf
10.00金币
1下载
二年级数学下册还原问题二年级数学下册还原问题#二年级#二年级数学#关注我持续更新小学知识 #知识分享 #家长收藏孩子受益.pdf
10.00金币
1下载
二年级数学下册第六单元考试卷家长打印出来给孩子测试测试争取拿到高分!#小学二年级试卷分享 #二年级第六单考试数学 #第六单考试#二年级数学下册.pdf
10.00金币
0下载
二年级数学下册必背顺口溜口诀汇总二年级数学下册必背顺口溜口诀汇总#二年级#二年级数学下册 #知识分享 #家长收藏孩子受益 #关注我持续更新小学知识.pdf
10.00金币
0下载
二年级数学下册《重点难点思维题》两大问题解决技巧和方法巧算星期几解决周期问题还原问题强化思维训练老师精心整理家长可以打印出来给孩子练习#家长收藏孩子受益 #学霸秘籍 #思维训练 #二年级 #知识点总结.pdf
10.00金币
0下载
二年级数学下册 必背公式大全寒假提前背一背开学更轻松#二年级 #二年级数学 #二年级数学下册 #寒假充电计划 #公式.pdf
10.00金币
0下载
蜗牛文库+ 关注
实名认证
内容提供者

提供各种专业文档内容

确认删除?
QQ
  • QQ点击这里给我发消息
微信客服
  • 微信客服
回到顶部