电脑桌面
添加蜗牛文库到电脑桌面
安装后可以在桌面快捷访问

JB 591-1979 平盖对焊法兰手孔.PDFVIP免费

JB 591-1979 平盖对焊法兰手孔.PDF_第1页
JB 591-1979 平盖对焊法兰手孔.PDF_第2页
JB 591-1979 平盖对焊法兰手孔.PDF_第3页
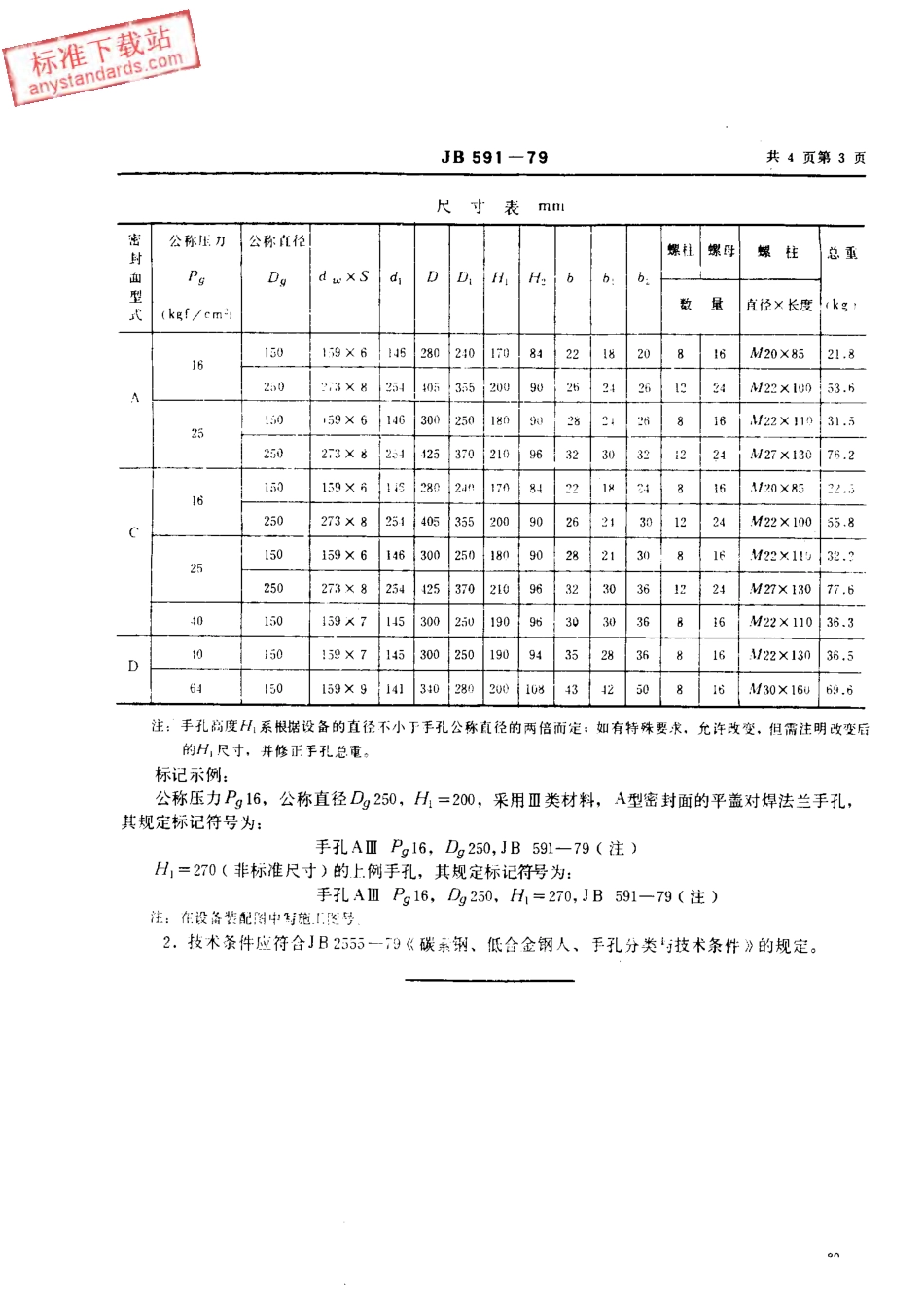
第一机械工业部中华人民共和国化学工业部石油工业部部标准平盖对焊法兰手孔JB代替591一791s591一64I几一~~一~-一一一~型式、7基本参数和尺j、~~、‘~~~、~=欣又~~~卜之1一__d.xS第一机械工业部中华人民共和国化学工业部发布石油工业部第一机械工业部通用帆械研究所提出1979年10月1日实施化学工业部第一设计院起草共4页第2页JB591一79邵勺遥长一七叔宕沁划袭朴两一︸弓︸汽11炎︸1~)澎︹r一刀一公三︶堂裁V。芝六︺男各少。巴,亡[F$舒一琴︸一二之义之只一蕊}丁}呈}一一_一卜:_}!l一}州匕一州一一}}{二}哭誉目一一目}二{日{}{卜一一}只导}.一\ly品‘}二一袭龙二一二一“}一}砍}}圳一{滋一到川}!!猫一}—共一}一川乏IL为一一-}卜一一:一兰一}{{}麦一_}牛{{】一;一一一l州}子’1一忿弋1一t、一_鑫丰二一‘巨}阵仁丰-1{军一二︸~二一一)一份蔡袱\﹃︸︸拭N﹄︶哭月七分二一二.争匀二尸丈工之华-。坦88JB59I一79共4页第3页尺寸表m「,t密全寸曲型式公称压力尸g(k凭「/cm公j一公稍二广L径一D夕一l}d留xs}dlD}D一1了J二、一一、’一bb螺;1{螺。螺柱总重了k乌、敌量“‘,‘长度}八l6喇一}1几,X6.一1462802:01了『,118)22l8208l6材20X8521.8一2汤0.,了:3X82511!而13巧}2以j。。112624乡j12之绪材22XI。。}}536门}一{159X6IJ63。咬)250附一1卜,一北二1一:。’‘8161乍1艺ZK】1‘、31.5艺石02了3“‘1一龙“425370易,!19632,3!)3竺呈224-一we材27X130一7二2C一—一-一1501冬9又名1;92802‘1”17八84,,18艺落弓16气]2OX85叹.2502了3X8?514053552009026213{)1224叼22X1005582气150159X614630025f)18门90{28.fZI3()一(81。一一、?2一上32·,250273X82苏4425370210963230361224材27X13077.6落0150159人7:115300250111909613。3心)368一16}材22Xll036.3D}落0一150菩sgX71453002501909435283681611、122xl3036.564瓜x。}{,;,3;。1}:82小、、。吕一34艺508l116几了30X16u6日.6注手孔高度Hl系根据设备的直径下小于手孔公称直径的两倍而定;如有特殊要求。允许改变,但需注明改变后的H;尺寸,并修正手孔总重标记示例:公称压力马16,公称直径马250,私=20,采用m类材料,A型密封面的平盖对焊法兰手孔,其规定标记符号为:手孔Al马16,马250,JB591一79(注)HI=270(非标准尺寸)的上例手孔,其规定标记夺乡为:手孔Al马16,马250,Hl=270,JB591一79(注)衍:在设务装配侧中写施卜阴号2.技术条件应符合JB2555一沁《碳系钢、低合金钢人、手孔分类‘。技术条件》的规...

1、当您付费下载文档后,您只拥有了使用权限,并不意味着购买了版权,文档只能用于自身使用,不得用于其他商业用途(如 [转卖]进行直接盈利或[编辑后售卖]进行间接盈利)。
2、本站所有内容均由合作方或网友上传,本站不对文档的完整性、权威性及其观点立场正确性做任何保证或承诺!文档内容仅供研究参考,付费前请自行鉴别。
3、如文档内容存在违规,或者侵犯商业秘密、侵犯著作权等,请点击“违规举报”。

碎片内容

蜗牛文库的最新文档

二年级数学下册其中检测卷二年级数学下册其中检测卷附答案#期中测试卷.pdf
10.00金币
0下载
二年级数学下册期末质检卷(苏教版)二年级数学下册期末质检卷(苏教版)#期末复习 #期末测试卷 #二年级数学 #二年级数学下册#关注我持续更新小学知识.pdf
10.00金币
0下载
二年级数学下册期末混合运算专项练习二年级数学下册期末混合运算专项练习#二年级#二年级数学下册#关注我持续更新小学知识 #知识分享 #家长收藏孩子受益.pdf
10.00金币
1下载
二年级数学下册年月日三类周期问题解题方法二年级数学下册年月日三类周期问题解题方法#二年级#二年级数学下册#知识分享 #关注我持续更新小学知识 #家长收藏孩子受益.pdf
10.00金币
0下载
二年级数学下册解决问题专项训练二年级数学下册解决问题专项训练#专项训练#解决问题#二年级#二年级数学下册#知识分享.pdf
10.00金币
1下载
二年级数学下册还原问题二年级数学下册还原问题#二年级#二年级数学#关注我持续更新小学知识 #知识分享 #家长收藏孩子受益.pdf
10.00金币
1下载
二年级数学下册第六单元考试卷家长打印出来给孩子测试测试争取拿到高分!#小学二年级试卷分享 #二年级第六单考试数学 #第六单考试#二年级数学下册.pdf
10.00金币
0下载
二年级数学下册必背顺口溜口诀汇总二年级数学下册必背顺口溜口诀汇总#二年级#二年级数学下册 #知识分享 #家长收藏孩子受益 #关注我持续更新小学知识.pdf
10.00金币
0下载
二年级数学下册《重点难点思维题》两大问题解决技巧和方法巧算星期几解决周期问题还原问题强化思维训练老师精心整理家长可以打印出来给孩子练习#家长收藏孩子受益 #学霸秘籍 #思维训练 #二年级 #知识点总结.pdf
10.00金币
0下载
二年级数学下册 必背公式大全寒假提前背一背开学更轻松#二年级 #二年级数学 #二年级数学下册 #寒假充电计划 #公式.pdf
10.00金币
0下载
蜗牛文库+ 关注
实名认证
内容提供者

提供各种专业文档内容

确认删除?
QQ
  • QQ点击这里给我发消息
微信客服
  • 微信客服
回到顶部