电脑桌面
添加蜗牛文库到电脑桌面
安装后可以在桌面快捷访问

GBT 13819-1992 铜合金铸件.pdfVIP免费

GBT 13819-1992 铜合金铸件.pdf_第1页
GBT 13819-1992 铜合金铸件.pdf_第2页
GBT 13819-1992 铜合金铸件.pdf_第3页
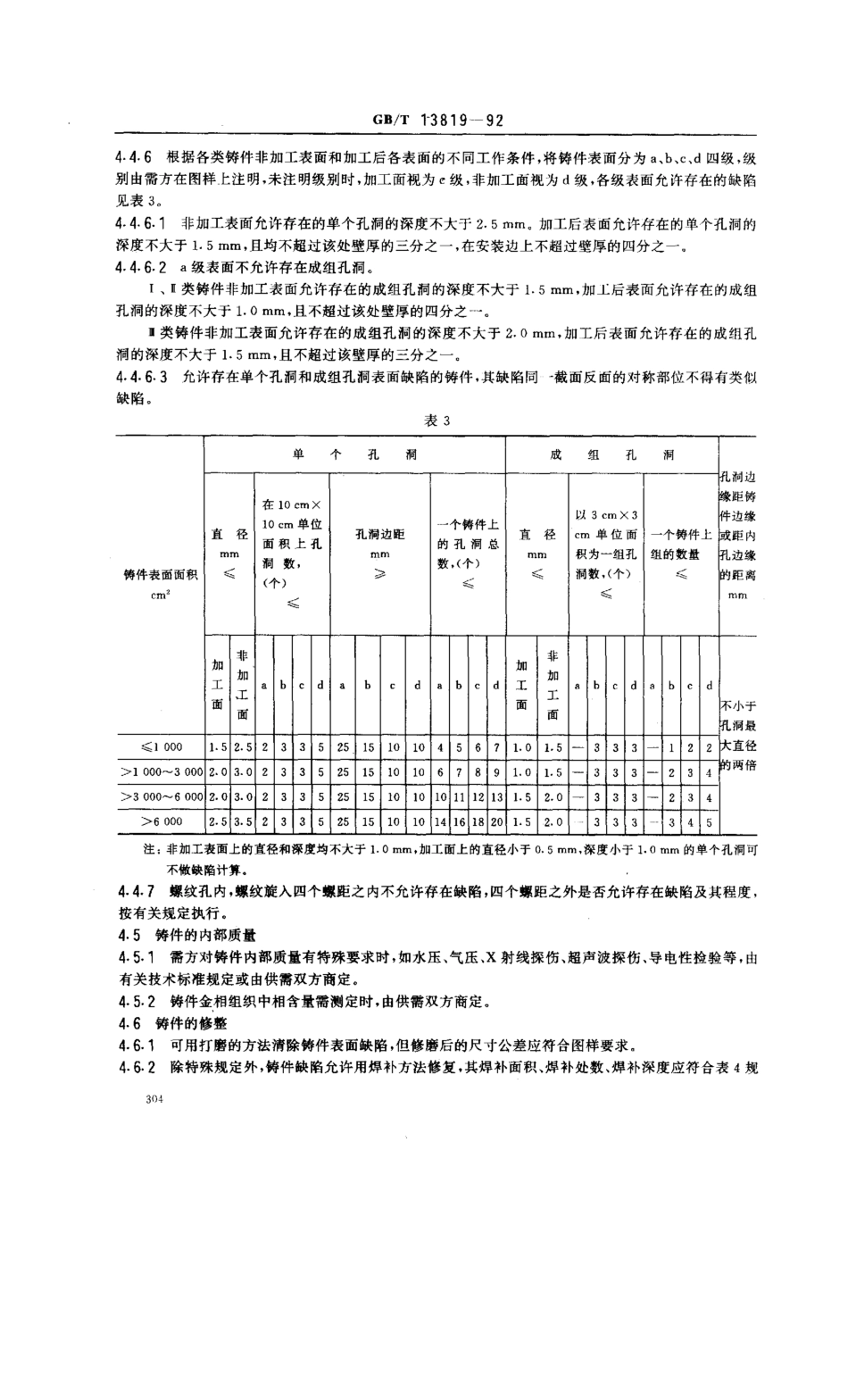
中华人民共和国国家标准GB/T13819一92铜合金铸件Copperalloycastings1主题内容与适用范围本标准规定了铜合金铸件的分类、技术要求、试验方法与检验规则等本标准适用于铜合金砂型铸造、金属型铸造、连续铸造、离心铸造的铸件2引用标准GB228金属拉伸试验法GB231金属布氏硬度试验方法CB961螺旋桨用高锰铝青铜化学分析方法GB1176铸造铜合金技术条件CB1196船舶螺旋桨用铜合金相含量金相测定方法GB5122.1一512212。黄铜化学分析方法GB6060.1表面粗糙度比较样块铸造表面GB6414铸件尺寸公差GB6520.1一6520.14硅青铜、硅黄铜化学分析方法GB8002.1-8002-15锡青铜化学分析方法GB/T11350铸件机械加工余量GB/T11351铸件重量公差YB55铝青铜化学分析方法3铸件分类3门根据工作条件和用途将铸件分为三类,见表1表1类别工作条件和用途检验项口1承受重载荷,工作条件复杂,用于关键部位或有特殊要求的重要铸件尺寸、表面质量、化学成分、力学性能及特殊要求万承受中等载荷,要求有较高的抗腐蚀性、耐磨性或用于重要部位的铸件尺寸、表面质量、化学成分、力学性能及补充要求m承受轻载荷,用于一般部位的铸件尺寸、表面质量、化学成分或力学性能及补允要求国家技术监督局1992一11一05批准1993门0一01实施GB/T13819一92I2铸件类别由需方在图样或技术文件中规定,对于未注明类别的铸件均视为1类铸件。33铸件图样标记如下所示:合金牌号铸造方法代号}}}}】}一口口一GB/T13819-92标准号铸件类别标记示例ZCuSn5Pb5Zn5-SI-GB/T13819-924技术要求4.1合金的化学成分应符合GB1176的规定4.2铸件的力学性能应符合GB1176的规定4.3铸件尺寸和重量4.3.1铸件的几何形状及尺寸应符合图样要求,尺寸公差应符合GB6414的规定。有特殊要求时,应在图样中注明。铸件尺寸公差不包括由起模斜度而引起的尺寸增减,如有特殊要求,由供需双方商定。4.3.2铸件的机械加工余量可参照GB/T1135。的规定。4.3.3铸件的重量公差可参照GB/T11351的规定。4.4铸件的表而质量4.4,1铸件表面粗糙度应符合图样要求。4.4.2铸件的浇冒口、毛刺、飞边等,在非加工表面上应清理到与铸件表面平齐,在待加工表面上允许的残留高度应符合表2的规定表2mm铸件最大外廓尺寸浇冒口残留高度不大于镇6005>600-120010>1200154.4.3铸件表面不允许有裂纹、冷隔及穿透性缺陷4.4.4铸件r的铸字、标志应清晰,字体与位置应符合图样要求4.4-5铸件的非加工表面,允许有氧化夹杂,其深度不得超过规定壁厚公差的下差,其面积在1类铸件九不得超...

1、当您付费下载文档后,您只拥有了使用权限,并不意味着购买了版权,文档只能用于自身使用,不得用于其他商业用途(如 [转卖]进行直接盈利或[编辑后售卖]进行间接盈利)。
2、本站所有内容均由合作方或网友上传,本站不对文档的完整性、权威性及其观点立场正确性做任何保证或承诺!文档内容仅供研究参考,付费前请自行鉴别。
3、如文档内容存在违规,或者侵犯商业秘密、侵犯著作权等,请点击“违规举报”。

碎片内容

蜗牛文库的最新文档

二年级数学下册其中检测卷二年级数学下册其中检测卷附答案#期中测试卷.pdf
10.00金币
0下载
二年级数学下册期末质检卷(苏教版)二年级数学下册期末质检卷(苏教版)#期末复习 #期末测试卷 #二年级数学 #二年级数学下册#关注我持续更新小学知识.pdf
10.00金币
0下载
二年级数学下册期末混合运算专项练习二年级数学下册期末混合运算专项练习#二年级#二年级数学下册#关注我持续更新小学知识 #知识分享 #家长收藏孩子受益.pdf
10.00金币
1下载
二年级数学下册年月日三类周期问题解题方法二年级数学下册年月日三类周期问题解题方法#二年级#二年级数学下册#知识分享 #关注我持续更新小学知识 #家长收藏孩子受益.pdf
10.00金币
0下载
二年级数学下册解决问题专项训练二年级数学下册解决问题专项训练#专项训练#解决问题#二年级#二年级数学下册#知识分享.pdf
10.00金币
1下载
二年级数学下册还原问题二年级数学下册还原问题#二年级#二年级数学#关注我持续更新小学知识 #知识分享 #家长收藏孩子受益.pdf
10.00金币
1下载
二年级数学下册第六单元考试卷家长打印出来给孩子测试测试争取拿到高分!#小学二年级试卷分享 #二年级第六单考试数学 #第六单考试#二年级数学下册.pdf
10.00金币
0下载
二年级数学下册必背顺口溜口诀汇总二年级数学下册必背顺口溜口诀汇总#二年级#二年级数学下册 #知识分享 #家长收藏孩子受益 #关注我持续更新小学知识.pdf
10.00金币
0下载
二年级数学下册《重点难点思维题》两大问题解决技巧和方法巧算星期几解决周期问题还原问题强化思维训练老师精心整理家长可以打印出来给孩子练习#家长收藏孩子受益 #学霸秘籍 #思维训练 #二年级 #知识点总结.pdf
10.00金币
0下载
二年级数学下册 必背公式大全寒假提前背一背开学更轻松#二年级 #二年级数学 #二年级数学下册 #寒假充电计划 #公式.pdf
10.00金币
0下载
蜗牛文库+ 关注
实名认证
内容提供者

提供各种专业文档内容

确认删除?
QQ
  • QQ点击这里给我发消息
微信客服
  • 微信客服
回到顶部