电脑桌面
添加蜗牛文库到电脑桌面
安装后可以在桌面快捷访问

GB T 6614-1994 钛及钛合金铸件.pdfVIP免费

GB T 6614-1994 钛及钛合金铸件.pdf_第1页
GB T 6614-1994 钛及钛合金铸件.pdf_第2页
GB T 6614-1994 钛及钛合金铸件.pdf_第3页
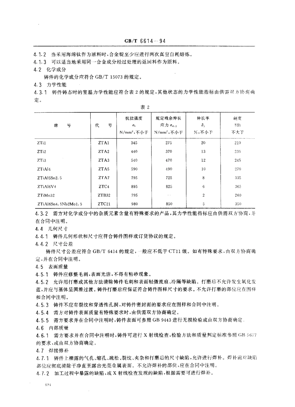
中华人民共和国国家标准GB/T6614-94钦及钦合金铸件代替GB661186Titaniumandtitaniumalloycastings1主题内容与适用范围本标准规定了工业纯钦、常用钦合金,以及耐蚀、高强钦合金铸件的分类、技术要求、试验方法、检验规则及标志、包装、运输、贮存本标准适用于石墨加工型、石墨捣实型、金属型和熔模精铸型生产的钦及钦合金铸件门2引用标准GB228金属拉伸试验方法GB231金属布氏硬度试验方法GB3623钦及钦合金丝GB4698钦及钦合金化学分析方法GB5677铸钢件射线照相及底片等级分类方法GB6397金属拉伸试验试样GB6414铸件尺寸公差GB/T8180钦及钦合金加工产品的包装、标志、运输和贮存GB9443铸钢件渗透探伤及缺陷显示痕迹的评级方法GB仃’15073铸浩针及针合金除号和仕学虎朴3产品分类3.1牌5、状态产品的牌号和状态应符合表1的规定。表l一ZTiA14,ZTiAI55,2.5,ZTiAMSn4.5Nb2Mo1.5Z"CiAl6V4,ZTiMo32供应状态铸态(C),消除应力退火状态(Ml、热等静压状态(HIP)3.2标记示例用ZTiA14合金铸造的消除应力退火状态的泵体:泵体ZTiA14MGB/C6614-944技术要求4.1材料4.1.1铸件所用的母合金锭应采用真空自耗电极电弧熔炼法进行熔炼国家技术监督局1994一05一09批淮1994-12-01实施CB/T6614一944门.2当采用海绵钦作为原料时,合金锭至少应进行两次真空自耗熔炼4.1.3可以适当地采用同合金成分经过处理的返回料作为原料。4.2化学成分铸件的化学成分应符合GB/T15073的规定4.3力学性能4.3门铸件铸态时的室温力学性能应符合表2的规定,其他状态的力学性能指标由供需双方协V确定表2牌号代号抗拉强度JhN/mm,不小于规定残余伸长应力11N/mm',不小十伸长率a,%不小丁硬度蔺1B不大丁曰尸介二J门巴口.诊叫价们、上,介d兮J八j召“卜叹以7目勺9白宁J八八八J口﹄,J2013此比862一。︸﹄nC︵曰哎U叹钊一了乃了门r八切9自今口今曰几口连闷斗门了只︺50C0口口51卜n344别59四897998ZTiIZTAIZTi2ZTA2ZTi3ZTA3ZTiAI4ZTA5ZTiAI5Sn2.5ZTA7ZTiAIBVlZTC4又TIM032ZTB32ZTiA16Sn4.5NL2Mo1.5}ZTC214.3.2需方对化学成分中的杂质元素含量有特殊要求的产品,其力学性能指标应由供需双方协商.仆在合同中注明4.4几何尺寸4.4门铸件儿何形状和尺寸应符合铸件图样或订货协议的规定4.4.2尺寸公差铸件尺寸公差应符合GB/T6414的规定,般应不低于CT11级。如有特殊要求,由双方协商确定,并在合同中注明4.5表面质量4.5.1铸件应修整毛刺,表面光洁,不得有粘砂现象4.5.2允许用打磨或其他方法清除铸件毛刺和表面轻微流痕、...

1、当您付费下载文档后,您只拥有了使用权限,并不意味着购买了版权,文档只能用于自身使用,不得用于其他商业用途(如 [转卖]进行直接盈利或[编辑后售卖]进行间接盈利)。
2、本站所有内容均由合作方或网友上传,本站不对文档的完整性、权威性及其观点立场正确性做任何保证或承诺!文档内容仅供研究参考,付费前请自行鉴别。
3、如文档内容存在违规,或者侵犯商业秘密、侵犯著作权等,请点击“违规举报”。

碎片内容

蜗牛文库的最新文档

二年级数学下册其中检测卷二年级数学下册其中检测卷附答案#期中测试卷.pdf
10.00金币
0下载
二年级数学下册期末质检卷(苏教版)二年级数学下册期末质检卷(苏教版)#期末复习 #期末测试卷 #二年级数学 #二年级数学下册#关注我持续更新小学知识.pdf
10.00金币
0下载
二年级数学下册期末混合运算专项练习二年级数学下册期末混合运算专项练习#二年级#二年级数学下册#关注我持续更新小学知识 #知识分享 #家长收藏孩子受益.pdf
10.00金币
1下载
二年级数学下册年月日三类周期问题解题方法二年级数学下册年月日三类周期问题解题方法#二年级#二年级数学下册#知识分享 #关注我持续更新小学知识 #家长收藏孩子受益.pdf
10.00金币
0下载
二年级数学下册解决问题专项训练二年级数学下册解决问题专项训练#专项训练#解决问题#二年级#二年级数学下册#知识分享.pdf
10.00金币
1下载
二年级数学下册还原问题二年级数学下册还原问题#二年级#二年级数学#关注我持续更新小学知识 #知识分享 #家长收藏孩子受益.pdf
10.00金币
1下载
二年级数学下册第六单元考试卷家长打印出来给孩子测试测试争取拿到高分!#小学二年级试卷分享 #二年级第六单考试数学 #第六单考试#二年级数学下册.pdf
10.00金币
0下载
二年级数学下册必背顺口溜口诀汇总二年级数学下册必背顺口溜口诀汇总#二年级#二年级数学下册 #知识分享 #家长收藏孩子受益 #关注我持续更新小学知识.pdf
10.00金币
0下载
二年级数学下册《重点难点思维题》两大问题解决技巧和方法巧算星期几解决周期问题还原问题强化思维训练老师精心整理家长可以打印出来给孩子练习#家长收藏孩子受益 #学霸秘籍 #思维训练 #二年级 #知识点总结.pdf
10.00金币
0下载
二年级数学下册 必背公式大全寒假提前背一背开学更轻松#二年级 #二年级数学 #二年级数学下册 #寒假充电计划 #公式.pdf
10.00金币
0下载
蜗牛文库+ 关注
实名认证
内容提供者

提供各种专业文档内容

确认删除?
QQ
  • QQ点击这里给我发消息
微信客服
  • 微信客服
回到顶部