电脑桌面
添加蜗牛文库到电脑桌面
安装后可以在桌面快捷访问

GB T 3985-1995 石棉橡胶板.PDFVIP免费

GB T 3985-1995 石棉橡胶板.PDF_第1页
GB T 3985-1995 石棉橡胶板.PDF_第2页
GB T 3985-1995 石棉橡胶板.PDF_第3页
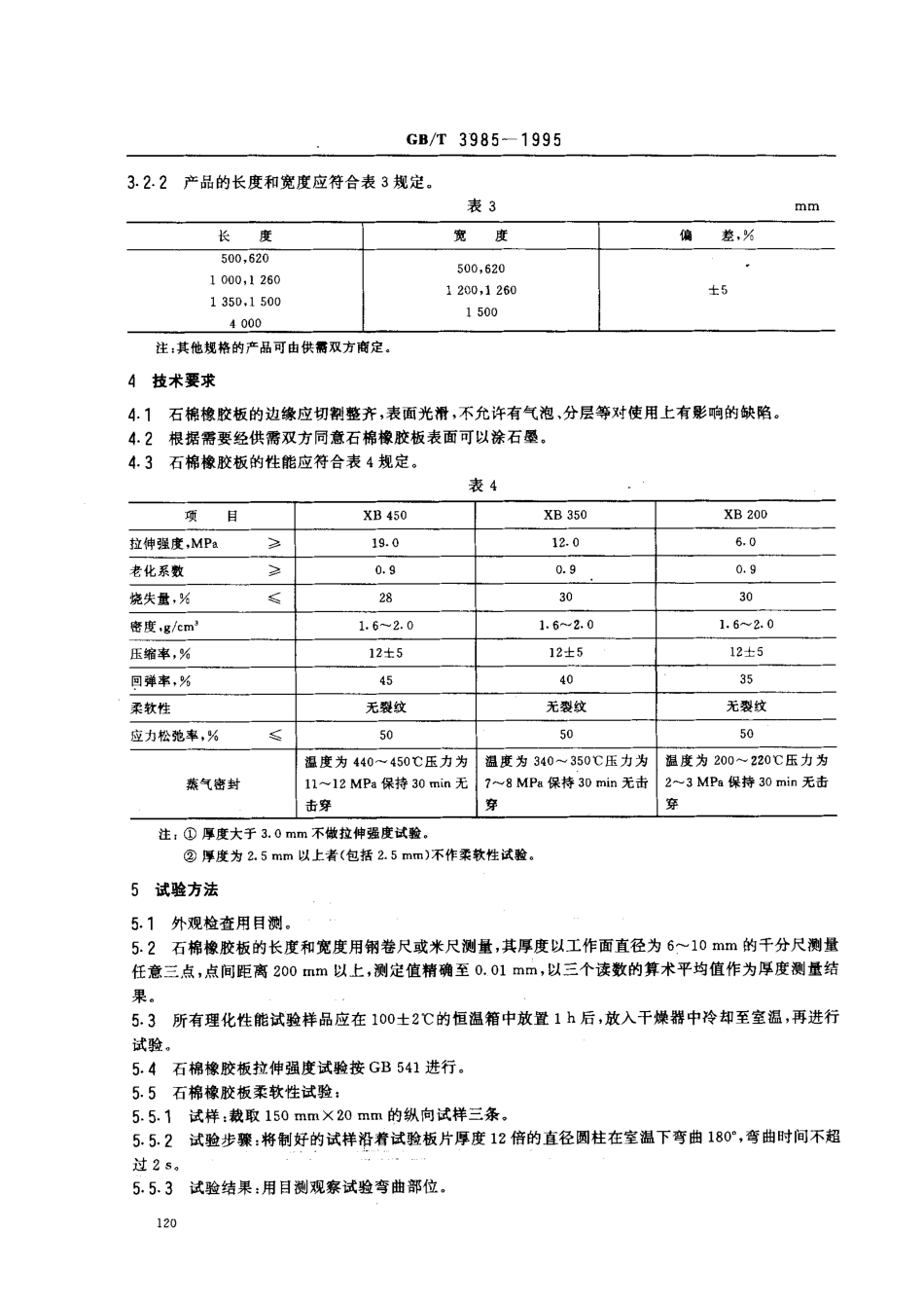
中华人民共和国国家标准GB/T3985一1995石棉橡胶板代替GB3985-83Asbestos-rubbersheets1主题内容与适用范围本标准规定了石棉橡胶板产品牌号、规格、技术要求、试验方法、检验规则、标志、包装、贮存、运输。本标准适用于温度为450'C,压力为6MPa范围内的水、水燕气等介质为主的设备,管道法兰连接处所用的密封衬垫材料。2引用标准GB541石棉橡胶板抗张强度试验方法GB544石棉橡胶板密度试验方法GB2828逐批检查计数抽样程序及抽样表(适用于连续批的检查)GB3986石棉橡胶板烧失量试验方法GB3987石棉橡胶板老化系数试验方法GB3988石棉橡胶板压缩率,回弹率试验方法GB8170数值修约规则GB/T1552。石棉橡胶板蒸汽密封性能试验方法产品牌号及规格产品牌号及颜色应符合表1规定。表1牌号表面颇色适用条件XB450紫色温度为450'C,压力为6MPaXB350红色温度为350'C,压力为4MPaXB200灰色温度为200,C,压力为1.5MPa3.2产品规格:3.2.1产品的厚度及其偏差应符合表2规定。表2厚度偏趁同一张纸上相距500任惫两点厚度偏差(0.5,0.6,0.8,1.0士0.100.301.5,2.0士0.150.152.5,3.0士0.200.203.0以上士0.250.22国家技术监督局1995一04一04批准1995一12一01实施GB/T3985一19953.2.2产品的长度和宽度应符合表3规定。表3长度500,620000,126035D.1500宽度偏差,%500,6201200,126015004000!____匕一—-一.注:其他规格的产品可由供衡双方商定4技术要求4.1石棉橡胶板的边缘应切割整齐,表面光滑,不允许有气泡、分层等对使用上有影响的缺陷。4.2根据需要经供需双方同意石棉橡胶板表面可以涂石墨。4.3石棉橡胶板的性能应符合表4规定。表4项目XB450XB350XB200拉伸强度,MP.)19.012.0610老化系数)090.90.9烧失量,%镇283030密度+B/cm'1.6-2.01.6-2.01.6-2.0压缩率,%12士512士512士5回弹率,%454035柔软性无裂纹无裂纹无裂纹应力松弛率,%提505050蒸气密封温度为440-450℃压力为11^12MP.保持30min无击穿温度为340-350℃压力为7-8MN保持30min无击穿温度为200^-220'C压力为2-3MP。保持30mm无击穿注:①厚度大于3.0mm不做拉伸强度试验。②厚度为2.5mm以上者(包括2.5mm〕不作柔软性试验。:‘;试验方法外观检查用目测。石棉橡胶板的长度和宽度用钢卷尺或米尺测量,其厚度以工作面直径为6^-10mm的千分尺测量任意三点,点间距离200mm以上,测定值精确至0.01mm,以三个读数的算术平均值作为厚度测量结果。5.3所有理化性能试验样品应在100士2℃的恒温箱中放置1h后,放入干燥器中冷却至室温,再进行试验。5...

1、当您付费下载文档后,您只拥有了使用权限,并不意味着购买了版权,文档只能用于自身使用,不得用于其他商业用途(如 [转卖]进行直接盈利或[编辑后售卖]进行间接盈利)。
2、本站所有内容均由合作方或网友上传,本站不对文档的完整性、权威性及其观点立场正确性做任何保证或承诺!文档内容仅供研究参考,付费前请自行鉴别。
3、如文档内容存在违规,或者侵犯商业秘密、侵犯著作权等,请点击“违规举报”。

碎片内容

蜗牛文库的最新文档

二年级数学下册其中检测卷二年级数学下册其中检测卷附答案#期中测试卷.pdf
10.00金币
0下载
二年级数学下册期末质检卷(苏教版)二年级数学下册期末质检卷(苏教版)#期末复习 #期末测试卷 #二年级数学 #二年级数学下册#关注我持续更新小学知识.pdf
10.00金币
0下载
二年级数学下册期末混合运算专项练习二年级数学下册期末混合运算专项练习#二年级#二年级数学下册#关注我持续更新小学知识 #知识分享 #家长收藏孩子受益.pdf
10.00金币
1下载
二年级数学下册年月日三类周期问题解题方法二年级数学下册年月日三类周期问题解题方法#二年级#二年级数学下册#知识分享 #关注我持续更新小学知识 #家长收藏孩子受益.pdf
10.00金币
0下载
二年级数学下册解决问题专项训练二年级数学下册解决问题专项训练#专项训练#解决问题#二年级#二年级数学下册#知识分享.pdf
10.00金币
1下载
二年级数学下册还原问题二年级数学下册还原问题#二年级#二年级数学#关注我持续更新小学知识 #知识分享 #家长收藏孩子受益.pdf
10.00金币
1下载
二年级数学下册第六单元考试卷家长打印出来给孩子测试测试争取拿到高分!#小学二年级试卷分享 #二年级第六单考试数学 #第六单考试#二年级数学下册.pdf
10.00金币
0下载
二年级数学下册必背顺口溜口诀汇总二年级数学下册必背顺口溜口诀汇总#二年级#二年级数学下册 #知识分享 #家长收藏孩子受益 #关注我持续更新小学知识.pdf
10.00金币
0下载
二年级数学下册《重点难点思维题》两大问题解决技巧和方法巧算星期几解决周期问题还原问题强化思维训练老师精心整理家长可以打印出来给孩子练习#家长收藏孩子受益 #学霸秘籍 #思维训练 #二年级 #知识点总结.pdf
10.00金币
0下载
二年级数学下册 必背公式大全寒假提前背一背开学更轻松#二年级 #二年级数学 #二年级数学下册 #寒假充电计划 #公式.pdf
10.00金币
0下载
蜗牛文库+ 关注
实名认证
内容提供者

提供各种专业文档内容

确认删除?
QQ
  • QQ点击这里给我发消息
微信客服
  • 微信客服
回到顶部