电脑桌面
添加蜗牛文库到电脑桌面
安装后可以在桌面快捷访问

GB T 2882-2005-T 镍及镍合金管.pdfVIP免费

GB T 2882-2005-T 镍及镍合金管.pdf_第1页
GB T 2882-2005-T 镍及镍合金管.pdf_第2页
GB T 2882-2005-T 镍及镍合金管.pdf_第3页
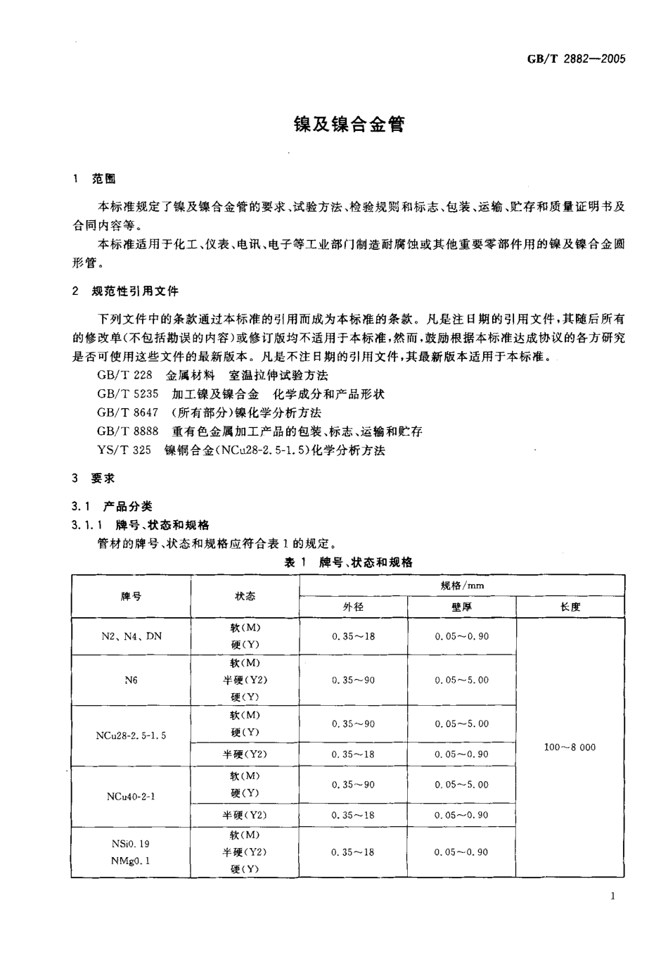
ICS77H62120.40荡日中华人民共和国国家标准GB/T2882-2005代替GB/T2882-1981GB/T8011-1987镍及镍合金管Nickelandnickelalloystube2005-07-26发布2006-01-01实施中华人民共和国国家质量监督检验检疫总局中国国家标准化管理委员会发布GB/T2882-2005月U舀本标准是对GB/T2882-1981((镍及镍铜合金管》和GB/T8011--1987((镍及镍合金无缝薄壁管》的合并修订。本标准是参照ASTMB161:2000((镍无缝管》编制的。本标准尺寸公差水平达到了ASTMB161的相应规定。本标准与GB/T2882-1981和GB/T8011-1987相比,主要有如下变动:一一N6管材增加了Y2状态,其技术参数参照ASTMB161标准。一一管材最大外径由原来的40m。增加到了90mm,壁厚由原来的4.0mm增加到了5.0mm.一一管材的外形尺寸及其允许偏差参照ASTMB161进行了修订,精度略有提高。本标准由中国有色金属工业协会提出。本标准由全国有色金属标准化技术委员会归口。本标准由沈阳有色金属加工厂、宝鸡有色金属加工厂负责起草。本标准主要起草人:王丽、刘关强、董艳霞、黄永光、李宝霞、俘学文本标准由全国有色金属标准化技术委员会负责解释。本标准所代替标准的历次版本发布情况为:-GB/T2882-1981一—GB/T8011--1987GB/T2882一2005镍及镍合金管范围本标准规定了镍及镍合金管的要求、试验方法、检验规则和标志、包装、运输、贮存和质量证明书及合同内容等。本标准适用于化工、仪表、电讯、电子等工业部门制造耐腐蚀或其他重要零部件用的镍及镍合金圆形管2规范性引用文件下列文件中的条款通过本标准的引用而成为本标准的条款。凡是注日期的引用文件,其随后所有的修改单(不包括勘误的内容)或修订版均不适用于本标准,然而,鼓励根据本标准达成协议的各方研究是否可使用这些文件的最新版本。凡是不注日期的引用文件,其最新版本适用于本标准。GB/T228金属材料室温拉伸试验方法GB/T5235加工镍及镍合金化学成分和产品形状GB/Ts647(所有部分)镍化学分析方法GB/T8888重有色金属加工产品的包装、标志、运输和贮存YS/T325镍铜合金(NCu28一2,5一1.5)化学分析方法要求3.1产品分类3.1.1牌号、状态和规格管材的牌号、状态和规格应符合表1的规定。表1牌号、状态和规格牌号牌一状态规格/mm外径壁厚长度NZ、N4、DN软(M)硬(Y)0.35~180.05~0.90100一8000N6软(M)半硬(YZ)硬(Y)0.35~900.05~500NCu28一2.5一15软(M)硬(Y)0.35~900,05一5.00半硬(Y2)0.35~180.05一090NCu40一2一1竺(M,硬(Y)035一900.05~5.00半硬(YZ)035~180,05一Q,90NS101...

1、当您付费下载文档后,您只拥有了使用权限,并不意味着购买了版权,文档只能用于自身使用,不得用于其他商业用途(如 [转卖]进行直接盈利或[编辑后售卖]进行间接盈利)。
2、本站所有内容均由合作方或网友上传,本站不对文档的完整性、权威性及其观点立场正确性做任何保证或承诺!文档内容仅供研究参考,付费前请自行鉴别。
3、如文档内容存在违规,或者侵犯商业秘密、侵犯著作权等,请点击“违规举报”。

碎片内容

蜗牛文库的最新文档

二年级数学下册其中检测卷二年级数学下册其中检测卷附答案#期中测试卷.pdf
10.00金币
0下载
二年级数学下册期末质检卷(苏教版)二年级数学下册期末质检卷(苏教版)#期末复习 #期末测试卷 #二年级数学 #二年级数学下册#关注我持续更新小学知识.pdf
10.00金币
0下载
二年级数学下册期末混合运算专项练习二年级数学下册期末混合运算专项练习#二年级#二年级数学下册#关注我持续更新小学知识 #知识分享 #家长收藏孩子受益.pdf
10.00金币
1下载
二年级数学下册年月日三类周期问题解题方法二年级数学下册年月日三类周期问题解题方法#二年级#二年级数学下册#知识分享 #关注我持续更新小学知识 #家长收藏孩子受益.pdf
10.00金币
0下载
二年级数学下册解决问题专项训练二年级数学下册解决问题专项训练#专项训练#解决问题#二年级#二年级数学下册#知识分享.pdf
10.00金币
1下载
二年级数学下册还原问题二年级数学下册还原问题#二年级#二年级数学#关注我持续更新小学知识 #知识分享 #家长收藏孩子受益.pdf
10.00金币
1下载
二年级数学下册第六单元考试卷家长打印出来给孩子测试测试争取拿到高分!#小学二年级试卷分享 #二年级第六单考试数学 #第六单考试#二年级数学下册.pdf
10.00金币
0下载
二年级数学下册必背顺口溜口诀汇总二年级数学下册必背顺口溜口诀汇总#二年级#二年级数学下册 #知识分享 #家长收藏孩子受益 #关注我持续更新小学知识.pdf
10.00金币
0下载
二年级数学下册《重点难点思维题》两大问题解决技巧和方法巧算星期几解决周期问题还原问题强化思维训练老师精心整理家长可以打印出来给孩子练习#家长收藏孩子受益 #学霸秘籍 #思维训练 #二年级 #知识点总结.pdf
10.00金币
0下载
二年级数学下册 必背公式大全寒假提前背一背开学更轻松#二年级 #二年级数学 #二年级数学下册 #寒假充电计划 #公式.pdf
10.00金币
0下载
蜗牛文库+ 关注
实名认证
内容提供者

提供各种专业文档内容

确认删除?
QQ
  • QQ点击这里给我发消息
微信客服
  • 微信客服
回到顶部