电脑桌面
添加蜗牛文库到电脑桌面
安装后可以在桌面快捷访问

GB 10609.1-89 技术制图标题栏.pdfVIP免费

GB 10609.1-89 技术制图标题栏.pdf_第1页
GB 10609.1-89 技术制图标题栏.pdf_第2页
GB 10609.1-89 技术制图标题栏.pdf_第3页
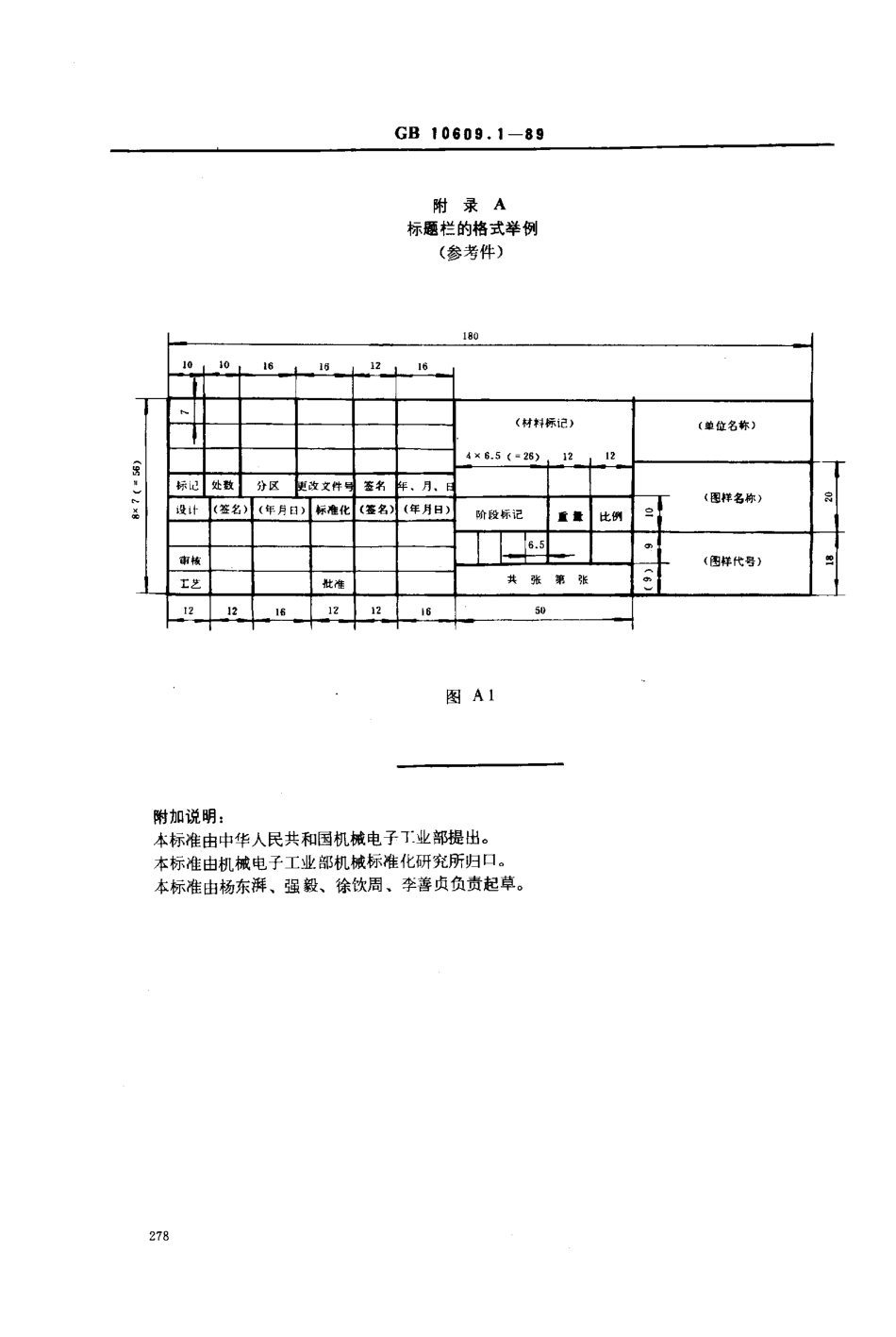
中华人民共和国国家标准GB10609.1-89图栏技术制标题TechnicaldrawingsTitleblocks本标准参照采用国际标准ISO7200-1984《技术制图一标题栏)o1主题内容与适用范围本标准规定了技术图样中标题栏的基本要求、内容、尺寸与格式。本标准适用于技术图样中的标题栏。2引用标准GB4457.1机械制图图纸幅面及格式GB4457.3机械制图字体GB4457.4机械制图图线GB2808全数字式日期表示法GB10609.4技术制图对缩微复制原件的要求3基本要求3.1每张技术图样中均应有标题栏。3.2标题栏在技术图样中应按GB4457.1中所规定的位置配置。3.3标题栏中的字体应符合GB4457.3中的要求,签字除外。3.4标题栏的线型应按GB4457.4中规定的粗实线和细实线的要求绘制。3.5标题栏中的年月日应按照GB2808的规定格式填写。3.6需缩微复制的图样,其标题栏应满足GB10609.4的要求。4内容4.1标题栏的组成标题栏一般由更改区、签字区、其他区、名称及代号区组成,见图1和图2。也可按实际需要增加或减少。4.1.1更改区:一般由更改标记、处数、分区、更改文件号、签名和年月日等组成。4.1.2签字区:一般由设计、审核、工艺、标准化、批准、签名和年月日等组成。4.1.3其他区:一般由材料标记、阶段标记、重量、比例、共张第张等组成。4.1.4名称及代号区:一般由单位名称、图样名称和图样代号等组成。4.2标题栏的填写4.2.1更改区:更改区中的内容应按由下而上的顺序填写,也可根据实际情况顺延;或放在图样中其他的地方,但应有表头。4.2.1.1标记:按照有关规定或要求填写更改标记。国家技术监督局1989一03一22批准1990一01一01实施GB10609。1一BE4.2.1.2处数:填写同一标记所表示的更改数量。4.2.1.3分区:必要时,按照有关规定填写。4.2.1.4更改文件号:填写更改所依据的文件号。4.2.1.5签名和年月日:填写更改人的姓名和更改的时间。4.2.2签字区:签字区一般按设计、审核、工艺、标准化、批准等有关规定签署姓名和年月日。4.2.8其他区:4.2.8.1材料标记:对于需要该项目的图样一般应按照相应标准或规定填写所使用的材料。4.2.8.2阶段标记:按有关规定由左向右填写图样的各生产阶段。4.2.3.3重量:填写所绘制图样相应产品的计算重量,以千克(公斤)为计最单位时,允许不写出其计量单位。4.2.3.4比例:填写绘制图样时所采用的比例。4.2.3.5共张、第张:填写同一图样代号中图样的总张数及该张所在的张次。二2.4名称及代号区:4.2.4.1单位名称:填写绘制图样单位的名称或单位代号。必要时,也可不予填写。4.2.4.2图样名称:填...

1、当您付费下载文档后,您只拥有了使用权限,并不意味着购买了版权,文档只能用于自身使用,不得用于其他商业用途(如 [转卖]进行直接盈利或[编辑后售卖]进行间接盈利)。
2、本站所有内容均由合作方或网友上传,本站不对文档的完整性、权威性及其观点立场正确性做任何保证或承诺!文档内容仅供研究参考,付费前请自行鉴别。
3、如文档内容存在违规,或者侵犯商业秘密、侵犯著作权等,请点击“违规举报”。

碎片内容

蜗牛文库的最新文档

二年级数学下册其中检测卷二年级数学下册其中检测卷附答案#期中测试卷.pdf
10.00金币
0下载
二年级数学下册期末质检卷(苏教版)二年级数学下册期末质检卷(苏教版)#期末复习 #期末测试卷 #二年级数学 #二年级数学下册#关注我持续更新小学知识.pdf
10.00金币
0下载
二年级数学下册期末混合运算专项练习二年级数学下册期末混合运算专项练习#二年级#二年级数学下册#关注我持续更新小学知识 #知识分享 #家长收藏孩子受益.pdf
10.00金币
1下载
二年级数学下册年月日三类周期问题解题方法二年级数学下册年月日三类周期问题解题方法#二年级#二年级数学下册#知识分享 #关注我持续更新小学知识 #家长收藏孩子受益.pdf
10.00金币
0下载
二年级数学下册解决问题专项训练二年级数学下册解决问题专项训练#专项训练#解决问题#二年级#二年级数学下册#知识分享.pdf
10.00金币
1下载
二年级数学下册还原问题二年级数学下册还原问题#二年级#二年级数学#关注我持续更新小学知识 #知识分享 #家长收藏孩子受益.pdf
10.00金币
1下载
二年级数学下册第六单元考试卷家长打印出来给孩子测试测试争取拿到高分!#小学二年级试卷分享 #二年级第六单考试数学 #第六单考试#二年级数学下册.pdf
10.00金币
0下载
二年级数学下册必背顺口溜口诀汇总二年级数学下册必背顺口溜口诀汇总#二年级#二年级数学下册 #知识分享 #家长收藏孩子受益 #关注我持续更新小学知识.pdf
10.00金币
0下载
二年级数学下册《重点难点思维题》两大问题解决技巧和方法巧算星期几解决周期问题还原问题强化思维训练老师精心整理家长可以打印出来给孩子练习#家长收藏孩子受益 #学霸秘籍 #思维训练 #二年级 #知识点总结.pdf
10.00金币
0下载
二年级数学下册 必背公式大全寒假提前背一背开学更轻松#二年级 #二年级数学 #二年级数学下册 #寒假充电计划 #公式.pdf
10.00金币
0下载
蜗牛文库+ 关注
实名认证
内容提供者

提供各种专业文档内容

确认删除?
QQ
  • QQ点击这里给我发消息
微信客服
  • 微信客服
回到顶部