电脑桌面
添加蜗牛文库到电脑桌面
安装后可以在桌面快捷访问

GB 871-86 扁圆头铆钉.pdfVIP免费

GB 871-86 扁圆头铆钉.pdf_第1页
GB 871-86 扁圆头铆钉.pdf_第2页
GB 871-86 扁圆头铆钉.pdf_第3页
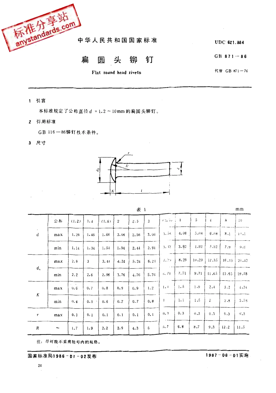
中华人民共和国国家标准UDC621.884扁圆头铆钉GB871一86Flatroundheadrivets代替GB671一76引言本标准规定了公称直径d=1.2一10mm的扁圆头铆钉引用标准GB116-86铆钉技术条件。尺寸下不一1叫表1mm公我Z。J!(蓄.S712C.>-I-_」】〕飞ax.66I2.06min2.562.44三245.0N1.9210Z96!!n一一r:为2砂味协下一1.5max12.35一万几_万蔽几不碱一比一3dmin71三恒侧三。4一3.2!a.2A大黝一洲一曰一洲一以一哪洲一0.9一脚一D.1一4.3械小兰尖2.6一0.7一晰一01一1.9﹄一翩一1.14一。一2-2以一侧一01一1.7InaXmin耳习下n,ax0.0.30.a司0."5仁了、_76习8.79.3{12.2}14.5注:尽可能不采用括号内的规格。国家标准局)986-DI一02发布1987一09一01实施及GB871一86表2mm艺一,d.公称Jmax叭川-!.1气1,。)22。53(咨。SJ4口68一11。二.5}}l18{2·2;,贯!2名一}一!!{一一{七we一一一~~一.~宁~~~---一!一)一—-),3.岛}3.:6}城3·了6}卜别;了!几.只l{:山l亡.亏。入、”.匕1{}赳一}了i1队刊{{一}},{、一一厂亏丁丁不石厂加「瓜下1}9·厂知『}{到冬,.了1;;。.约11忧}厂干卜;l—一一*、{1旦里加::,肠}}}{{‘l1一}}1l上三};。;汤13f一一一—{{}{L3‘5一洲.肠}!‘匕七J}1冲‘月币旅{1曰一}}{,冲三·6弓“‘·弓5.—一—}-—一}1曰}l厂一肠.南一1拓}一{1}i己1了.6几尸〕1吕·3弓{{}一「一一一一-1币‘巧一1—一,;沙】艺二一粀e「—一-甘.{}}!一}{!———一州匕一一一一不万舀一刃沙,。捉一一1一-l}止t,石吕2竺。浅2艺35821。飞2一!}26125.581}:。.;2}281旅沼{邹能}}!水;川女.5弓}阳艘一l一一:弓了31.月3:弓.汤}{l、佗盈31.几T一.亏l}l363石.5{36忍}污吕3了。5干:、.、{{}10393川。万}4211.亏工2.5{}名1茎35于]5一Jll!16二5546.54日纽7.5生吕。5一}59峨日.5505}l注尽可能不采用括号内的规格GB871一864于支术条件拨(I13116一86规定5标记企念七J·卜,汽d】七k扭m公称长l;!=tUHIM、卜蓬匕、不丫汗f2fm处冷泊猫灿失铆t;几一片月例乃附加说明:Fk;准山,},华人Lc月印川机械工业部提出{}InkW丁_、{卜沐粉、准化研究r9负责起草,软部h准科_娜于!`Tall,.1厂_.T:)1C7海沉匀、准件公琴26

1、当您付费下载文档后,您只拥有了使用权限,并不意味着购买了版权,文档只能用于自身使用,不得用于其他商业用途(如 [转卖]进行直接盈利或[编辑后售卖]进行间接盈利)。
2、本站所有内容均由合作方或网友上传,本站不对文档的完整性、权威性及其观点立场正确性做任何保证或承诺!文档内容仅供研究参考,付费前请自行鉴别。
3、如文档内容存在违规,或者侵犯商业秘密、侵犯著作权等,请点击“违规举报”。

碎片内容

蜗牛文库的最新文档

二年级数学下册其中检测卷二年级数学下册其中检测卷附答案#期中测试卷.pdf
10.00金币
0下载
二年级数学下册期末质检卷(苏教版)二年级数学下册期末质检卷(苏教版)#期末复习 #期末测试卷 #二年级数学 #二年级数学下册#关注我持续更新小学知识.pdf
10.00金币
0下载
二年级数学下册期末混合运算专项练习二年级数学下册期末混合运算专项练习#二年级#二年级数学下册#关注我持续更新小学知识 #知识分享 #家长收藏孩子受益.pdf
10.00金币
1下载
二年级数学下册年月日三类周期问题解题方法二年级数学下册年月日三类周期问题解题方法#二年级#二年级数学下册#知识分享 #关注我持续更新小学知识 #家长收藏孩子受益.pdf
10.00金币
0下载
二年级数学下册解决问题专项训练二年级数学下册解决问题专项训练#专项训练#解决问题#二年级#二年级数学下册#知识分享.pdf
10.00金币
1下载
二年级数学下册还原问题二年级数学下册还原问题#二年级#二年级数学#关注我持续更新小学知识 #知识分享 #家长收藏孩子受益.pdf
10.00金币
1下载
二年级数学下册第六单元考试卷家长打印出来给孩子测试测试争取拿到高分!#小学二年级试卷分享 #二年级第六单考试数学 #第六单考试#二年级数学下册.pdf
10.00金币
0下载
二年级数学下册必背顺口溜口诀汇总二年级数学下册必背顺口溜口诀汇总#二年级#二年级数学下册 #知识分享 #家长收藏孩子受益 #关注我持续更新小学知识.pdf
10.00金币
0下载
二年级数学下册《重点难点思维题》两大问题解决技巧和方法巧算星期几解决周期问题还原问题强化思维训练老师精心整理家长可以打印出来给孩子练习#家长收藏孩子受益 #学霸秘籍 #思维训练 #二年级 #知识点总结.pdf
10.00金币
0下载
二年级数学下册 必背公式大全寒假提前背一背开学更轻松#二年级 #二年级数学 #二年级数学下册 #寒假充电计划 #公式.pdf
10.00金币
0下载
蜗牛文库+ 关注
实名认证
内容提供者

提供各种专业文档内容

确认删除?
QQ
  • QQ点击这里给我发消息
微信客服
  • 微信客服
回到顶部