电脑桌面
添加蜗牛文库到电脑桌面
安装后可以在桌面快捷访问

GB 923-88盖形螺母.pdfVIP免费

GB 923-88盖形螺母.pdf_第1页
GB 923-88盖形螺母.pdf_第2页
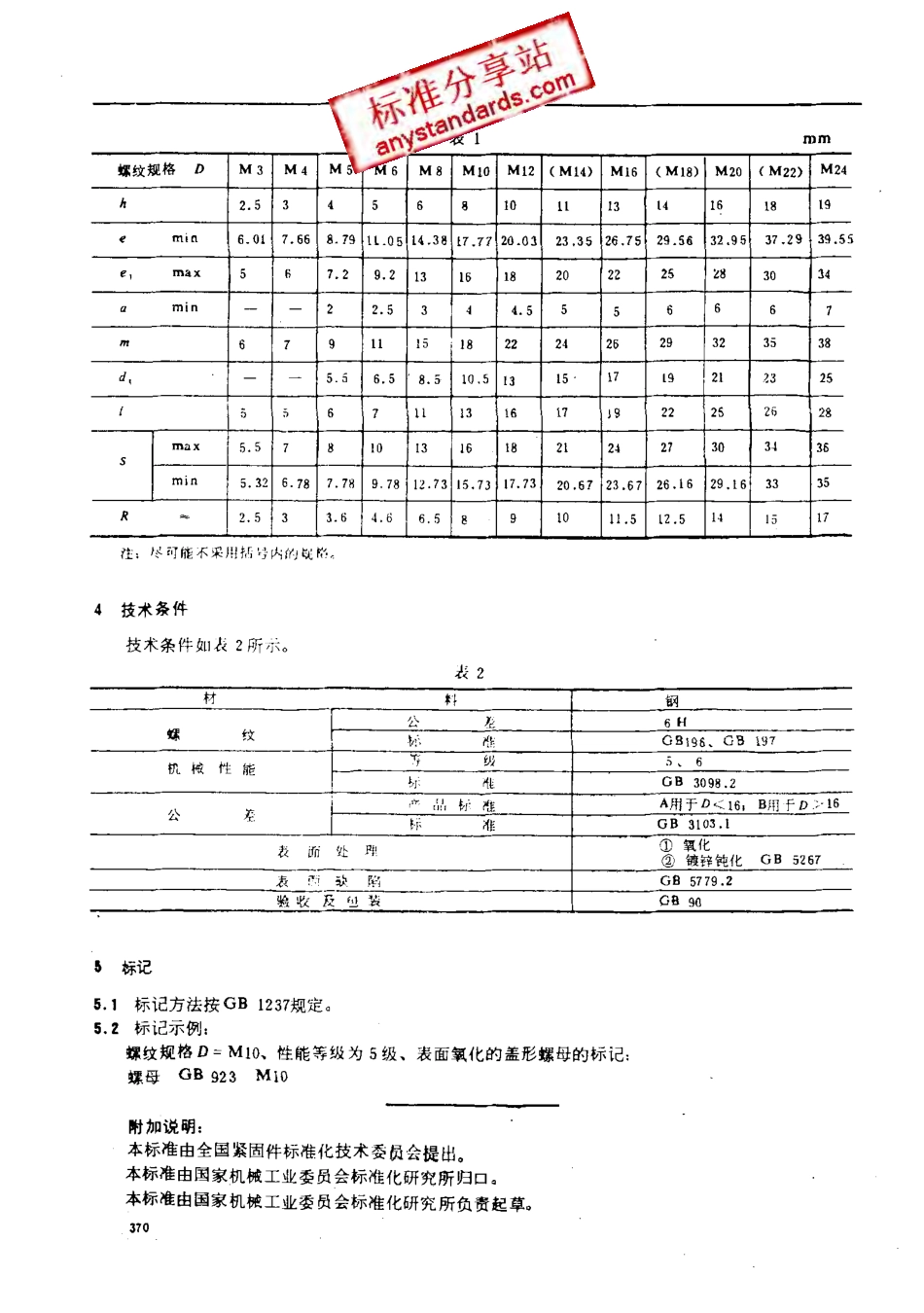
中华人民共和国国家标准UDC821.肠2.3盖形923-88AcoreGB923-76GB储母螺比主题内容本标准规定了螺纹规格为M6一M48的盖形螺母,^级用于D<1哟螺母,B级用于D>16的螺母。引用标准GB196普通螺纹基本尺寸GB197普通螺纹公差与配合GB3098.2紧固件机械性能螺母GB3103.1紧固件公差螺栓、螺钉和螺母GB5267螺纹紧固件电镀层GB5779.2紧固件表面缺陷一螺母一一般要求GB1237紧固件的标记方法GB90紧固件验收检查、标志与包装尺寸尺寸如下图及表1所示。国家机械工业委员会19翻一06一24批准19.一:f一01实施GB眨3-的表lnlm螺纹规格DM3M4M5M6M8M10M12(M14)M16(M18)M20(M22)M24h2.534568101113141618lg心nI胜n6.017.668.7911.0514.3817.7720.0323.3526.75295632.9537.2939.5'e,max567.29.2131518202225283034口min22.5344.5556667爪67911!11吕22242629323538d.556.5‘8.510.5I315171g212325l1一0刀6711I31617I92225Z62合5】,,ax5.57810131618212427303436min5.326.787.789.781:.7315.7317.7320.6723.6726.1629.163335Ra2533.64.66.5891011.512.514l517注尽可能不采拜}括号内的ur".a技术条件技术条件如表z所不。表2材犷}钢螺纹公r.6H{6:}tG8196.GB197机械性能r纵I5、6书1仁GB3098.2公差{*.lw}Br准A用于D<16iBit了于D:>-16}卜准GB3103.1表而处即IA10七榨钝了七GB5267表拼砍r一}。。577。.2轶及fJ7装G仑96与标记5.1标记方法按GB1237规定。5.2标记示例:螺纹规格D=M10、性能等级为5级、表面氧化的盖形螺母的标记;螺母GB923M10附加说明:本标准由全国紧固件标准化技术委员会提出。本标准由国家机械工业委员会标准化研究所归口。本标准由国家机械工业委员会标准化研究所负责起草。370

1、当您付费下载文档后,您只拥有了使用权限,并不意味着购买了版权,文档只能用于自身使用,不得用于其他商业用途(如 [转卖]进行直接盈利或[编辑后售卖]进行间接盈利)。
2、本站所有内容均由合作方或网友上传,本站不对文档的完整性、权威性及其观点立场正确性做任何保证或承诺!文档内容仅供研究参考,付费前请自行鉴别。
3、如文档内容存在违规,或者侵犯商业秘密、侵犯著作权等,请点击“违规举报”。

碎片内容

蜗牛文库的最新文档

二年级数学下册其中检测卷二年级数学下册其中检测卷附答案#期中测试卷.pdf
10.00金币
0下载
二年级数学下册期末质检卷(苏教版)二年级数学下册期末质检卷(苏教版)#期末复习 #期末测试卷 #二年级数学 #二年级数学下册#关注我持续更新小学知识.pdf
10.00金币
0下载
二年级数学下册期末混合运算专项练习二年级数学下册期末混合运算专项练习#二年级#二年级数学下册#关注我持续更新小学知识 #知识分享 #家长收藏孩子受益.pdf
10.00金币
1下载
二年级数学下册年月日三类周期问题解题方法二年级数学下册年月日三类周期问题解题方法#二年级#二年级数学下册#知识分享 #关注我持续更新小学知识 #家长收藏孩子受益.pdf
10.00金币
0下载
二年级数学下册解决问题专项训练二年级数学下册解决问题专项训练#专项训练#解决问题#二年级#二年级数学下册#知识分享.pdf
10.00金币
1下载
二年级数学下册还原问题二年级数学下册还原问题#二年级#二年级数学#关注我持续更新小学知识 #知识分享 #家长收藏孩子受益.pdf
10.00金币
1下载
二年级数学下册第六单元考试卷家长打印出来给孩子测试测试争取拿到高分!#小学二年级试卷分享 #二年级第六单考试数学 #第六单考试#二年级数学下册.pdf
10.00金币
0下载
二年级数学下册必背顺口溜口诀汇总二年级数学下册必背顺口溜口诀汇总#二年级#二年级数学下册 #知识分享 #家长收藏孩子受益 #关注我持续更新小学知识.pdf
10.00金币
0下载
二年级数学下册《重点难点思维题》两大问题解决技巧和方法巧算星期几解决周期问题还原问题强化思维训练老师精心整理家长可以打印出来给孩子练习#家长收藏孩子受益 #学霸秘籍 #思维训练 #二年级 #知识点总结.pdf
10.00金币
0下载
二年级数学下册 必背公式大全寒假提前背一背开学更轻松#二年级 #二年级数学 #二年级数学下册 #寒假充电计划 #公式.pdf
10.00金币
0下载
蜗牛文库+ 关注
实名认证
内容提供者

提供各种专业文档内容

确认删除?
QQ
  • QQ点击这里给我发消息
微信客服
  • 微信客服
回到顶部