电脑桌面
添加蜗牛文库到电脑桌面
安装后可以在桌面快捷访问

GB 895.2-86 轴用钢丝挡圈.pdfVIP免费

GB 895.2-86 轴用钢丝挡圈.pdf_第1页
GB 895.2-86 轴用钢丝挡圈.pdf_第2页
GB 895.2-86 轴用钢丝挡圈.pdf_第3页
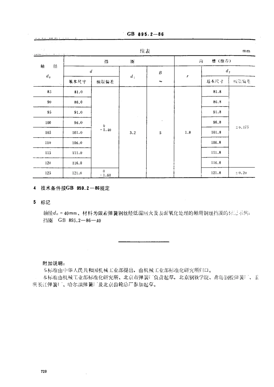
中华人民共和国国家标准UDC621.885轴用钢丝挡圈RoundwiresnaPringsforshaftGB895.2一86}让替GB895一76有关门压分引言人奸准适明十在轴上固定零(州刀f’J用的挡圈。不协任规定J轴径d‘,=4一125mm的轴用纲丝挡圈。引用标准(11飞班159.2一86挡1剑技术条件一荆丝子‘1圈。尺寸允厂一,五的‘诀式二:了升叮抽圈‘匀哨(子压荐)(ldl竺厂汀.从本厂丈、少极叹偏袱从术‘泛寸极银偏袱3一{一,80.6l0.43.4土()03了JJ1.劣6J5.4一;l!6r一}.220。82O56.2土0.045g才72l1O一99。2国家标准局,98卜07一02发布19习7一06一01实施7]8GB895.2-86续表mm轴径V俏圈沟MA(推作ddlJ3rdif-.本尺、1极艰偏差从本尺寸极限偏差1210.5一{,4:1.030.611.0士0.03513.01412.0l614.01.60.914.416.41816.0沙j17.51.118.00.092.0),19.5}一一(少.5220.0:0.1052上一21.522.日2522.523.026一21.02825526.028.031,27.52.541.429.53229.032.5土0.125r35{一{.i035.538}35‘)1日3了.037539.5屯艺39.04542.012.518l45.015.547.55加47.0JJ51.卜一}.2。3.21.851.8士0.1556.861少56.o6561.061.866.8O7066.071.8ia71.076.88U76.0719GB895.2-86续表轴径du挡Wi勾槽(?f,ti)dd,Brd1t本尺寸散牡‘扁毛幕木尺寸极tid偏差8581.0一1.A03.251.8一81.81一86.89086.091.89591.096.810096.0101.8105101.0106.8110106.0111.8115111.0116.8120116.0121.8!二02u125121.0一{.6。4技术条件按GB959.2-86规定5标记轴径d,挡圈=40mm、材料为碳素弹簧钢丝经低温回火及R面氧化处理的轴用钢丝挡圈的仁少川列GB895.2-86-40附加说明:仁标准由4,华人民共和国何L如戌七业部提出,由机械〔业部标准}仁研究所归口。下标准由机械工业tt{S标准化研究所、北京r}i5单簧r‘负责起草,北京钢铁学iii.,肖='at

1、当您付费下载文档后,您只拥有了使用权限,并不意味着购买了版权,文档只能用于自身使用,不得用于其他商业用途(如 [转卖]进行直接盈利或[编辑后售卖]进行间接盈利)。
2、本站所有内容均由合作方或网友上传,本站不对文档的完整性、权威性及其观点立场正确性做任何保证或承诺!文档内容仅供研究参考,付费前请自行鉴别。
3、如文档内容存在违规,或者侵犯商业秘密、侵犯著作权等,请点击“违规举报”。

碎片内容

蜗牛文库的最新文档

二年级数学下册其中检测卷二年级数学下册其中检测卷附答案#期中测试卷.pdf
10.00金币
0下载
二年级数学下册期末质检卷(苏教版)二年级数学下册期末质检卷(苏教版)#期末复习 #期末测试卷 #二年级数学 #二年级数学下册#关注我持续更新小学知识.pdf
10.00金币
0下载
二年级数学下册期末混合运算专项练习二年级数学下册期末混合运算专项练习#二年级#二年级数学下册#关注我持续更新小学知识 #知识分享 #家长收藏孩子受益.pdf
10.00金币
1下载
二年级数学下册年月日三类周期问题解题方法二年级数学下册年月日三类周期问题解题方法#二年级#二年级数学下册#知识分享 #关注我持续更新小学知识 #家长收藏孩子受益.pdf
10.00金币
0下载
二年级数学下册解决问题专项训练二年级数学下册解决问题专项训练#专项训练#解决问题#二年级#二年级数学下册#知识分享.pdf
10.00金币
1下载
二年级数学下册还原问题二年级数学下册还原问题#二年级#二年级数学#关注我持续更新小学知识 #知识分享 #家长收藏孩子受益.pdf
10.00金币
1下载
二年级数学下册第六单元考试卷家长打印出来给孩子测试测试争取拿到高分!#小学二年级试卷分享 #二年级第六单考试数学 #第六单考试#二年级数学下册.pdf
10.00金币
0下载
二年级数学下册必背顺口溜口诀汇总二年级数学下册必背顺口溜口诀汇总#二年级#二年级数学下册 #知识分享 #家长收藏孩子受益 #关注我持续更新小学知识.pdf
10.00金币
0下载
二年级数学下册《重点难点思维题》两大问题解决技巧和方法巧算星期几解决周期问题还原问题强化思维训练老师精心整理家长可以打印出来给孩子练习#家长收藏孩子受益 #学霸秘籍 #思维训练 #二年级 #知识点总结.pdf
10.00金币
0下载
二年级数学下册 必背公式大全寒假提前背一背开学更轻松#二年级 #二年级数学 #二年级数学下册 #寒假充电计划 #公式.pdf
10.00金币
0下载
蜗牛文库+ 关注
实名认证
内容提供者

提供各种专业文档内容

确认删除?
QQ
  • QQ点击这里给我发消息
微信客服
  • 微信客服