电脑桌面
添加蜗牛文库到电脑桌面
安装后可以在桌面快捷访问

GB 2041-1989 黄铜板.pdfVIP免费

GB 2041-1989 黄铜板.pdf_第1页
GB 2041-1989 黄铜板.pdf_第2页
GB 2041-1989 黄铜板.pdf_第3页
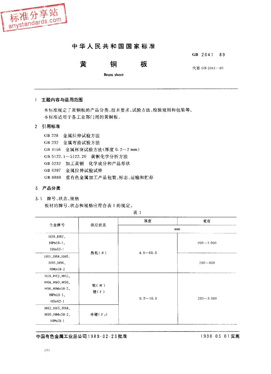
中华人民共和国国家标准GB204189黄铜板代替GB2041-80Brasssheet}主题内容与适用范围本标准规定了黄铜板的产品分类、技术要求、试验力一法、检验规则和包装等。本标准适用于各工业部门用的黄铜板2引用标准GB228金属拉仲试验方法GB232金属弯曲试验方法GB1156金属杯突试验方法(厚度0.2-2mm)GB5122.1一5122.20黄铜化学分析方法GB5232加工黄铜化学成分和产品形状GB6397金属拉伸试验试样GB8888重有色金属加工产品包装、标志运输和贮存3产品分类3.飞牌号、状态、规格板材的牌号、状态和规格应符合表1的规定。表1}}厚度}宽度合金牌p供应状态159,H62,IIPb59-11Sn62200--5000中国有色金属工业总公司1989-02一23批准1990-03-01实施GB2041一89续表合金牌号厚度供应状态宽度n】111H62、H68特硬(罗)02~10.0200~3()00注:①宽度不小于1100mm的冷轧板,最大供应长度为30。。。m②供应状态须在合同中注明,否则按硬状态供应3.2板材的尺寸及其允许偏差3.21热轧板的厚度及其允许偏差应符合表2规定表2n飞】们宽度厚度,::万)500~)110n0:::->1500~2000)夕:::一:;::厚度允许偏差卜6器主甲+U.23装士0.28+0.35士0.35+0.」0卜80~12。0十0.32士0.35+0.45于050二0,55)12.0~160+037土0,月5十0.55小0‘6与竺Ot70上100)16.n~Zno士0.40十0,65+0.75+080上0,80一l伪一加︸相-肠一70创一引)20.0~25.0+0.55士0.75十0.85十1.00十夕+110+父5O1()30生卜知+1。bo兰+1。一一一沛一一一一一一一一一一一一—+270叱-肪一刘)250~一300士0.70)300~40.0一0.80目少乒+1.1()兰十L>40.0~50.0士1.刁0)50.0一600+1.70+200+父。20+2士3·9。+4.3lJ注:帕热轧板的宽度按10Omm进级②需方要求正偏差或负偏差时,其值为表中数值的2倍乙.2.2热轧板的宽度及其允许偏差应符合表3的规定。表31百In、长度宽度蕊10001000~2D00士7+9>2000~3000+14=18)3000~4000二1名一工24>4000一5000士24上281土3潇>50D0~6000注3.2.3注弓.2.4需方要求正偏差或负偏差时,其值为表中数值的2倍热轧板的长度允许偏差为+25om热轧板长度大于400mm者不酸洗,厚度大于冷轧板的厚度及其允许偏差应符合表415mm的板材,可不切边头供应的规定GB204189表a00一400l0)v6000臼、171111一光OOt口r度普通级较高级普通级较高级,hA{A"高r}t日2-0.3D2月小笼)夕口3一~0.5一n厚度允许偏Yos}:-).0s-q}-}osJ-o.o}+d井一一)0。5~‘IR护0.R.,-L.2+0.0肥02十u.u4:w十0.U4+0.040(+0.0351+0.061奋0.05一—一仁-+0.050+0.050十0一n一1一川08一阴刊一创一剑阴一冈...

1、当您付费下载文档后,您只拥有了使用权限,并不意味着购买了版权,文档只能用于自身使用,不得用于其他商业用途(如 [转卖]进行直接盈利或[编辑后售卖]进行间接盈利)。
2、本站所有内容均由合作方或网友上传,本站不对文档的完整性、权威性及其观点立场正确性做任何保证或承诺!文档内容仅供研究参考,付费前请自行鉴别。
3、如文档内容存在违规,或者侵犯商业秘密、侵犯著作权等,请点击“违规举报”。

碎片内容

蜗牛文库的最新文档

二年级数学下册其中检测卷二年级数学下册其中检测卷附答案#期中测试卷.pdf
10.00金币
0下载
二年级数学下册期末质检卷(苏教版)二年级数学下册期末质检卷(苏教版)#期末复习 #期末测试卷 #二年级数学 #二年级数学下册#关注我持续更新小学知识.pdf
10.00金币
0下载
二年级数学下册期末混合运算专项练习二年级数学下册期末混合运算专项练习#二年级#二年级数学下册#关注我持续更新小学知识 #知识分享 #家长收藏孩子受益.pdf
10.00金币
1下载
二年级数学下册年月日三类周期问题解题方法二年级数学下册年月日三类周期问题解题方法#二年级#二年级数学下册#知识分享 #关注我持续更新小学知识 #家长收藏孩子受益.pdf
10.00金币
0下载
二年级数学下册解决问题专项训练二年级数学下册解决问题专项训练#专项训练#解决问题#二年级#二年级数学下册#知识分享.pdf
10.00金币
1下载
二年级数学下册还原问题二年级数学下册还原问题#二年级#二年级数学#关注我持续更新小学知识 #知识分享 #家长收藏孩子受益.pdf
10.00金币
1下载
二年级数学下册第六单元考试卷家长打印出来给孩子测试测试争取拿到高分!#小学二年级试卷分享 #二年级第六单考试数学 #第六单考试#二年级数学下册.pdf
10.00金币
0下载
二年级数学下册必背顺口溜口诀汇总二年级数学下册必背顺口溜口诀汇总#二年级#二年级数学下册 #知识分享 #家长收藏孩子受益 #关注我持续更新小学知识.pdf
10.00金币
0下载
二年级数学下册《重点难点思维题》两大问题解决技巧和方法巧算星期几解决周期问题还原问题强化思维训练老师精心整理家长可以打印出来给孩子练习#家长收藏孩子受益 #学霸秘籍 #思维训练 #二年级 #知识点总结.pdf
10.00金币
0下载
二年级数学下册 必背公式大全寒假提前背一背开学更轻松#二年级 #二年级数学 #二年级数学下册 #寒假充电计划 #公式.pdf
10.00金币
0下载
蜗牛文库+ 关注
实名认证
内容提供者

提供各种专业文档内容

确认删除?
QQ
  • QQ点击这里给我发消息
微信客服
  • 微信客服
回到顶部