电脑桌面
添加蜗牛文库到电脑桌面
安装后可以在桌面快捷访问

[www.staffempire.com]-SH 3406-1996 石油化工钢制管法兰.pdfVIP免费

[www.staffempire.com]-SH 3406-1996 石油化工钢制管法兰.pdf_第1页
[www.staffempire.com]-SH 3406-1996 石油化工钢制管法兰.pdf_第2页
[www.staffempire.com]-SH 3406-1996 石油化工钢制管法兰.pdf_第3页
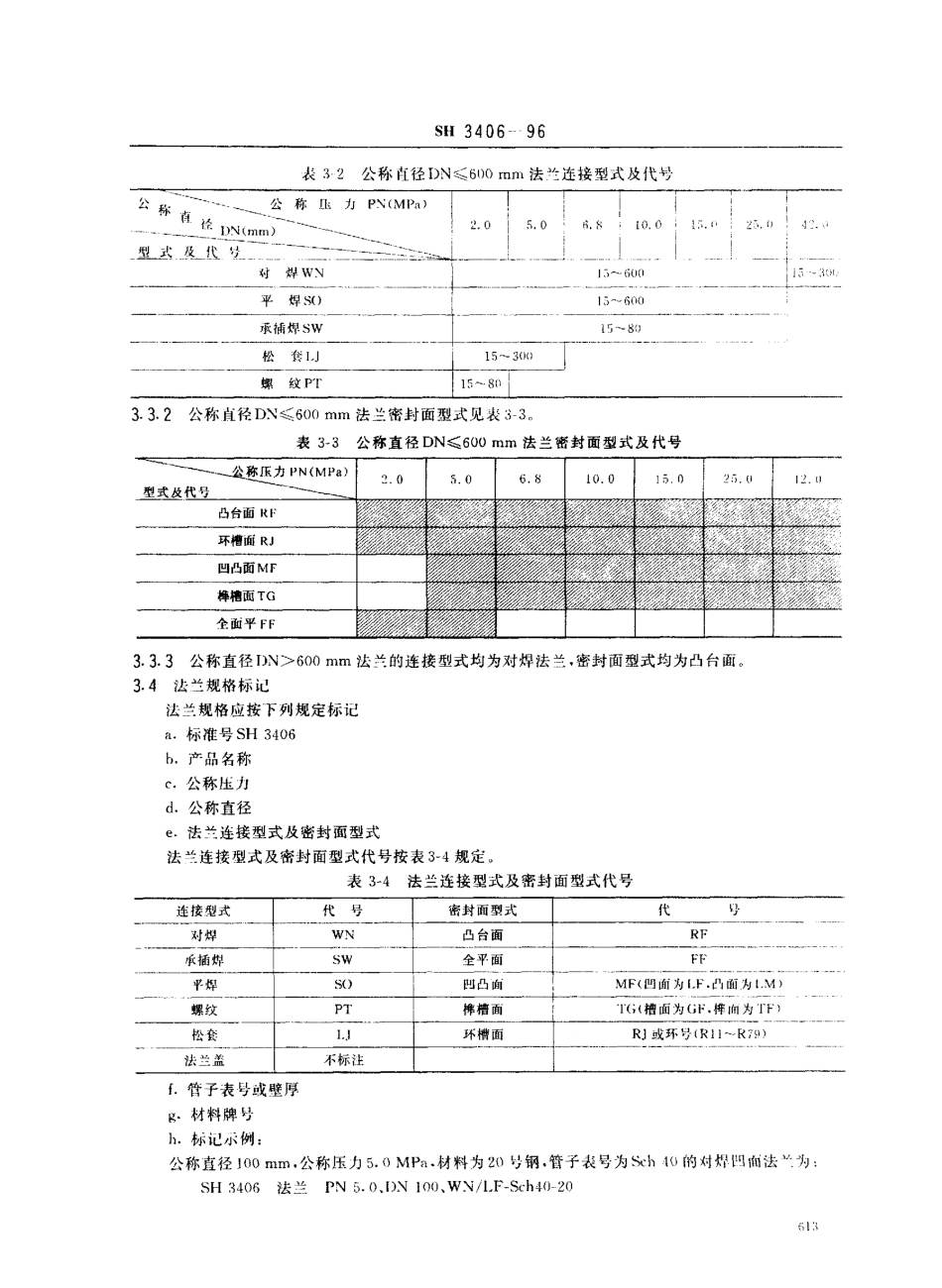
SH3406一96修订说明本标准是根据中冈石油化L,总公司中石化(1995)建标字269号文的通知。由我公司对《f1油化[钢制管法兰))(SH3406-92)修汀而成在修订过程中进行了广泛的调查研究.结合国际卜同类标准的发展状况,总结了近年来石油化_1二配管设计中的实践经验和科研成果,并征求了有关设计、施L月二产、科研等方面的意见对其中主要问题进行了多次讨论.最后经审查定稿本标准这次修订的主要内容有:1.根据《石油化工企业钢管尺寸系列》(SH3405一,6)规定,钢管外径尺寸采川单一尺寸系列;Z.法兰公称直释系列中,增加了DN550,取消了DN1050,1150,1250,1350,1450;3.调整了法兰用材料,取消了25号钢,增加了低温材料和超低碳奥氏体不锈钢牌号在本标准施行过程中,如发现需要修改或补充之处,请将意见和有关资料提供我公司,以便今后修订时参考中国石化北京石油化工工程公司一九九六年于一月中华人民共和国行业标准SH3406一96石油化工钢制管法兰1适用范围本标准适用于石油化工企业配管工程钢制管道用法兰及法竺盖2引用标准(=B711优质碳素结构钢热轧厚钢板和宽钢带GB3274碳素结构钢和低合金结构钢热轧厚钢板和钢带GB3531低温压力容器用低合金钢厚钢板技术条件GB1237不锈钢热轧钢板(;H7306用螺纹密封的管螺纹JB4726压力容器用碳素钢和低合金钢锻件州4727低温压力容器用碳素钢和低合金钢锻件JB4728压力容器用不锈钢锻件S143:405石油化工企业钢管尺寸系列3一般规定3门公称直径法兰公称直径DN共33个,规格如下:152025(32)4050(65)80100(125)150200250300350400450500550600(650)}()(750)800(850)900(950)1000(1100)1200(]300)1100(1;(,0)其中带括号的规格不推荐使用I2公称压力法狡公称压力共分1.0,2.0,5.0,6.8,10.0,15.0,25.0,42.0MY;,八个等级各公称几力等级的公称直径尺寸范围见表3-1,表3-1各公称压力等级的公称直径尺寸范围六~曹奋$bFEj1PN(MPa)vIff}}DNCmm)_1.0205.06.810.015.025.0井井15-300LI魏象彝燕一蓦豢蒙狱掇份万350-600羹豢聋(麟豢筹簇一粼葬一粼捧拼井650-1500麟滩麟撼粼臻拳:.;.:法兰连接和密封面型式公称直径DN(600mm法兰连接型式见表3-2中国石油化工总公司1996一11一25批准1997-07-01实施sti3406一96表3-2公称直径DN镇600mm法兰连接型式及代号-~一~~~于一-一绝_称压力PN(MPa)】〕NCmm)‘,‘,~,‘一一、一一~一一号径一代型武及xWN焊SO、瓜一上一当t;.St10.0{-一一丰一_______15-600__上兰}~600对1平承插焊sw1气~80松贫J刁l5,~3()()丁-﹃螺纹PT...

1、当您付费下载文档后,您只拥有了使用权限,并不意味着购买了版权,文档只能用于自身使用,不得用于其他商业用途(如 [转卖]进行直接盈利或[编辑后售卖]进行间接盈利)。
2、本站所有内容均由合作方或网友上传,本站不对文档的完整性、权威性及其观点立场正确性做任何保证或承诺!文档内容仅供研究参考,付费前请自行鉴别。
3、如文档内容存在违规,或者侵犯商业秘密、侵犯著作权等,请点击“违规举报”。

碎片内容

蜗牛文库的最新文档

二年级数学下册其中检测卷二年级数学下册其中检测卷附答案#期中测试卷.pdf
10.00金币
0下载
二年级数学下册期末质检卷(苏教版)二年级数学下册期末质检卷(苏教版)#期末复习 #期末测试卷 #二年级数学 #二年级数学下册#关注我持续更新小学知识.pdf
10.00金币
0下载
二年级数学下册期末混合运算专项练习二年级数学下册期末混合运算专项练习#二年级#二年级数学下册#关注我持续更新小学知识 #知识分享 #家长收藏孩子受益.pdf
10.00金币
1下载
二年级数学下册年月日三类周期问题解题方法二年级数学下册年月日三类周期问题解题方法#二年级#二年级数学下册#知识分享 #关注我持续更新小学知识 #家长收藏孩子受益.pdf
10.00金币
0下载
二年级数学下册解决问题专项训练二年级数学下册解决问题专项训练#专项训练#解决问题#二年级#二年级数学下册#知识分享.pdf
10.00金币
1下载
二年级数学下册还原问题二年级数学下册还原问题#二年级#二年级数学#关注我持续更新小学知识 #知识分享 #家长收藏孩子受益.pdf
10.00金币
1下载
二年级数学下册第六单元考试卷家长打印出来给孩子测试测试争取拿到高分!#小学二年级试卷分享 #二年级第六单考试数学 #第六单考试#二年级数学下册.pdf
10.00金币
0下载
二年级数学下册必背顺口溜口诀汇总二年级数学下册必背顺口溜口诀汇总#二年级#二年级数学下册 #知识分享 #家长收藏孩子受益 #关注我持续更新小学知识.pdf
10.00金币
0下载
二年级数学下册《重点难点思维题》两大问题解决技巧和方法巧算星期几解决周期问题还原问题强化思维训练老师精心整理家长可以打印出来给孩子练习#家长收藏孩子受益 #学霸秘籍 #思维训练 #二年级 #知识点总结.pdf
10.00金币
0下载
二年级数学下册 必背公式大全寒假提前背一背开学更轻松#二年级 #二年级数学 #二年级数学下册 #寒假充电计划 #公式.pdf
10.00金币
0下载
蜗牛文库+ 关注
实名认证
内容提供者

提供各种专业文档内容

确认删除?
QQ
  • QQ点击这里给我发消息
微信客服
  • 微信客服
回到顶部