电脑桌面
添加蜗牛文库到电脑桌面
安装后可以在桌面快捷访问

审计准备内控调查.xlsVIP免费

审计准备内控调查.xls_第1页
审计准备内控调查.xls_第2页
审计准备内控调查.xls_第3页
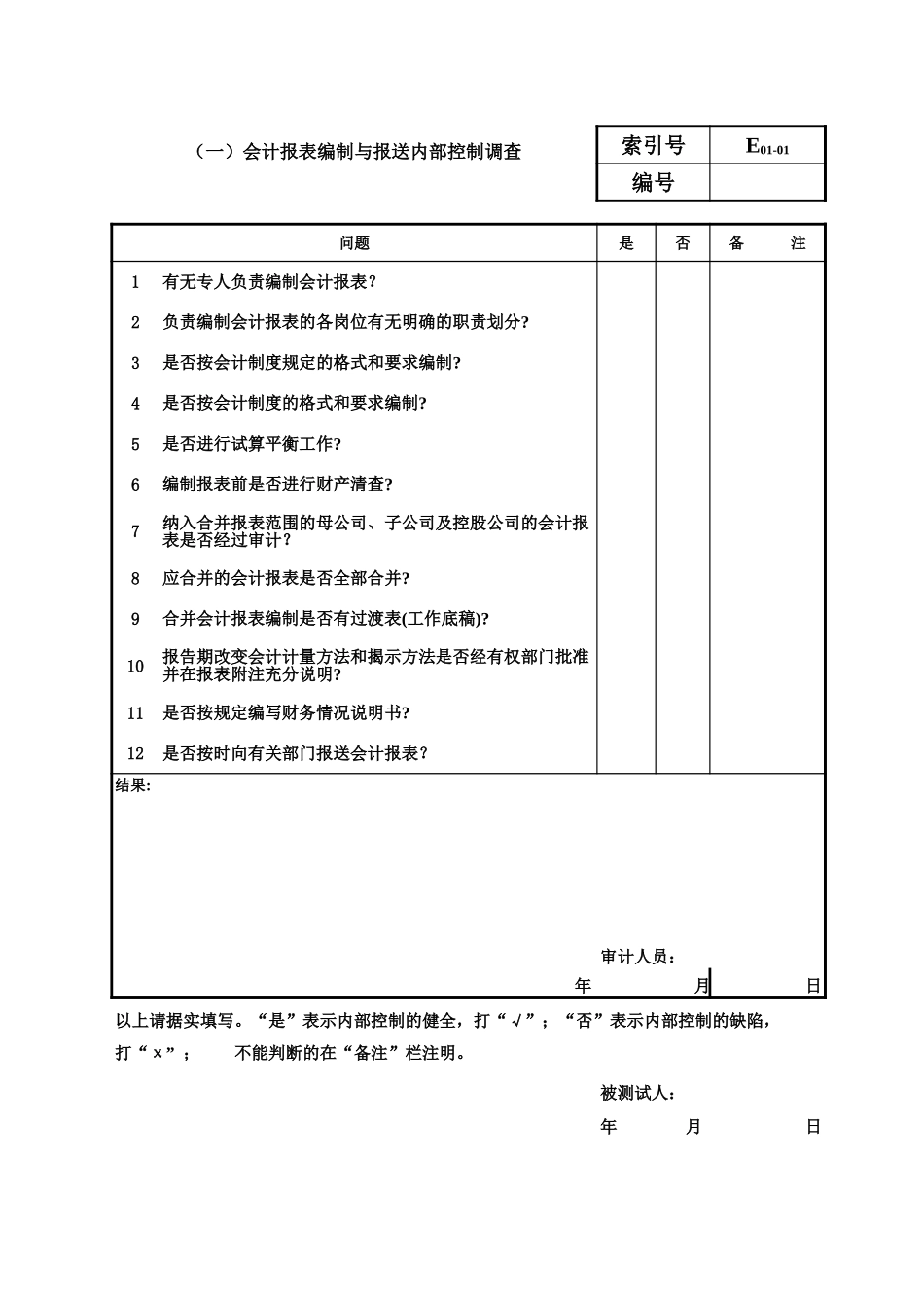
(一)会计报表编制与报送内部控制调查索引号编号问题是否1有无专人负责编制会计报表?23456789101112是否按时向有关部门报送会计报表?审计人员:以上请据实填写。“是”表示内部控制的健全,打“√”;“否”表示内部控制的缺陷,被测试人:E01-01备注负责编制会计报表的各岗位有无明确的职责划分?是否按会计制度规定的格式和要求编制?是否按会计制度的格式和要求编制?是否进行试算平衡工作?编制报表前是否进行财产清查?纳入合并报表范围的母公司、子公司及控股公司的会计报表是否经过审计?应合并的会计报表是否全部合并?合并会计报表编制是否有过渡表(工作底稿)?报告期改变会计计量方法和揭示方法是否经有权部门批准并在报表附注充分说明?是否按规定编写财务情况说明书?结果:年月日打“χ”;不能判断的在“备注”栏注明。年月日(二)货币资金的内部控制调查索引号编号问题是否123银行票据与有关印章保管的职务是否相互分开?45记帐凭证与原始凭证的核对,是否由稽核人员进行?6银行存款日记帐与银行对帐单是否及时进行核对?7是否按月编制银行存款调节表,未达帐项是否得到检查?89收付凭证是否按顺序连续编号?10111213作废支票及其他银行票据是否加盖“作废”戳记?1415库存现金是否在稽核人员监督下定期进行盘点?16是否采取措施限制非出纳人员接近现金?17外埠存款支用及收回是否有规定的审批手续?18对信用卡等有价证券有无管理规定?审计人员:以上请据实填写。“是”表示内部控制的健全,打“√”;“否”表示内部控制的缺陷,被测试人:E01-02备注银行帐户(含银行汇票存款、银行本票存款、外埠存款、信用证存款、外币存款)开立是否有规定的审批手续?货币资金收付业务的出纳、审核,与记录的职务是否相互分开?登记银行存款日记帐、现金日记帐、其他货币资金明细帐与登记总分类帐的职务是否分开?外币存付款是否采用复币记帐法,月末是否按规定计算汇兑损益?货币资金收付款业务的发生,是否经有关业务主管或领导批准,并经授权人经办?出纳是否根据审核无误的会计凭证登记银行存款日记帐、现金日记帐和其他货币资金明细帐?办理结算业务后的结算凭证是否加盖“收讫”或“付讫”戳记?库存现金是否由出纳专门保管,出纳工作是否定期进行轮换?结果:年月日打“χ”;不能判断的在“备注”栏注明。年月日(三)应收预付的内部控制调查索引号编号问题是否12各类应收及预付款总帐与明细帐余额是否定期进行核对?3企业是否有催帐制度?4是...

1、当您付费下载文档后,您只拥有了使用权限,并不意味着购买了版权,文档只能用于自身使用,不得用于其他商业用途(如 [转卖]进行直接盈利或[编辑后售卖]进行间接盈利)。
2、本站所有内容均由合作方或网友上传,本站不对文档的完整性、权威性及其观点立场正确性做任何保证或承诺!文档内容仅供研究参考,付费前请自行鉴别。
3、如文档内容存在违规,或者侵犯商业秘密、侵犯著作权等,请点击“违规举报”。

碎片内容

蜗牛文库的最新文档

二年级数学下册其中检测卷二年级数学下册其中检测卷附答案#期中测试卷.pdf
10.00金币
0下载
二年级数学下册期末质检卷(苏教版)二年级数学下册期末质检卷(苏教版)#期末复习 #期末测试卷 #二年级数学 #二年级数学下册#关注我持续更新小学知识.pdf
10.00金币
0下载
二年级数学下册期末混合运算专项练习二年级数学下册期末混合运算专项练习#二年级#二年级数学下册#关注我持续更新小学知识 #知识分享 #家长收藏孩子受益.pdf
10.00金币
1下载
二年级数学下册年月日三类周期问题解题方法二年级数学下册年月日三类周期问题解题方法#二年级#二年级数学下册#知识分享 #关注我持续更新小学知识 #家长收藏孩子受益.pdf
10.00金币
0下载
二年级数学下册解决问题专项训练二年级数学下册解决问题专项训练#专项训练#解决问题#二年级#二年级数学下册#知识分享.pdf
10.00金币
1下载
二年级数学下册还原问题二年级数学下册还原问题#二年级#二年级数学#关注我持续更新小学知识 #知识分享 #家长收藏孩子受益.pdf
10.00金币
1下载
二年级数学下册第六单元考试卷家长打印出来给孩子测试测试争取拿到高分!#小学二年级试卷分享 #二年级第六单考试数学 #第六单考试#二年级数学下册.pdf
10.00金币
0下载
二年级数学下册必背顺口溜口诀汇总二年级数学下册必背顺口溜口诀汇总#二年级#二年级数学下册 #知识分享 #家长收藏孩子受益 #关注我持续更新小学知识.pdf
10.00金币
0下载
二年级数学下册《重点难点思维题》两大问题解决技巧和方法巧算星期几解决周期问题还原问题强化思维训练老师精心整理家长可以打印出来给孩子练习#家长收藏孩子受益 #学霸秘籍 #思维训练 #二年级 #知识点总结.pdf
10.00金币
0下载
二年级数学下册 必背公式大全寒假提前背一背开学更轻松#二年级 #二年级数学 #二年级数学下册 #寒假充电计划 #公式.pdf
10.00金币
0下载
蜗牛文库+ 关注
实名认证
内容提供者

提供各种专业文档内容

确认删除?
QQ
  • QQ点击这里给我发消息
微信客服
  • 微信客服
回到顶部