电脑桌面
添加蜗牛文库到电脑桌面
安装后可以在桌面快捷访问

制造业成绩与效率增长率考核表典范.docVIP免费

制造业成绩与效率增长率考核表典范.doc_第1页
制造业成绩与效率增长率考核表典范.doc_第2页
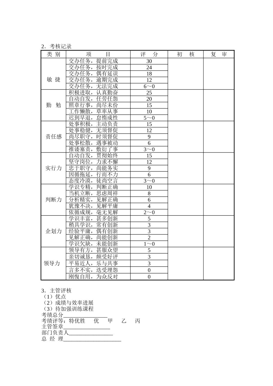
制造业成绩与效率增长率考核表典范员工成绩与效率考核表姓名部门职称___________________入公司日期年资任现职日期____________1.人事记录(1)考勤假别记录扣分旷职(-3分/日)事假(-1分/日)病假(-0.5分/日)迟到、早退(-0.5分/次)特休公假婚假丧假公伤假产假合计扣分本年度未休完特休天数(2)奖惩类别结果事实奖惩(3)教育训练受训课程时数出勤率成绩其他记录(4)其他记录日期事由2.考核记录类别项目评分初核复审敏捷交办任务,提前完成30交办任务,按时完成24交办任务,偶有延误18交办任务,逾期完成12交办任务,无法完成6~0勤勉积极进取,认真勤奋25自动自发,任劳任怨20照章行事,尚尽未份15工作懒散,草率从事10迟到早退,怠惰成性5~0责任感处事积极,主动负责15处事稳健,无须督促12尚尽职守,时须督促9处事松散,遇事被动6推诿塞责,敷衍了事3~0实行力自动自发,贯彻始终15坚守岗位,力求不懈12忠于职守,尚能务实9因循拖延,行而不力6态度冷漠,徒尚空言3~0判断力学识专精,判断正确10当机立断,思虑周祥8分析精实,见解正确6犹豫不决,见解平庸4依循成规,毫无见解2~0企划力学识丰富,甚多创新5稍具学识,常有创新3经验平庸,偶有创新3见解正确,尚能创新2学识欠缺,未能创新1~0领导力领导有方,甚服众望5亲切诚恳,颇受好评3平易近人,乐与共事3言多不实,迭受埋怨0刚愎自用,为众反对03.主管评核(1)优点(2)成绩与效率进展(3)待加强训练课程考绩总分________________考绩评等:特优胜优甲乙丙主管签章_________________部门负责人________________总经理_____________________

1、当您付费下载文档后,您只拥有了使用权限,并不意味着购买了版权,文档只能用于自身使用,不得用于其他商业用途(如 [转卖]进行直接盈利或[编辑后售卖]进行间接盈利)。
2、本站所有内容均由合作方或网友上传,本站不对文档的完整性、权威性及其观点立场正确性做任何保证或承诺!文档内容仅供研究参考,付费前请自行鉴别。
3、如文档内容存在违规,或者侵犯商业秘密、侵犯著作权等,请点击“违规举报”。

碎片内容

蜗牛文库的最新文档

二年级数学下册其中检测卷二年级数学下册其中检测卷附答案#期中测试卷.pdf
10.00金币
0下载
二年级数学下册期末质检卷(苏教版)二年级数学下册期末质检卷(苏教版)#期末复习 #期末测试卷 #二年级数学 #二年级数学下册#关注我持续更新小学知识.pdf
10.00金币
0下载
二年级数学下册期末混合运算专项练习二年级数学下册期末混合运算专项练习#二年级#二年级数学下册#关注我持续更新小学知识 #知识分享 #家长收藏孩子受益.pdf
10.00金币
1下载
二年级数学下册年月日三类周期问题解题方法二年级数学下册年月日三类周期问题解题方法#二年级#二年级数学下册#知识分享 #关注我持续更新小学知识 #家长收藏孩子受益.pdf
10.00金币
0下载
二年级数学下册解决问题专项训练二年级数学下册解决问题专项训练#专项训练#解决问题#二年级#二年级数学下册#知识分享.pdf
10.00金币
1下载
二年级数学下册还原问题二年级数学下册还原问题#二年级#二年级数学#关注我持续更新小学知识 #知识分享 #家长收藏孩子受益.pdf
10.00金币
1下载
二年级数学下册第六单元考试卷家长打印出来给孩子测试测试争取拿到高分!#小学二年级试卷分享 #二年级第六单考试数学 #第六单考试#二年级数学下册.pdf
10.00金币
0下载
二年级数学下册必背顺口溜口诀汇总二年级数学下册必背顺口溜口诀汇总#二年级#二年级数学下册 #知识分享 #家长收藏孩子受益 #关注我持续更新小学知识.pdf
10.00金币
0下载
二年级数学下册《重点难点思维题》两大问题解决技巧和方法巧算星期几解决周期问题还原问题强化思维训练老师精心整理家长可以打印出来给孩子练习#家长收藏孩子受益 #学霸秘籍 #思维训练 #二年级 #知识点总结.pdf
10.00金币
0下载
二年级数学下册 必背公式大全寒假提前背一背开学更轻松#二年级 #二年级数学 #二年级数学下册 #寒假充电计划 #公式.pdf
10.00金币
0下载
蜗牛文库+ 关注
实名认证
内容提供者

提供各种专业文档内容

确认删除?
QQ
  • QQ点击这里给我发消息
微信客服
  • 微信客服
回到顶部