电脑桌面
添加蜗牛文库到电脑桌面
安装后可以在桌面快捷访问

13、材料采购与仓储管理考核.docVIP免费

13、材料采购与仓储管理考核.doc_第1页
13、材料采购与仓储管理考核.doc_第2页
13、材料采购与仓储管理考核.doc_第3页
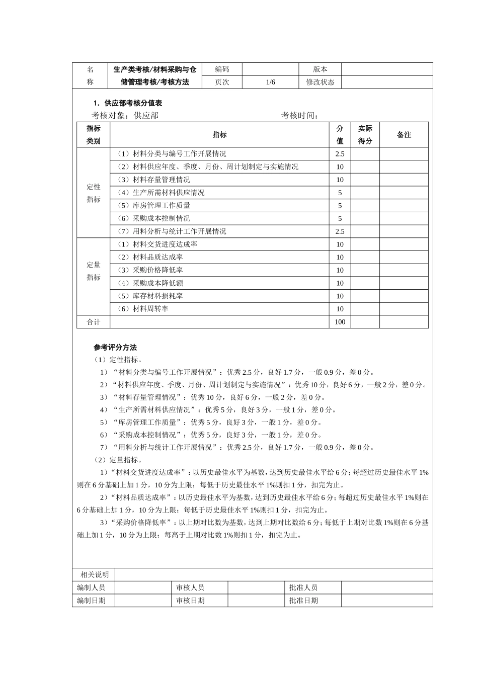
名称生产类考核/材料采购与仓储管理考核/考核方法编码版本页次1/6修改状态1.供应部考核分值表考核对象:供应部考核时间:指标类别指标分值实际得分备注定性指标(1)材料分类与编号工作开展情况2.5(2)材料供应年度、季度、月份、周计划制定与实施情况10(3)材料存量管理情况10(4)生产所需材料供应情况5(5)库房管理工作质量5(6)采购成本控制情况5(7)用料分析与统计工作开展情况2.5定量指标(1)材料交货进度达成率10(2)材料品质达成率10(3)采购价格降低率10(4)采购成本降低额10(5)库存材料损耗率10(6)材料周转率10合计100参考评分方法(1)定性指标。1)“材料分类与编号工作开展情况”:优秀2.5分,良好1.7分,一般0.9分,差0分。2)“材料供应年度、季度、月份、周计划制定与实施情况”:优秀10分,良好6分,一般2分,差0分。3)“材料存量管理情况”:优秀10分,良好6分,一般2分,差0分。4)“生产所需材料供应情况”:优秀5分,良好3分,一般1分,差0分。5)“库房管理工作质量”:优秀5分,良好3分,一般1分,差0分。6)“采购成本控制情况”:优秀5分,良好3分,一般1分,差0分。7)“用料分析与统计工作开展情况”:优秀2.5分,良好1.7分,一般0.9分,差0分。(2)定量指标。1)“材料交货进度达成率”:以历史最佳水平为基数,达到历史最佳水平给6分;每超过历史最佳水平1%则在6分基础上加1分,10分为上限;每低于历史最佳水平1%则扣1分,扣完为止。2)“材料品质达成率”:以历史最佳水平为基数,达到历史最佳水平给6分;每超过历史最佳水平1%则在6分基础上加1分,10分为上限;每低于历史最佳水平1%则扣1分,扣完为止。3)“采购价格降低率”:以上期对比数为基数,达到上期对比数给6分;每低于上期对比数1%则在6分基础上加1分,10分为上限;每高于上期对比数1%则扣1分,扣完为止。相关说明编制人员审核人员批准人员编制日期审核日期批准日期(续)名称生产类考核/材料采购与仓储管理考核/考核方法编码版本页次2/6修改状态4)“采购成本降低额”:以计划数为基数,达到计划给6分;每低于计划数5%则在6分基础上加1分,10分为上限;每高计划5%则扣1分,扣完为止。5)“库存材料损耗率”:以历史最低水平为基数,达到历史最低水平给6分;每低于历史最低水平0.1%则在6分基础上加1分,10分为上限;每高于历史最低水平0.1%则扣1分,扣完为止。6)“材料周转率”:以历史最佳水平为基数,达到历史最佳水平给6分;每超过历...

1、当您付费下载文档后,您只拥有了使用权限,并不意味着购买了版权,文档只能用于自身使用,不得用于其他商业用途(如 [转卖]进行直接盈利或[编辑后售卖]进行间接盈利)。
2、本站所有内容均由合作方或网友上传,本站不对文档的完整性、权威性及其观点立场正确性做任何保证或承诺!文档内容仅供研究参考,付费前请自行鉴别。
3、如文档内容存在违规,或者侵犯商业秘密、侵犯著作权等,请点击“违规举报”。

碎片内容

蜗牛文库的最新文档

二年级数学下册其中检测卷二年级数学下册其中检测卷附答案#期中测试卷.pdf
10.00金币
0下载
二年级数学下册期末质检卷(苏教版)二年级数学下册期末质检卷(苏教版)#期末复习 #期末测试卷 #二年级数学 #二年级数学下册#关注我持续更新小学知识.pdf
10.00金币
0下载
二年级数学下册期末混合运算专项练习二年级数学下册期末混合运算专项练习#二年级#二年级数学下册#关注我持续更新小学知识 #知识分享 #家长收藏孩子受益.pdf
10.00金币
1下载
二年级数学下册年月日三类周期问题解题方法二年级数学下册年月日三类周期问题解题方法#二年级#二年级数学下册#知识分享 #关注我持续更新小学知识 #家长收藏孩子受益.pdf
10.00金币
0下载
二年级数学下册解决问题专项训练二年级数学下册解决问题专项训练#专项训练#解决问题#二年级#二年级数学下册#知识分享.pdf
10.00金币
1下载
二年级数学下册还原问题二年级数学下册还原问题#二年级#二年级数学#关注我持续更新小学知识 #知识分享 #家长收藏孩子受益.pdf
10.00金币
1下载
二年级数学下册第六单元考试卷家长打印出来给孩子测试测试争取拿到高分!#小学二年级试卷分享 #二年级第六单考试数学 #第六单考试#二年级数学下册.pdf
10.00金币
0下载
二年级数学下册必背顺口溜口诀汇总二年级数学下册必背顺口溜口诀汇总#二年级#二年级数学下册 #知识分享 #家长收藏孩子受益 #关注我持续更新小学知识.pdf
10.00金币
0下载
二年级数学下册《重点难点思维题》两大问题解决技巧和方法巧算星期几解决周期问题还原问题强化思维训练老师精心整理家长可以打印出来给孩子练习#家长收藏孩子受益 #学霸秘籍 #思维训练 #二年级 #知识点总结.pdf
10.00金币
0下载
二年级数学下册 必背公式大全寒假提前背一背开学更轻松#二年级 #二年级数学 #二年级数学下册 #寒假充电计划 #公式.pdf
10.00金币
0下载
蜗牛文库+ 关注
实名认证
内容提供者

提供各种专业文档内容

确认删除?
QQ
  • QQ点击这里给我发消息
微信客服
  • 微信客服
回到顶部