电脑桌面
添加蜗牛文库到电脑桌面
安装后可以在桌面快捷访问

计件工资管理办法.docVIP免费

计件工资管理办法.doc_第1页
计件工资管理办法.doc_第2页
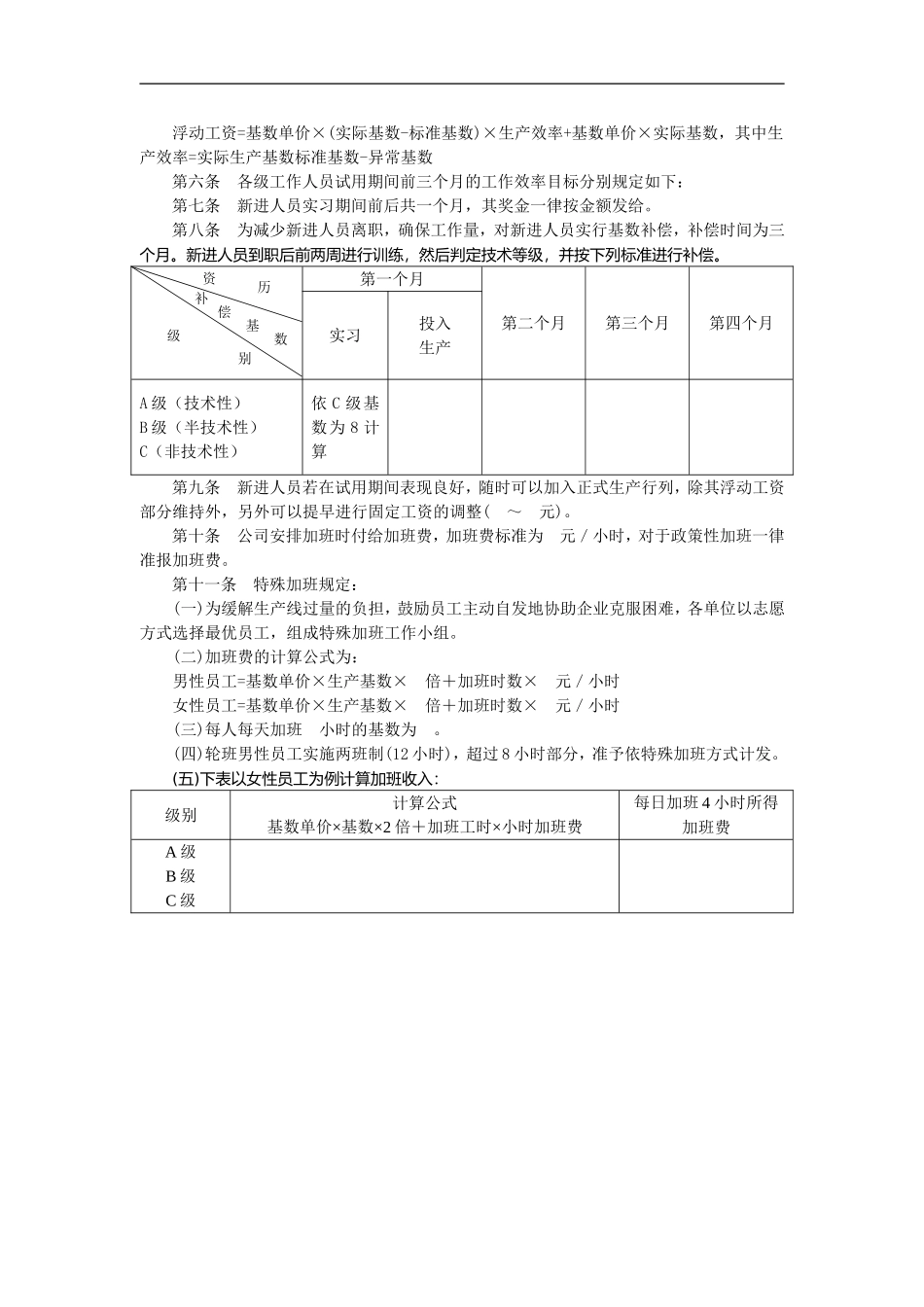
计件工资管理办法第一条本企业为适应订货量常随季节变化,临时加班时间多,人员需求量不稳定的市场环境及内部特点,以及为提高工作绩效的发挥水平,激励作业人员的工作积极性,特制订本办法。第二条本办法的适用范围为本厂直接参与生产的男女从业人员(包括从事包装、整理作业人员)。第三条本厂计件工资分为固定金额与浮动金额两部分。第四条固定工资部分(约占全部工资的1/2~1/4):(一)固定工资的核定内容分为五个方面,分别赋予一定的比例,合计后评定等级并按工资标准的规定核发工资。这五方面内容及相应比例为:1.技能%。2.工作的重要性%。3.资历年限%。4.工作环境%。5.学历%。(二)固定工资核发标准级别一二三四五评定分数(分)金额(元)男女第五条浮动工资部分:(一)标准基数的确定。由厂业务室根据各订单所要求产品的不同型式(规格)设定所需要的标准工时,每一工时设定为一个基数,以此作为产量、工资计算的依据,则每人每天上班8小时的标准基数为8。(二)基数单价的确定。根据各人技术的高低及轮班时间的不同而分别确定,其标准为:早班中班晚班AA级(特殊技术性)男女A级(技术性)男女B级(半技术性)男女C级(非技术性)男女(三)浮动工资应得金额的计算1.当实际基数≤标准基数时,其计算公式为:浮动工资=基数单价×实际生产基数2.当实际基数≥标准基数时:班别基数单价性别级别浮动工资=基数单价×(实际基数-标准基数)×生产效率+基数单价×实际基数,其中生产效率=实际生产基数标准基数-异常基数第六条各级工作人员试用期间前三个月的工作效率目标分别规定如下:第七条新进人员实习期间前后共一个月,其奖金一律按金额发给。第八条为减少新进人员离职,确保工作量,对新进人员实行基数补偿,补偿时间为三个月。新进人员到职后前两周进行训练,然后判定技术等级,并按下列标准进行补偿。第一个月第二个月第三个月第四个月实习投入生产A级(技术性)B级(半技术性)C(非技术性)依C级基数为8计算第九条新进人员若在试用期间表现良好,随时可以加入正式生产行列,除其浮动工资部分维持外,另外可以提早进行固定工资的调整(~元)。第十条公司安排加班时付给加班费,加班费标准为元/小时,对于政策性加班一律准报加班费。第十一条特殊加班规定:(一)为缓解生产线过量的负担,鼓励员工主动自发地协助企业克服困难,各单位以志愿方式选择最优员工,组成特殊加班工作小组。(二)加班费的计算公式为:男性员工=基数单价×生产基数×倍+加...

1、当您付费下载文档后,您只拥有了使用权限,并不意味着购买了版权,文档只能用于自身使用,不得用于其他商业用途(如 [转卖]进行直接盈利或[编辑后售卖]进行间接盈利)。
2、本站所有内容均由合作方或网友上传,本站不对文档的完整性、权威性及其观点立场正确性做任何保证或承诺!文档内容仅供研究参考,付费前请自行鉴别。
3、如文档内容存在违规,或者侵犯商业秘密、侵犯著作权等,请点击“违规举报”。

碎片内容

蜗牛文库的最新文档

二年级数学下册其中检测卷二年级数学下册其中检测卷附答案#期中测试卷.pdf
10.00金币
0下载
二年级数学下册期末质检卷(苏教版)二年级数学下册期末质检卷(苏教版)#期末复习 #期末测试卷 #二年级数学 #二年级数学下册#关注我持续更新小学知识.pdf
10.00金币
0下载
二年级数学下册期末混合运算专项练习二年级数学下册期末混合运算专项练习#二年级#二年级数学下册#关注我持续更新小学知识 #知识分享 #家长收藏孩子受益.pdf
10.00金币
1下载
二年级数学下册年月日三类周期问题解题方法二年级数学下册年月日三类周期问题解题方法#二年级#二年级数学下册#知识分享 #关注我持续更新小学知识 #家长收藏孩子受益.pdf
10.00金币
0下载
二年级数学下册解决问题专项训练二年级数学下册解决问题专项训练#专项训练#解决问题#二年级#二年级数学下册#知识分享.pdf
10.00金币
1下载
二年级数学下册还原问题二年级数学下册还原问题#二年级#二年级数学#关注我持续更新小学知识 #知识分享 #家长收藏孩子受益.pdf
10.00金币
1下载
二年级数学下册第六单元考试卷家长打印出来给孩子测试测试争取拿到高分!#小学二年级试卷分享 #二年级第六单考试数学 #第六单考试#二年级数学下册.pdf
10.00金币
0下载
二年级数学下册必背顺口溜口诀汇总二年级数学下册必背顺口溜口诀汇总#二年级#二年级数学下册 #知识分享 #家长收藏孩子受益 #关注我持续更新小学知识.pdf
10.00金币
0下载
二年级数学下册《重点难点思维题》两大问题解决技巧和方法巧算星期几解决周期问题还原问题强化思维训练老师精心整理家长可以打印出来给孩子练习#家长收藏孩子受益 #学霸秘籍 #思维训练 #二年级 #知识点总结.pdf
10.00金币
0下载
二年级数学下册 必背公式大全寒假提前背一背开学更轻松#二年级 #二年级数学 #二年级数学下册 #寒假充电计划 #公式.pdf
10.00金币
0下载
蜗牛文库+ 关注
实名认证
内容提供者

提供各种专业文档内容

确认删除?
QQ
  • QQ点击这里给我发消息
微信客服
  • 微信客服
回到顶部