电脑桌面
添加蜗牛文库到电脑桌面
安装后可以在桌面快捷访问

01项目支出-7转出投资审计程序表.docVIP免费

01项目支出-7转出投资审计程序表.doc_第1页
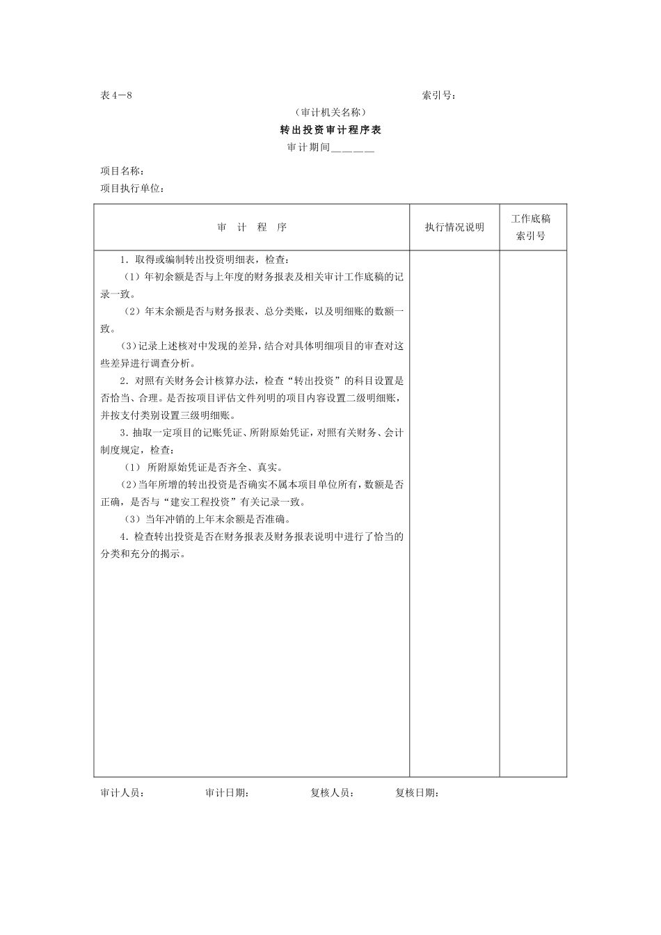
表4-8索引号:(审计机关名称)转出投资审计程序表审计期间____项目名称:项目执行单位:审计程序执行情况说明工作底稿索引号1.取得或编制转出投资明细表,检查:(1)年初余额是否与上年度的财务报表及相关审计工作底稿的记录一致。(2)年末余额是否与财务报表、总分类账,以及明细账的数额一致。(3)记录上述核对中发现的差异,结合对具体明细项目的审查对这些差异进行调查分析。2.对照有关财务会计核算办法,检查“转出投资”的科目设置是否恰当、合理。是否按项目评估文件列明的项目内容设置二级明细账,并按支付类别设置三级明细账。3.抽取一定项目的记账凭证、所附原始凭证,对照有关财务、会计制度规定,检查:(1)所附原始凭证是否齐全、真实。(2)当年所增的转出投资是否确实不属本项目单位所有,数额是否正确,是否与“建安工程投资”有关记录一致。(3)当年冲销的上年末余额是否准确。4.检查转出投资是否在财务报表及财务报表说明中进行了恰当的分类和充分的揭示。审计人员:审计日期:复核人员:复核日期:

1、当您付费下载文档后,您只拥有了使用权限,并不意味着购买了版权,文档只能用于自身使用,不得用于其他商业用途(如 [转卖]进行直接盈利或[编辑后售卖]进行间接盈利)。
2、本站所有内容均由合作方或网友上传,本站不对文档的完整性、权威性及其观点立场正确性做任何保证或承诺!文档内容仅供研究参考,付费前请自行鉴别。
3、如文档内容存在违规,或者侵犯商业秘密、侵犯著作权等,请点击“违规举报”。

碎片内容

蜗牛文库的最新文档

二年级数学下册其中检测卷二年级数学下册其中检测卷附答案#期中测试卷.pdf
10.00金币
0下载
二年级数学下册期末质检卷(苏教版)二年级数学下册期末质检卷(苏教版)#期末复习 #期末测试卷 #二年级数学 #二年级数学下册#关注我持续更新小学知识.pdf
10.00金币
0下载
二年级数学下册期末混合运算专项练习二年级数学下册期末混合运算专项练习#二年级#二年级数学下册#关注我持续更新小学知识 #知识分享 #家长收藏孩子受益.pdf
10.00金币
1下载
二年级数学下册年月日三类周期问题解题方法二年级数学下册年月日三类周期问题解题方法#二年级#二年级数学下册#知识分享 #关注我持续更新小学知识 #家长收藏孩子受益.pdf
10.00金币
0下载
二年级数学下册解决问题专项训练二年级数学下册解决问题专项训练#专项训练#解决问题#二年级#二年级数学下册#知识分享.pdf
10.00金币
1下载
二年级数学下册还原问题二年级数学下册还原问题#二年级#二年级数学#关注我持续更新小学知识 #知识分享 #家长收藏孩子受益.pdf
10.00金币
1下载
二年级数学下册第六单元考试卷家长打印出来给孩子测试测试争取拿到高分!#小学二年级试卷分享 #二年级第六单考试数学 #第六单考试#二年级数学下册.pdf
10.00金币
0下载
二年级数学下册必背顺口溜口诀汇总二年级数学下册必背顺口溜口诀汇总#二年级#二年级数学下册 #知识分享 #家长收藏孩子受益 #关注我持续更新小学知识.pdf
10.00金币
0下载
二年级数学下册《重点难点思维题》两大问题解决技巧和方法巧算星期几解决周期问题还原问题强化思维训练老师精心整理家长可以打印出来给孩子练习#家长收藏孩子受益 #学霸秘籍 #思维训练 #二年级 #知识点总结.pdf
10.00金币
0下载
二年级数学下册 必背公式大全寒假提前背一背开学更轻松#二年级 #二年级数学 #二年级数学下册 #寒假充电计划 #公式.pdf
10.00金币
0下载
蜗牛文库+ 关注
实名认证
内容提供者

提供各种专业文档内容

确认删除?
QQ
  • QQ点击这里给我发消息
微信客服
  • 微信客服
回到顶部