电脑桌面
添加蜗牛文库到电脑桌面
安装后可以在桌面快捷访问

19-生产部门生产物料需求计划操作流程.xlsxVIP免费

19-生产部门生产物料需求计划操作流程.xlsx_第1页
19-生产部门生产物料需求计划操作流程.xlsx_第2页
19-生产部门生产物料需求计划操作流程.xlsx_第3页
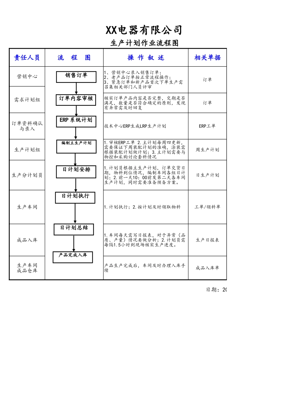
生产计划作业流程图责任人员流程图操作叙述相关单据营销中心订单需求计划组订单生产计划组周生产计划生产分计划员日生产计划生产车间成品入库生产日报表成品入库单XX电器有限公司1、营销中心录入销售订单;2、老产品订单按正常流程操作;3、紧急订单和新产品首次下单生产需召集相关部门人员评审核实订单产品内容是否完整,交期是否满足,数量是否符合确定的原则,发现有异常需及时回复订单资料确认与录入技术中心ERP生成LRP生产计划ERP工单1.审核ERP工单2.主计划每周四更新,需要保证下周装配计划的准确,涂装需根据装配计划做计划;3.主计划需要与物控和采购讨论套料情况1.计划员根据主生产计划,订单交货日期,物料到位情况,编制车间各组日计划;2.前一天10:00前发第二天各车间生产计划,同时需要准备预备方案。1.计划执行;2.按计划及时领取物料工单/领料单1.车间每天需写日报表,对于异常(品质、产量)情况要做分析;2.计划员需每隔1.5小时到现场核实生产进度。生产车间成品仓库产品生产完成后,车间及时办理入库手续日期:20XX年XX月XX日销售订单日计划总结日计划安排ERP系统计划订单内容审核编制主生产计划日计划执行产品完成入库提示注意点技术中心ERP生成LRP生产计划周计划时间发放时间为每周四的下午15:00前:20XX年XX月XX日物料需求计划作业流程图责任人员流程图操作叙述相关单据营销中心营销中心录入销售订单订单请购单物控组请购单采购部采购单采购部工单材料及库存明细表物控组工单材料及库存明细表仓库录入进货单,品保安排检验进货单材料仓库物料检验合格后,仓库办理入库入库单车间根据生产计划,打领料单到仓库领料生产领料单XX电器有限公司订单资料确认与录入技术中心ERP生成MRP物料需求计划1.物控员审核物料需求计划,并在ERP系统中修正要求套料所交日期和所需数量(需考虑库存、安全库存、损耗率等因素);2.确认物料到货日期是否能满足生产计划时间及出货需求,需要与生产主计划进行协调。1.采购员根据审核的请购单,选定相对应的供应商,将采购单及时发出;2.如果采购交期无法满足采购交货时间,要在规定时间内反馈给物控组,双方进行沟通,对于达不成协议,而又影响生产的需及时报给上级主管。1.采购员按照采购单需求进厂日期,跟催供应商及时将物料送进厂,并跟踪到检验OK入库;2.如果物料无法按照周计划时间进厂,采购员需主动并提前知会物料需求组,共同协商解决物控员根据周生产计划时间,提前查核外购及自制物料是...

1、当您付费下载文档后,您只拥有了使用权限,并不意味着购买了版权,文档只能用于自身使用,不得用于其他商业用途(如 [转卖]进行直接盈利或[编辑后售卖]进行间接盈利)。
2、本站所有内容均由合作方或网友上传,本站不对文档的完整性、权威性及其观点立场正确性做任何保证或承诺!文档内容仅供研究参考,付费前请自行鉴别。
3、如文档内容存在违规,或者侵犯商业秘密、侵犯著作权等,请点击“违规举报”。

碎片内容

蜗牛文库的最新文档

二年级数学下册其中检测卷二年级数学下册其中检测卷附答案#期中测试卷.pdf
10.00金币
0下载
二年级数学下册期末质检卷(苏教版)二年级数学下册期末质检卷(苏教版)#期末复习 #期末测试卷 #二年级数学 #二年级数学下册#关注我持续更新小学知识.pdf
10.00金币
0下载
二年级数学下册期末混合运算专项练习二年级数学下册期末混合运算专项练习#二年级#二年级数学下册#关注我持续更新小学知识 #知识分享 #家长收藏孩子受益.pdf
10.00金币
1下载
二年级数学下册年月日三类周期问题解题方法二年级数学下册年月日三类周期问题解题方法#二年级#二年级数学下册#知识分享 #关注我持续更新小学知识 #家长收藏孩子受益.pdf
10.00金币
0下载
二年级数学下册解决问题专项训练二年级数学下册解决问题专项训练#专项训练#解决问题#二年级#二年级数学下册#知识分享.pdf
10.00金币
1下载
二年级数学下册还原问题二年级数学下册还原问题#二年级#二年级数学#关注我持续更新小学知识 #知识分享 #家长收藏孩子受益.pdf
10.00金币
1下载
二年级数学下册第六单元考试卷家长打印出来给孩子测试测试争取拿到高分!#小学二年级试卷分享 #二年级第六单考试数学 #第六单考试#二年级数学下册.pdf
10.00金币
0下载
二年级数学下册必背顺口溜口诀汇总二年级数学下册必背顺口溜口诀汇总#二年级#二年级数学下册 #知识分享 #家长收藏孩子受益 #关注我持续更新小学知识.pdf
10.00金币
0下载
二年级数学下册《重点难点思维题》两大问题解决技巧和方法巧算星期几解决周期问题还原问题强化思维训练老师精心整理家长可以打印出来给孩子练习#家长收藏孩子受益 #学霸秘籍 #思维训练 #二年级 #知识点总结.pdf
10.00金币
0下载
二年级数学下册 必背公式大全寒假提前背一背开学更轻松#二年级 #二年级数学 #二年级数学下册 #寒假充电计划 #公式.pdf
10.00金币
0下载
蜗牛文库+ 关注
实名认证
内容提供者

提供各种专业文档内容

确认删除?
QQ
  • QQ点击这里给我发消息
微信客服
  • 微信客服
回到顶部